电脑桌面
添加小米粒文库到电脑桌面
安装后可以在桌面快捷访问

政工程监理平行检验表格参考VIP免费

政工程监理平行检验表格参考_第1页
1/21
政工程监理平行检验表格参考_第2页
2/21
政工程监理平行检验表格参考_第3页
3/21
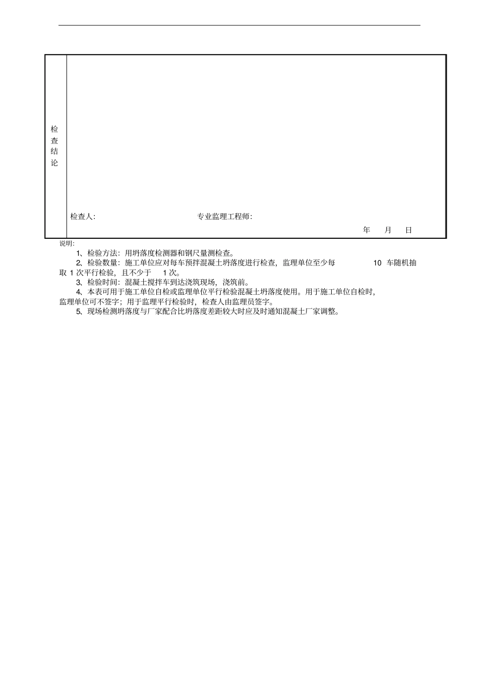
表 1 混凝土坍落度平行检验记录工程名称记录单位混凝土浇筑部位浇筑方量( m3)商品混凝土厂家总车次合格证明书编号配合比坍落度值外加剂名称序号车牌号方 量(m3)检测时间(月/日/ 时/ 分)坍落度值(cm)检查意见1 2 3 4 5 6 7 8 9 10 说明:1、检验方法:用坍落度检测器和钢尺量测检查。2、检验数量:施工单位应对每车预拌混凝土坍落度进行检查,监理单位至少每10 车随机抽取 1 次平行检验,且不少于1 次。3、检验时间:混凝土搅拌车到达浇筑现场,浇筑前。4、本表可用于施工单位自检或监理单位平行检验混凝土坍落度使用。用于施工单位自检时,监理单位可不签字;用于监理平行检验时,检查人由监理员签字。5、现场检测坍落度与厂家配合比坍落度差距较大时应及时通知混凝土厂家调整。检查结论检查人:专业监理工程师:年月日表 2 钢筋外观质量平行检验记录编号:序号施工检验批号钢筋型号生产厂家进场时间数量(t )炉批号重量偏差(%)外观质量检查结论锈蚀裂纹油污平直损伤检查结论检查人:监理见证员:监理工程师:年月日说明:1、钢筋进场后,外观质量检测应在监理单位的见证下进行。除本表格外,检测结果同时应在监理见证记录中予以体现。2、检验频率:以同牌号、同炉号、同规格、同交货状态的钢筋,每60t 为一批,60t 的按每 30t 一批,不足 30t 以一批计,每批抽检1 次。3、钢筋重量偏差的测定:(1)测量钢筋重量偏差时,试样应从不同根钢筋上截取,数量不少于5 支。每支试验长度不小于 500mm。长度应逐支测量,精确到1mm。测量试样总重量时,应精确到不大于总重量的 1%。(2)用钢丝刷清除钢筋试样表面杂物后,称取试样总重量。用下式计算钢筋实际重量和理论重量的偏差( %):(3)钢筋理论重量可见下表:热轧光圆钢筋:热轧带肋钢筋:(4)允许重量偏差钢筋类别公称直径 /mm 允许重量偏差热轧光圆钢筋6~ 12 ±7 14~22 ±5 热轧带肋钢筋6~ 12 ±7 14~20 ±5 22~50 ±4 4、外观质量:钢筋应平直、无损伤,钢筋表面不得有裂纹、起皮、油污、颗粒状或片状锈蚀等。根据检测结果在相应栏内填“有”或“无”,平直栏直接填“平直”或“弯曲”。5、产品标牌上的标识炉批号应与质量保证书上一致,并做好记录。当不一致时,应查明材料来源,否则应退货。6、当钢筋表面存在裂纹、起皮应退货;若存在损伤、不平直应剔出退货;存在油污应清理干净;存在颗粒状或片状老锈应除尽,若影响截面...

1、当您付费下载文档后,您只拥有了使用权限,并不意味着购买了版权,文档只能用于自身使用,不得用于其他商业用途(如 [转卖]进行直接盈利或[编辑后售卖]进行间接盈利)。
2、本站所有内容均由合作方或网友上传,本站不对文档的完整性、权威性及其观点立场正确性做任何保证或承诺!文档内容仅供研究参考,付费前请自行鉴别。
3、如文档内容存在违规,或者侵犯商业秘密、侵犯著作权等,请点击“违规举报”。

碎片内容

政工程监理平行检验表格参考

文库当当响+ 关注
实名认证
内容提供者

该用户很懒,什么也没介绍

确认删除?
VIP
微信客服
  • 扫码咨询
会员Q群
  • 会员专属群点击这里加入QQ群
客服邮箱
回到顶部