电脑桌面
添加小米粒文库到电脑桌面
安装后可以在桌面快捷访问

政道路工程施工技术交底VIP专享VIP免费

政道路工程施工技术交底_第1页
1/18
政道路工程施工技术交底_第2页
2/18
政道路工程施工技术交底_第3页
3/18
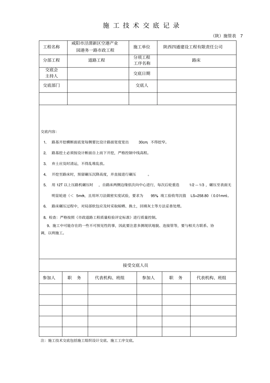
施 工 技 术 交 底 记 录(陕)施管表7 注:施工技术交底包括施工组织设计交底、施工工序交底。工程名称咸阳市泾渭新区空港产业园港务一路市政工程施工单位陕西四通建设工程有限责任公司分部工程道路工程分项工程工序名称道路概况交底会主持人交底日期交底部门交底人交底内容:1、港务一路全长2624.72m。本项目部修建K1+360-K2+624.72 段,长 1264.72m。正常段红线宽 40 米,。与新贺路衔接处为47m。道路平面设计为一条直线,无转角,无平曲线。园区总体规划港务一路交叉口共6 处。交叉口转弯半径R≥15m,设计最大纵坡为0.849%,最小纵坡为0.009%。道路横断面形式为三幅路,车行道宽度为16m,非机动车道宽度为3.5m,隔离带宽度为3.5m,人行道宽度为5m。路面采用沥青混凝土路面,车行道从上至下路面结构组合依次为: 4cm细粒式沥青砼上面层,6cm中粒式沥青砼下面层,20cm 二灰碎石基层 (重量比 8:17 :75 ),30cm1 :6 石灰土底基层 (含灰量 10% ),重型压实路床, 总厚度 60cm 。在路床一下50cm ,进行 5% 灰土处理,在其中在上面层与下面层之间洒布与上面层同质的沥青黏层油, 用量为 0.4kg/m2,在二灰碎石基层上撒布乳化沥青透层油,撒布量为 1.0kg/m2。非机动车从上至下路面结构组合依次为:3cm 细粒式沥青砼上面层,5cm 中粒式沥青砼下面层, 20cm二灰碎石基层 (重量比 8:17 :75),20cm1 :6 石灰土底基层 (含灰量 10% ),总厚度为48 cm。其中在上面层与下面层之间洒布与上面层同质的沥青黏层油,用量为0.4kg/m2,在二灰碎石基层上撒布乳化沥青透层油,撒布量为1.0kg/m2。2、人行道采用环保砖,结构组合为:6cm 环保砖, 2cm M10水泥砂浆调平层,5cmC20水泥混凝土, 15cm 石灰稳定土,轻型压实路床,总厚度为28cm 。接受交底人员参加人职务代表机构、班组参加人职务代表机构、班组施 工 技 术 交 底 记 录(陕)施管表7 工程名称咸阳市泾渭新区空港产业园港务一路市政工程施工单位陕西四通建设工程有限责任公司分部工程道路工程分项工程工序名称5%湿软路基处理交底会主持人交底日期交底部门交底人1、处理范围较车行道外延宽1 米,正常段处理宽度18 米,交叉口加宽段处理宽度25 米,交叉口依据交叉口车行道范围外延宽1 米。2、袋装灰2.1 袋装灰进场应立即取试样3 公斤送具有资质的试验室检验,检验合格后方可使用(必须达到III级灰标准)。2.2 袋装灰中不得有未...

1、当您付费下载文档后,您只拥有了使用权限,并不意味着购买了版权,文档只能用于自身使用,不得用于其他商业用途(如 [转卖]进行直接盈利或[编辑后售卖]进行间接盈利)。
2、本站所有内容均由合作方或网友上传,本站不对文档的完整性、权威性及其观点立场正确性做任何保证或承诺!文档内容仅供研究参考,付费前请自行鉴别。
3、如文档内容存在违规,或者侵犯商业秘密、侵犯著作权等,请点击“违规举报”。

碎片内容

政道路工程施工技术交底

确认删除?
VIP
微信客服
  • 扫码咨询
会员Q群
  • 会员专属群点击这里加入QQ群
客服邮箱
回到顶部