电脑桌面
添加小米粒文库到电脑桌面
安装后可以在桌面快捷访问

安全生产目标考核表VIP免费

安全生产目标考核表_第1页
1/5
安全生产目标考核表_第2页
2/5
安全生产目标考核表_第3页
3/5
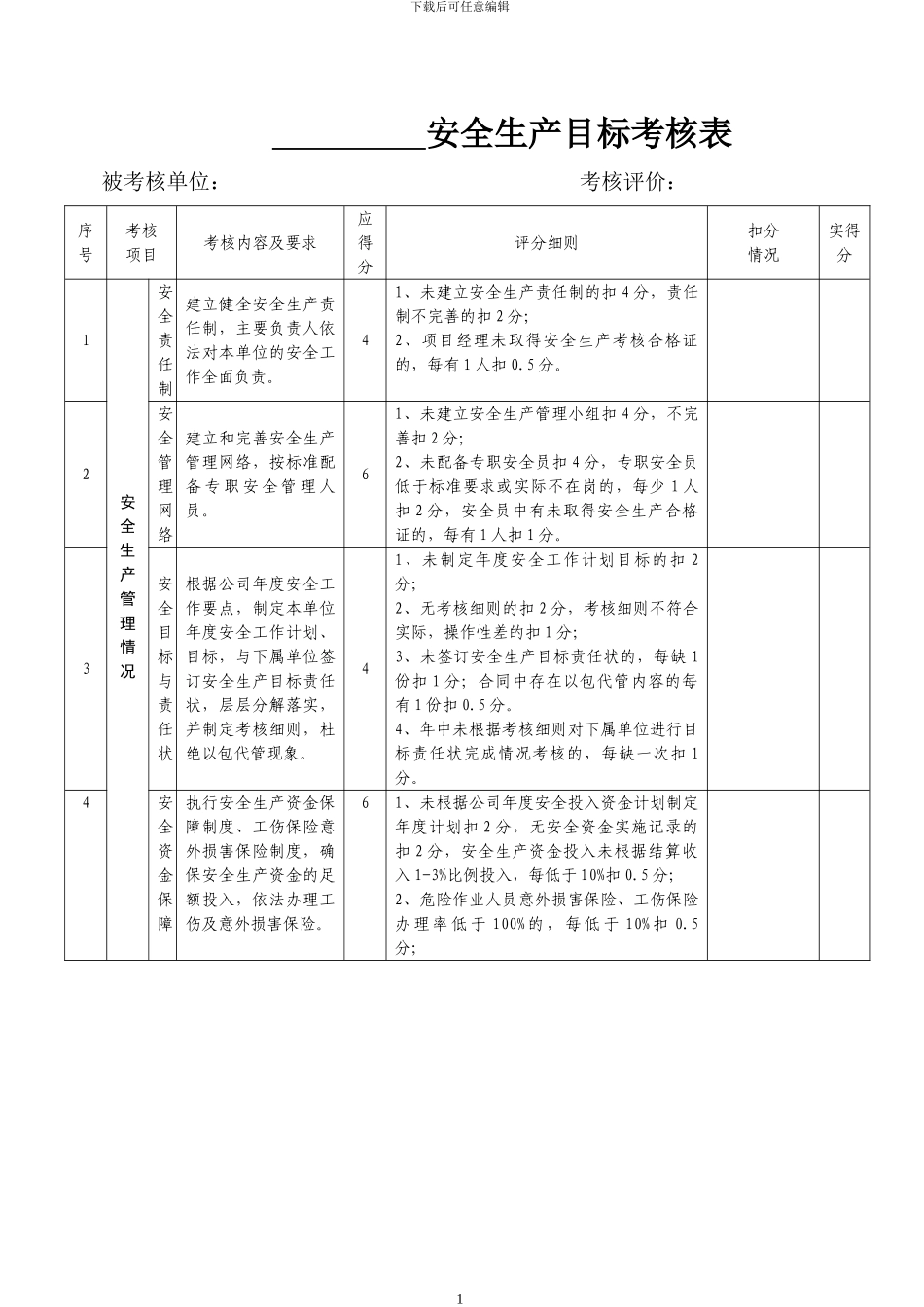
下载后可任意编辑 安全生产目标考核表被考核单位: 考核评价:序号考核项目考核内容及要求应得分评分细则扣分情况实得分1安全生产管理情况安全责任制建立健全安全生产责任制,主要负责人依法对本单位的安全工作全面负责。41、未建立安全生产责任制的扣 4 分,责任制不完善的扣 2 分;2、项目经理未取得安全生产考核合格证的,每有 1 人扣 0.5 分。2安全管理网络建立和完善安全生产管理网络,按标准配备 专 职 安 全 管 理 人员。61、未建立安全生产管理小组扣 4 分,不完善扣 2 分;2、未配备专职安全员扣 4 分,专职安全员低于标准要求或实际不在岗的,每少 1 人扣 2 分,安全员中有未取得安全生产合格证的,每有 1 人扣 1 分。3安全目标与责任状根据公司年度安全工作要点,制定本单位年度安全工作计划、目标,与下属单位签订安全生产目标责任状,层层分解落实,并制定考核细则,杜绝以包代管现象。41、未制定年度安全工作计划目标的扣 2分;2、无考核细则的扣 2 分,考核细则不符合实际,操作性差的扣 1 分;3、未签订安全生产目标责任状的,每缺 1份扣 1 分;合同中存在以包代管内容的每有 1 份扣 0.5 分。4、年中未根据考核细则对下属单位进行目标责任状完成情况考核的,每缺一次扣 1分。4安全资金保障执行安全生产资金保障制度、工伤保险意外损害保险制度,确保安全生产资金的足额投入,依法办理工伤及意外损害保险。61、未根据公司年度安全投入资金计划制定年度计划扣 2 分,无安全资金实施记录的扣 2 分,安全生产资金投入未根据结算收入 1-3%比例投入,每低于 10%扣 0.5 分;2、危险作业人员意外损害保险、工伤保险办 理 率 低 于 100% 的 , 每 低 于 10% 扣 0.5分;1下载后可任意编辑安全生产管理情况5安全教育培训执行公司安全教育培训制度,制定全员年度培训计划。严格落实新职工(含变换工种职工)三级安全教育、转岗培训,参加新法律、法规、标准法律规范的培训。特种 作 业 人 员 持 证 上岗。61、未制定年度培训计划的扣 1 分;2、无培训实施记录或记录不真实的扣 2分,培训内容、学时不符合规定的扣 1分,培训率低于 100%,每降低 10%扣 0.5分;3、相关人员未按规定参加法律、法规培训的扣 2 分;4、特种作业人员持证率低于 100%,每降低 10%扣 1 分,操作证过期未复审,每证扣0.5 分;6安全检查与活动执行公司安全检查制度,开展常常性...

1、当您付费下载文档后,您只拥有了使用权限,并不意味着购买了版权,文档只能用于自身使用,不得用于其他商业用途(如 [转卖]进行直接盈利或[编辑后售卖]进行间接盈利)。
2、本站所有内容均由合作方或网友上传,本站不对文档的完整性、权威性及其观点立场正确性做任何保证或承诺!文档内容仅供研究参考,付费前请自行鉴别。
3、如文档内容存在违规,或者侵犯商业秘密、侵犯著作权等,请点击“违规举报”。

碎片内容

安全生产目标考核表

您可能关注的文档

确认删除?
VIP
微信客服
  • 扫码咨询
会员Q群
  • 会员专属群点击这里加入QQ群
客服邮箱
回到顶部