电脑桌面
添加小米粒文库到电脑桌面
安装后可以在桌面快捷访问

安全生产许可证办理指南.VIP免费

安全生产许可证办理指南._第1页
1/18
安全生产许可证办理指南._第2页
2/18
安全生产许可证办理指南._第3页
3/18
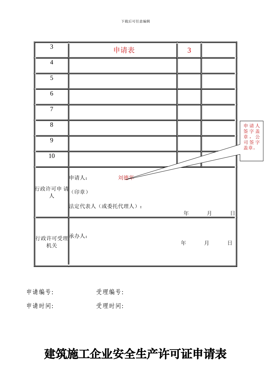
安全生产许可证办理指南1. 请登录哈尔滨市建设安全监察网主页,许可证管理中查找2024 年 19 号文件,然后根据文件要求准备材料。2. 许可证延期分两种情况,过期和未过期,过期的企业请根据文件重新审查项准备文件,未过期的企业请根据文件第二大项准备。3. 2024 年第 19 号文件中提及的建造师数量比例的问题,已经废止,所有项目经理的数量必须达到 100%4. 文件装订顺序应根据 19 号文件顺序装订,申请书,申请材料清单,不装订,其中申请表左上角装订即可(每份单独装订),以上三个文件均不要装订在册内。装订册的起始页应为公司名称(封皮),安全期内一览表,在建工程一览表,营业执照,资质,安全生产许可证等(根据 19 号文件顺序准备材料)5. 总包企业必须设立安全总监和设备管理科,其他企业不需要设立。6. 人员证件装订顺序应根据企业自己提供申请表名单顺序。7. 安全生产许可证延期需要网上申报材料,请用办理资质时使用的加密狗登录黑龙江省建设安全监督网申报即可,具下载后可任意编辑体网络申报问题请咨询黑龙江省住房和城乡建设厅信息中心电话:53651357.行政许可文书范本 1行政许可申请书 申请人姓名: 刘德华 身份证号码:2301XXXX 住址: 中央大街 所在单位: 大中华实业集团公司 电话: 8488888 邮编: 150001 申请单位名称: 大中华实业集团公司 法定代表人姓名: 刘德华 地址: 哈尔滨市道里区中央大街 电话 8400000 邮编: 150001 委托代理人姓名:张曼玉 身份证码: 230xxxxx 住址:哈尔滨市道里区中央大街 电话: 8450000 行政许可申请事项: 安全生产许可证延期 申请事实和理由: 安全生产许可证延期 附件:申请行政许可材料清单 行政许可申请人: 刘德华 委托代理人: 张曼玉 (印章) 年 月 日行政许可文书范本 2申请行政许可材料清单 序号材 料 名 称数 量备 注1 申请书 1 2 申请材料清单 1 公司加盖公章申 报 前 请 不 要 填写 年 月 日 , 以 免材 料 整 改 期 间 超期。法 人 盖章 或 者签字下载后可任意编辑3 申请表 3 4 5 6 7 8 9 10 行政许可申 请 人申请人: 刘德华(印章)法定代表人(或委托代理人): 年 月 日行政许可受理机关 承办人: 年 月 日申请编号: 受理编号:申请时间: 受理时间:建筑施工企业安全生产许可证申请表申 请 人签 字 盖章 , 公司 签 字盖章。下载后可...

1、当您付费下载文档后,您只拥有了使用权限,并不意味着购买了版权,文档只能用于自身使用,不得用于其他商业用途(如 [转卖]进行直接盈利或[编辑后售卖]进行间接盈利)。
2、本站所有内容均由合作方或网友上传,本站不对文档的完整性、权威性及其观点立场正确性做任何保证或承诺!文档内容仅供研究参考,付费前请自行鉴别。
3、如文档内容存在违规,或者侵犯商业秘密、侵犯著作权等,请点击“违规举报”。

碎片内容

安全生产许可证办理指南.

您可能关注的文档

确认删除?
VIP
微信客服
  • 扫码咨询
会员Q群
  • 会员专属群点击这里加入QQ群
客服邮箱
回到顶部