电脑桌面
添加小米粒文库到电脑桌面
安装后可以在桌面快捷访问

安全生产责任制及分解及考核办法.VIP免费

安全生产责任制及分解及考核办法._第1页
1/11
安全生产责任制及分解及考核办法._第2页
2/11
安全生产责任制及分解及考核办法._第3页
3/11
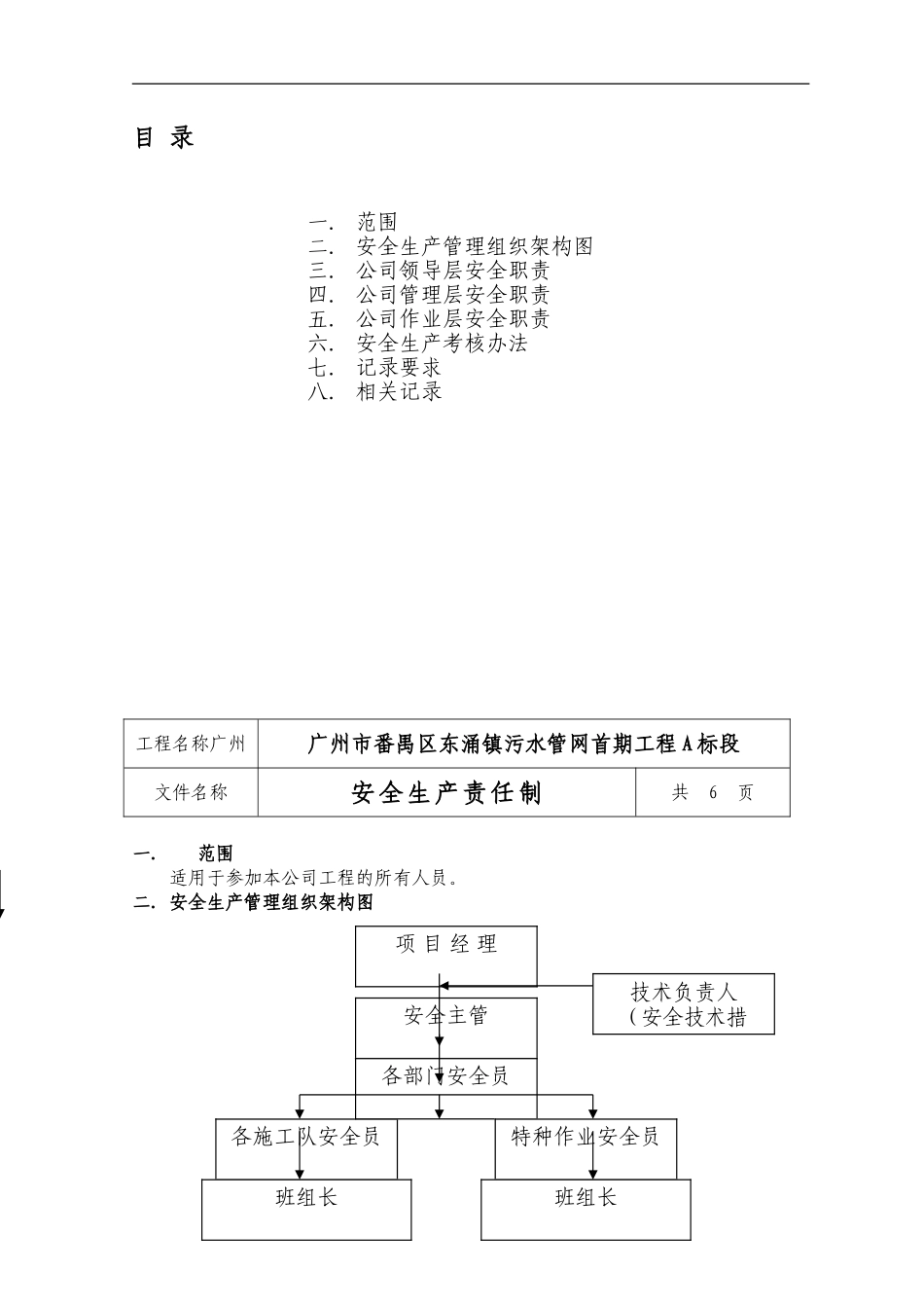
目 录一.范围二.安全生产管理组织架构图三.公司领导层安全职责四.公司管理层安全职责五.公司作业层安全职责六.安全生产考核办法七.记录要求八.相关记录工程名称广州广州市番禺区东涌镇污水管网首期工程 A 标段文件名称安全生产责任制共 6 页一.范围适用于参加本公司工程的所有人员。二.安全生产管理组织架构图项 目 经 理技术负责人(安全技术措安全主管各施工队安全员各部门安全员特种作业安全员班组长班组长下载后可任意编辑安全生产管理组织架构图三.公司领导层安全职责1. 项目经理⑴ 对公司的安全生产负责。⑵ 严格执行国家安全生产及特种设备安全监察方面的法律、法规的各项要求。⑶ 建立、健全安全生产管理制度,组织制定和批准发布各项安全生产制度及安全技术措施。⑷ 召开公司安全工作会议,每年不少于 2 次,组织沟通安全生产先进经验,讨论解决安全生产的薄弱环节和存在问题,及时实行措施,并作出相应的决定。⑸ 常常了解、分析公司的安全生产情况,组织带领相关人员进行安全大检查(每年 1 次),检查公司的基础设施、材料、工作环境和生活设施等是否符合安全生产要求,对查出的不符合要求的问题及时分析,查找原因,实行措施予以纠正。⑹ 坚持按“三不放过”的原则处理安全事故。对重大安全事故,亲自组织、参加事故调查,批准调查报告,及时实行措施,防止事故重复发生。⑺ 对玩忽职守、违法、违章施工操作导致发生重大责任事故或频发性事故的责任人,根据事故调查结果,追究其相应责任;凡触犯刑法的,协助司法机构追究其刑事责任。⑻ 对公司的安全生产负责。2.技术负责人⑴ 对公司的安全技术工作负责。⑵ 组织编制、审核安全技术措施计划,报总经理批准后督促实施。⑶ 协助总经理组织制定安全生产管理制度;审批各工种安全操作规程,并督促执行。⑷ 在组织编制工程项目施工组织设计的同时,组织制定、审批其中的安全保证措施,并督促实施;对重大危险作业进行现场监督、指导。⑸ 参加重大事故调查,审核调查报告,涉及安全技术问题的应实行安全技术措施予以纠正,防止同类事故再发生。⑹ 参加公司安全大检查,审核纠正、预防措施的有效性,并督促措施的实施。⑺ 指导公司的安全教育和安全培训工作。四.公司管理层安全职责3.安全科⑴ 宣传国家安全生产及特种设备安全监察法律、法规。组织、开展相关的安全宣传活动。⑵ 负责制定公司安全生产责任制、安全教育制度、安全检查制度、安全事故处理...

1、当您付费下载文档后,您只拥有了使用权限,并不意味着购买了版权,文档只能用于自身使用,不得用于其他商业用途(如 [转卖]进行直接盈利或[编辑后售卖]进行间接盈利)。
2、本站所有内容均由合作方或网友上传,本站不对文档的完整性、权威性及其观点立场正确性做任何保证或承诺!文档内容仅供研究参考,付费前请自行鉴别。
3、如文档内容存在违规,或者侵犯商业秘密、侵犯著作权等,请点击“违规举报”。

碎片内容

安全生产责任制及分解及考核办法.

文旅传媒+ 关注
实名认证
内容提供者

传播文化,成就未来

确认删除?
VIP
微信客服
  • 扫码咨询
会员Q群
  • 会员专属群点击这里加入QQ群
客服邮箱
回到顶部