电脑桌面
添加小米粒文库到电脑桌面
安装后可以在桌面快捷访问

安全生产责任考核-Microsoft-Word-文档VIP免费

安全生产责任考核-Microsoft-Word-文档_第1页
1/15
安全生产责任考核-Microsoft-Word-文档_第2页
2/15
安全生产责任考核-Microsoft-Word-文档_第3页
3/15
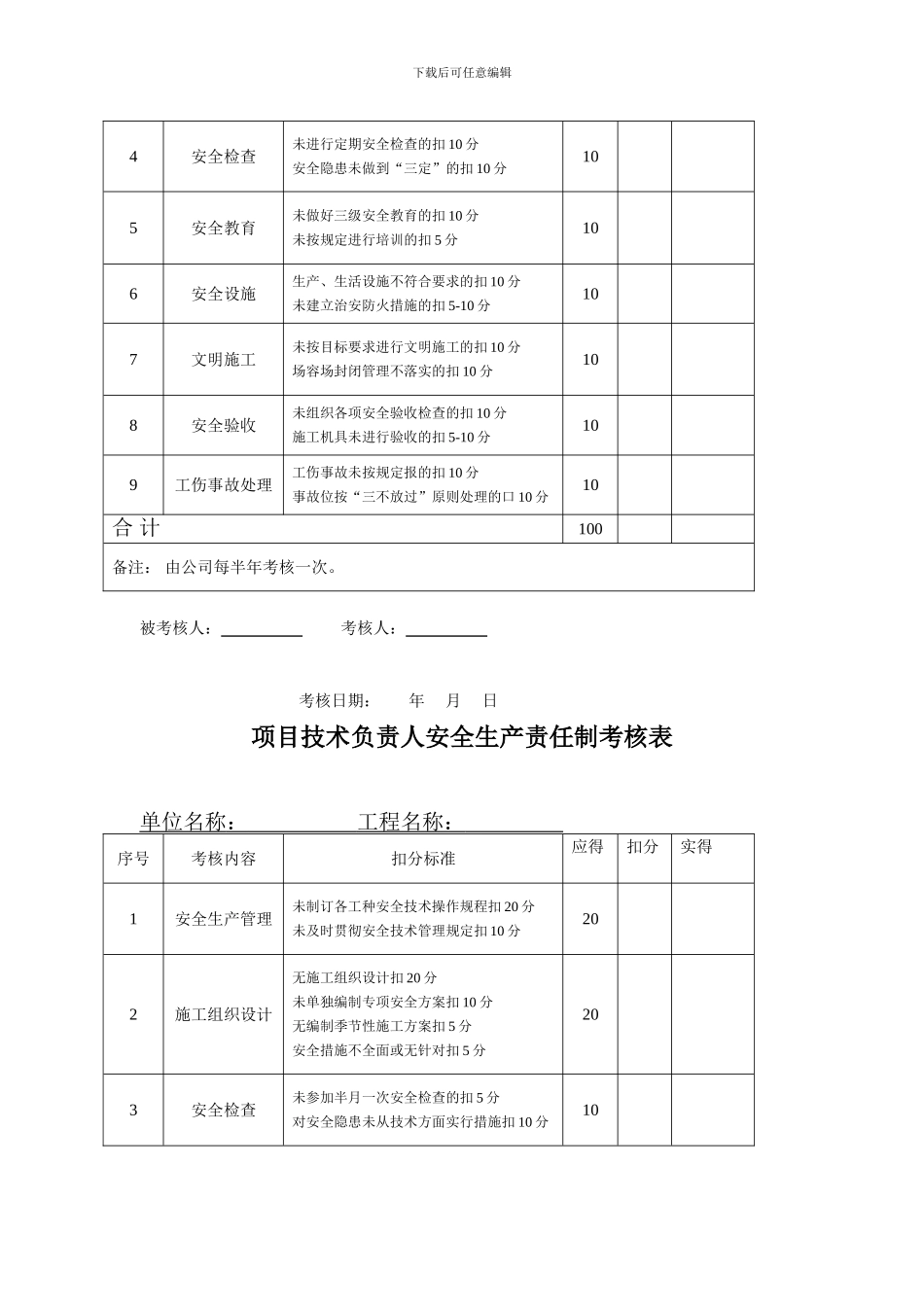
下载后可任意编辑项目部安全生产责任考核制度 建立和健全以生产责任制为中心的各项管理制度,是保障生产的重要组织手段,为明确项目部管理人员在施工生产活动中应负的安全职责,进一步贯彻落实安全生产责任制,特对项目管理人员安全生产责任制实行定期考核。 一.考核对象:项目经理.项目技术负责人.项目施工员.项目安全员及项目材料员。二.考核人1.公司负责考核项目经理。2.项目经理负责考核项目技术负责人.项目施工员.项目安全员.项目材料员。三.考核期1.公司对项目经理每半年考核一次.。2.项目经理对项目部管理人员每季度考核一次。四.考核形式:采纳考核表评分形式。五.考核评价:考核分值满分为 100 分,考核得分在 85 分及其以上为优良,考核得分在 70 分及其以上为合格,考核得分在 70 分以下为不合格。考核奖罚根据项目制定的奖罚制度在工程项目结束或年度经济分配中进行兑现。项目经理安全生产责任制考核表单位名称 : 工程名称: 序号考核内容扣分标准应得扣分实得1安全生产管理未制订项目部安全管理规章制度扣 15 分未进行管理人员安全责任考核扣 15 分未建立安全管理组织扣 8 分未按规定配备安全员扣 8 分152目标管理未制订安全目标扣 15 分未进行责任目标分解扣 15 分无责任目标考核扣 8 分153施工组织设计施工组织设计无安全措施的扣 10 分未组织落实各项安全技术措施扣 10 分10下载后可任意编辑4安全检查未进行定期安全检查的扣 10 分安全隐患未做到“三定”的扣 10 分105安全教育未做好三级安全教育的扣 10 分未按规定进行培训的扣 5 分106安全设施生产、生活设施不符合要求的扣 10 分未建立治安防火措施的扣 5-10 分107文明施工未按目标要求进行文明施工的扣 10 分场容场封闭管理不落实的扣 10 分108安全验收未组织各项安全验收检查的扣 10 分施工机具未进行验收的扣 5-10 分109工伤事故处理工伤事故未按规定报的扣 10 分事故位按“三不放过”原则处理的口 10 分10合 计100备注: 由公司每半年考核一次。被考核人: 考核人: 考核日期: 年 月 日项目技术负责人安全生产责任制考核表单位名称 : 工程名称: 序号考核内容扣分标准应得扣分实得1安全生产管理未制订各工种安全技术操作规程扣 20 分未及时贯彻安全技术管理规定扣 10 分202施工组织设计无施工组织设计扣 20 分未单独编制专项安全方案扣 10 分无编制季节性施工方案扣 5 分安...

1、当您付费下载文档后,您只拥有了使用权限,并不意味着购买了版权,文档只能用于自身使用,不得用于其他商业用途(如 [转卖]进行直接盈利或[编辑后售卖]进行间接盈利)。
2、本站所有内容均由合作方或网友上传,本站不对文档的完整性、权威性及其观点立场正确性做任何保证或承诺!文档内容仅供研究参考,付费前请自行鉴别。
3、如文档内容存在违规,或者侵犯商业秘密、侵犯著作权等,请点击“违规举报”。

碎片内容

安全生产责任考核-Microsoft-Word-文档

您可能关注的文档

确认删除?
VIP
微信客服
  • 扫码咨询
会员Q群
  • 会员专属群点击这里加入QQ群
客服邮箱
回到顶部