电脑桌面
添加小米粒文库到电脑桌面
安装后可以在桌面快捷访问

安全管理内业标准.VIP免费

安全管理内业标准._第1页
1/83
安全管理内业标准._第2页
2/83
安全管理内业标准._第3页
3/83
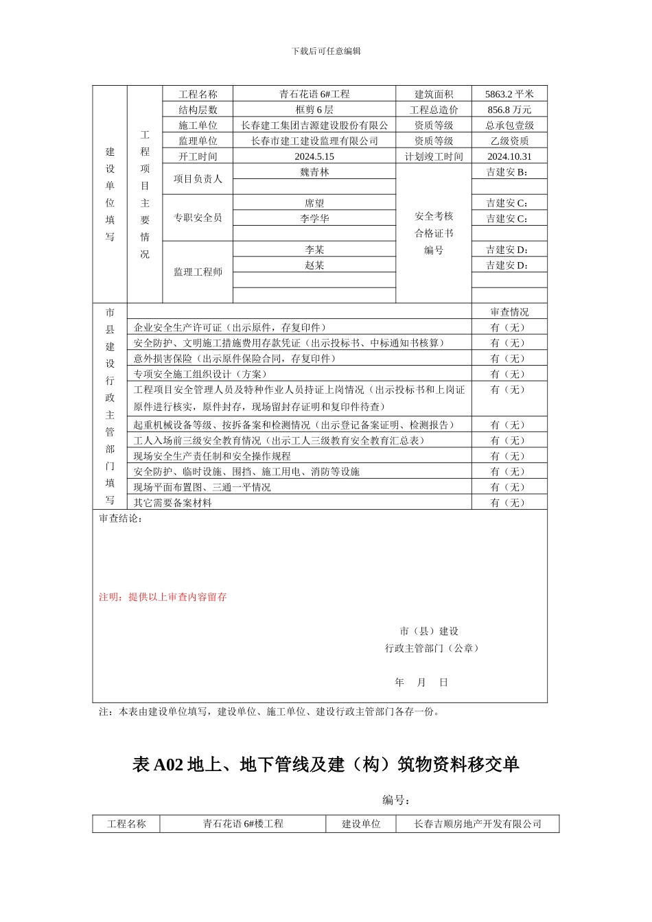
下载后可任意编辑 DB22DB22吉林省地方标准 DB22/T479-2024DB22/T479-2024 建设工程施工现场安全管理内业标准Standard pratice for safety management of constructionProject on contruction site2010-5-4 发布 2010-5-4 实施 吉林省住房和城乡建设厅联合发布吉林省质量技术监督局附录 A 建设单位安全资料用表表 A01 建设工程安全监督备案登记表建设单位(公章): 填报日期: 编号:下载后可任意编辑建设单位填写工程项目主要情况工程名称青石花语 6#工程建筑面积5863.2 平米结构层数框剪 6 层工程总造价856.8 万元施工单位长春建工集团吉源建设股份有限公资质等级总承包壹级监理单位长春市建工建设监理有限公司资质等级乙级资质开工时间2024.5.15计划竣工时间2024.10.31项目负责人魏青林安全考核合格证书编号吉建安 B:专职安全员席望吉建安 C:李学华吉建安 C:监理工程师李某吉建安 D:赵某吉建安 D:市县建设行政主管部门填写审查情况企业安全生产许可证(出示原件,存复印件)有(无)安全防护、文明施工措施费用存款凭证(出示投标书、中标通知书核算)有(无)意外损害保险(出示原件保险合同,存复印件)有(无)专项安全施工组织设计(方案)有(无)工程项目安全管理人员及特种作业人员持证上岗情况(出示投标书和上岗证原件进行核实,原件封存,现场留封存证明和复印件待查)有(无)起重机械设备等级、按拆备案和检测情况(出示登记备案证明、检测报告)有(无)工人入场前三级安全教育情况(出示工人三级教育安全教育汇总表)有(无)现场安全生产责任制和安全操作规程有(无)安全防护、临时设施、围挡、施工用电、消防等设施有(无)现场平面布置图、三通一平情况有(无)其它需要备案材料有(无)审查结论:注明:提供以上审查内容留存市(县)建设行政主管部门(公章)年 月 日注:本表由建设单位填写,建设单位、施工单位、建设行政主管部门各存一份。表 A02 地上、地下管线及建(构)筑物资料移交单 编号:工程名称青石花语 6#楼工程建设单位长春吉顺房地产开发有限公司下载后可任意编辑施工单位长春建工集团吉源建设股份有限公司移交日期x 年 x 月 x 日移交内容:1.地上建筑:2.地下管线:移交人:签字盖章建设单位(章)接受人:签字盖章施工单位(章)监理单位:签字盖章 总监理工程师(签字): x 年 x 月 x 日注:本表由建设单位填写,建设单位、施工单位、监理单位各...

1、当您付费下载文档后,您只拥有了使用权限,并不意味着购买了版权,文档只能用于自身使用,不得用于其他商业用途(如 [转卖]进行直接盈利或[编辑后售卖]进行间接盈利)。
2、本站所有内容均由合作方或网友上传,本站不对文档的完整性、权威性及其观点立场正确性做任何保证或承诺!文档内容仅供研究参考,付费前请自行鉴别。
3、如文档内容存在违规,或者侵犯商业秘密、侵犯著作权等,请点击“违规举报”。

碎片内容

安全管理内业标准.

您可能关注的文档

确认删除?
VIP
微信客服
  • 扫码咨询
会员Q群
  • 会员专属群点击这里加入QQ群
客服邮箱
回到顶部