电脑桌面
添加小米粒文库到电脑桌面
安装后可以在桌面快捷访问

最新FX系列PLC编程及应用第2版习题答案VIP免费

最新FX系列PLC编程及应用第2版习题答案_第1页
1/18
最新FX系列PLC编程及应用第2版习题答案_第2页
2/18
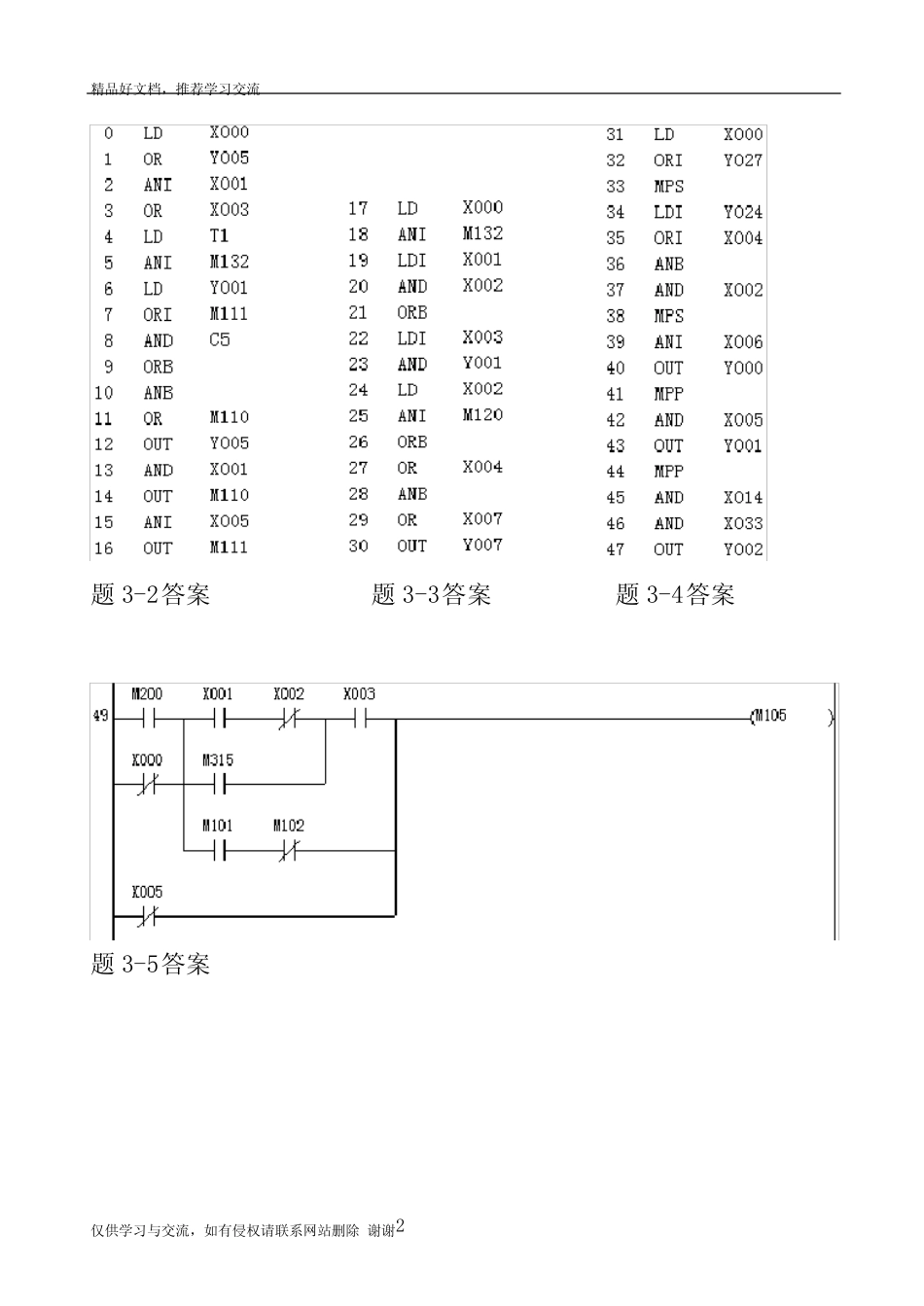
精 品 好 文 档 , 推 荐 学 习 交 流 仅 供 学 习 与 交 流 , 如 有 侵 权 请 联 系 网 站 删 除 谢 谢 1 FX 系 列 PLC 编 程 及 应 用 第 3 章 习 题 答 案 1 题 的 答 案 : 1) 1, ON , 接 通 , 断 开 。 2) 1, ON , 通 电 , 闭 合 , 得 电 工 作 。 3) 通 电 , 接 通 , 断 开 。 4) 断 电 , 断 开 , 接 通 , 0。 5) 断 开 , 由 断 开 变 为 接 通 , 小 于 , 接 通 , 断 开 , 不 变 , 接 通 , 断 开 ,接 通 , 0。 6) 输 入 。 7) M8002, STOP , RUN , ON 。 8) LDI。 9) 输 入 继 电 器 , 输 出 继 电 器 。 精 品 好 文 档 , 推 荐 学 习 交 流 仅 供 学 习 与 交 流 , 如 有 侵 权 请 联 系 网 站 删 除 谢 谢 2 题 3-2答 案 题 3-3答 案 题 3-4答 案 题 3-5答 案 精 品 好 文 档 , 推 荐 学 习 交 流 仅 供 学 习 与 交 流 , 如 有 侵 权 请 联 系 网 站 删 除 谢 谢 3 题 3-6答 案 题 3-7答 案 题 8 答 案 : MC指 令 无 N0 , MC指 令 不 能 直 接 接 在 左 侧 母 线 , 主 控 触 点 的 元 件 号 ( M1 ) 与 主 控 指 令 中 的 元 件 号 ( M0 ) 不 一 致 , MCR中 的 操 作 数 应 为 N0 , MCR指 令 应 直 接 接 在 左 侧 母 线 上 , MCR指 令 前 后 的 左 侧 母 线 不 能 连 在 一 起 ; 精 品 好 文 档 , 推 荐 学 习 交 流 仅 供 学 习 与 交 流 , 如 有 侵 权 请 联 系 网 站 删 除 谢 谢 4 X0 的 触 点 不 能 在 线 圈 的 右 边 , 梯 形 图 中 不 能 出 现 输 入 继 电 器 的 线 圈 , X9 的 元 件 号 不 是 八 进 制 数 ; 梯 形 图 中 出 现 了 Y0 的 两 个 线 圈 , T5 无 设 定 值 。 Y 0 的 线 圈 不 能 直 接 接 在 左 侧 母 线 上 。 题 3-9答 案 题 3-10答 案 题 3-11答 案 精 品 好 文 档 , 推 荐 学 习 交 流 仅 供 学 习 与 交 流 , 如 有 侵 权 请 联 系 网...

1、当您付费下载文档后,您只拥有了使用权限,并不意味着购买了版权,文档只能用于自身使用,不得用于其他商业用途(如 [转卖]进行直接盈利或[编辑后售卖]进行间接盈利)。
2、本站所有内容均由合作方或网友上传,本站不对文档的完整性、权威性及其观点立场正确性做任何保证或承诺!文档内容仅供研究参考,付费前请自行鉴别。
3、如文档内容存在违规,或者侵犯商业秘密、侵犯著作权等,请点击“违规举报”。

碎片内容

最新FX系列PLC编程及应用第2版习题答案

您可能关注的文档

确认删除?
VIP
微信客服
  • 扫码咨询
会员Q群
  • 会员专属群点击这里加入QQ群
客服邮箱
回到顶部