电脑桌面
添加小米粒文库到电脑桌面
安装后可以在桌面快捷访问

常用建筑材料进场复试项目、主要检测参数和取样依据VIP免费

常用建筑材料进场复试项目、主要检测参数和取样依据_第1页
1/14
常用建筑材料进场复试项目、主要检测参数和取样依据_第2页
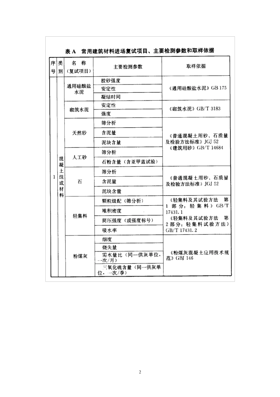
2/14
常用建筑材料进场复试项目、主要检测参数和取样依据_第3页
3/14
1 进场材料复试、工程质量检测试验和工程实体 与使用功能检测有关资料 为方便大家学习,以便更好地掌握运用和统一规范常用材料进场主要复试项目、工程质量主要检测试验项目、工程实体与使用功能主要检测项目及各项目主要检测参数,特对相关资料进行收集整理,归纳为以下三个表,供大家参考。希望大家能认真学习,从而有效地指导施工监理工作。 具体的取样部位、组数、检测试验要求等详见表中“取样依据”栏中相应的规范、规程或标准。表中未列的材料进场复试项目、工程质量检测试验项目和工程实体与使用功能检测项目,如设计、合同另有要求的,按要求检测;新材料、新工艺按使用规定检测。 北京* * * * * 监理有限责任公司 * * * * 年* 月* 日 2 3 4 5 6 7 8 9 1 0 1 1 1 2 表2 施工过程质量检测试验项目、主要检测试验参数和取样依据 序号 类 别 检测试验项目 主要检测试验参数 取样依据 备注 1 土方 回填 土工击实 最大干密度 《土工试验方法标准》GB/T 50123 最优含水率 压实程度 压实系数* 《建筑地基基础设计规范》GB 50007 2 地基与 基础 换填地基 压实系数*或承载力 《建筑地基处理技术规范》JGJ 79 《建筑地基基础工程施工质量验收规范》 GB 50202 加固地基、复合地基 承载力 桩基 承载力 《建筑基桩检测技术规范》JGJ 106 桩身完整性 钢桩除外 3 基坑 支护 土钉墙 土钉抗拔力 《建筑基坑支护技术规程》JGJ 120 水泥土墙 墙身完整性 墙体强度 设计有要求时 锚杆、锚索 锁定力 4 结构工程 钢筋连接 机械连接工艺检验* 抗拉强度 《钢筋机械连接通用技术规程》JGJ 107 机械连接现场检验 钢筋焊接工艺检验* 抗拉强度 《钢筋焊接及验收规程》JGJ 18 弯曲 适 用 于 闪光对焊、气压焊接头 闪光对焊 抗拉强度 弯曲 气压焊 抗拉强度 弯曲 适 用 于 水平连接筋 电弧焊、电渣压力焊、预埋件钢筋 T 型接头 抗拉强度 网片焊接 抗剪力 热轧带肋钢筋 抗拉强度 冷扎带肋钢筋 抗剪力 混凝土 混凝土配合比设计 工作性 《普通混凝土配合比设计规程》JGJ 55 指工作度、坍落度 和坍落扩展度等 强度等级 混凝土性能 标准养护试件强度 《混凝土结构工程施工质量验收规范》 GB 50204 《混凝土外加剂应用技术规范》 同条 件试件强度*( 受 冻 临 界 、拆同条件养护 28d 转 标 1 3 模、张拉、放张和临时负荷等...

1、当您付费下载文档后,您只拥有了使用权限,并不意味着购买了版权,文档只能用于自身使用,不得用于其他商业用途(如 [转卖]进行直接盈利或[编辑后售卖]进行间接盈利)。
2、本站所有内容均由合作方或网友上传,本站不对文档的完整性、权威性及其观点立场正确性做任何保证或承诺!文档内容仅供研究参考,付费前请自行鉴别。
3、如文档内容存在违规,或者侵犯商业秘密、侵犯著作权等,请点击“违规举报”。

碎片内容

常用建筑材料进场复试项目、主要检测参数和取样依据

确认删除?
VIP
微信客服
  • 扫码咨询
会员Q群
  • 会员专属群点击这里加入QQ群
客服邮箱
回到顶部