电脑桌面
添加小米粒文库到电脑桌面
安装后可以在桌面快捷访问

常用电路图1VIP免费

常用电路图1_第1页
1/70
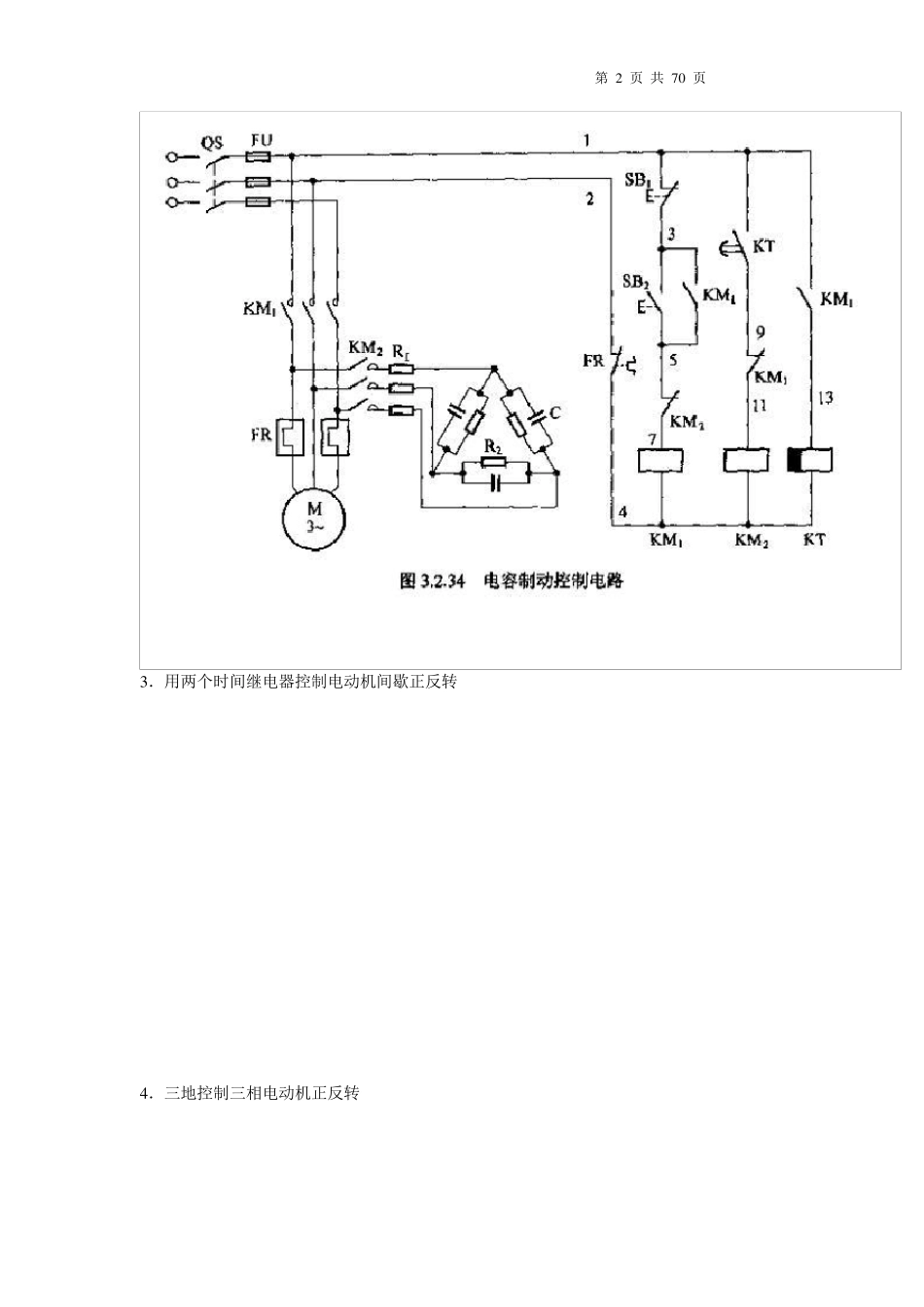
常用电路图1_第2页
2/70
常用电路图1_第3页
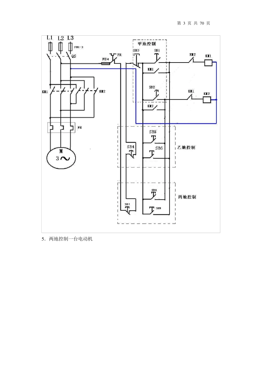
3/70
第 1 页 共 7 0 页 1 .单按钮控制两台电动机顺序启动反序停止 2 .三相异步鼠笼电动机电容制动控制电路图 第 2 页 共 7 0 页 3 .用两个时间继电器控制电动机间歇正反转 4 .三地控制三相电动机正反转 第 3 页 共 7 0 页 5 .两地控制一台电动机 第 4 页 共 7 0 页 6 .频敏变阻启动原理图 7 .用一个时间继电器,和三个按钮,控制一个灯 2 2 0 和电机 3 8 0 ,要求电机能自动运行 6 0 秒停止 第 5 页 共 70 页 8. 接近开关导通后电机停止 接近开关断开后延时N 秒电机启动 9.运用时间继电器使电磁铁动作2 秒后复位,经过 3 分钟后动作2 秒后复位,再经过 5 分钟后动作2 秒复位 第 6 页 共 7 0 页 1 0 . 利用电接点压力表自动控制水泵 1 1 . 两台电动机既可分别启动和停止,也可以同时启动和停止. 第 7 页 共 70 页 12. 正转停止后,必须过预定的时间(如5S)后才能反转,反转停止后,必须过预定的时间(如5S)后才能正转 13. 用三个时间继电器控制正反转并要有间隙 第 8 页 共 7 0 页 1 4 . 三相异步电动机转子串联电阻启动 1 5 . 三相异步电动机启动控制线路图(带故障指示灯) 第 9 页 共 7 0 页 1 6 . 双控及多地控制(照明) 第 1 0 页 共 7 0 页 1 7 . 镝灯接线图 1 8 . 使电机有点动还有正常运行 1 9 . 用3 个继电器控制电动机断相保护 第 11 页 共 70 页 20. 用四个时间继电器控制正反转并要有间隙 21. 三相电动机在220V 电压下正反转能耗制动 22. 三个地方控制一盏灯 第 1 2 页 共 7 0 页 2 3 . 星三角降压的电路用4 个交流接触器和一个时间继电器要做成可以正反转的电路并且可以自动和手动的 2 4 . 延边三角形降压启动的原理图 第 1 3 页 共 7 0 页 2 5 . 点动与长动的正反转控制电路 2 6 . 用按钮开关(常开)启动电动机,用行程开关(常闭)停止电动机 实物接线图 第 1 4 页 共 7 0 页 2 7 用按钮开关(常开)启动电动机,用行程开关(常开)停止电动机 实物接线图 2 8 .四个地方控制一盏灯 第 1 5 页 共 7 0 页 2 9 . 单相电能表加装互感器 3 0 . 五台电机循环运行 第 16 页 共 70 页 工作过程:第一台启动后4 分钟停止,第二台要在第一台运行到3 分50 秒时启动,第二台也运行4 分钟停止,,,,,,,第五台启动...

1、当您付费下载文档后,您只拥有了使用权限,并不意味着购买了版权,文档只能用于自身使用,不得用于其他商业用途(如 [转卖]进行直接盈利或[编辑后售卖]进行间接盈利)。
2、本站所有内容均由合作方或网友上传,本站不对文档的完整性、权威性及其观点立场正确性做任何保证或承诺!文档内容仅供研究参考,付费前请自行鉴别。
3、如文档内容存在违规,或者侵犯商业秘密、侵犯著作权等,请点击“违规举报”。

碎片内容

常用电路图1

您可能关注的文档

确认删除?
VIP
微信客服
  • 扫码咨询
会员Q群
  • 会员专属群点击这里加入QQ群
客服邮箱
回到顶部