电脑桌面
添加小米粒文库到电脑桌面
安装后可以在桌面快捷访问

卫生间防水方案VIP免费

卫生间防水方案_第1页
1/10
卫生间防水方案_第2页
2/10
卫生间防水方案_第3页
3/10
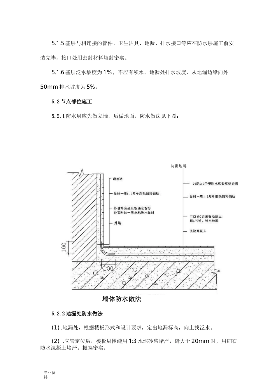
专业资料编制依据《住宅装饰装修工程施工规》GB50204—2002《建筑安装分项工程工艺规程》(北京市地方性标准)DBJ01-105-2006 本工程《施工组织设计》二、选用材料此工程卫生间防水施工的卷材应具有良好的延伸性、耐水性和耐候性,同时具有良好的耐腐蚀性和抗老化性能,能适应基层产生裂缝时的微小变化,形成的防水层应自重小,安全性好,不必加热,冷施工,减少环境污染,在复杂部位应形成密封完整的防水层。故而采用高分子聚乙烯丙纶 0.7mm 厚防水卷材施工。水泥选用普通硅酸盐水泥,强度等级应不低于 32.5 级。三、施工部署结合工程特点,组织经验丰富,持有上岗证的技术工人进行操作。4.1 技术准备4.1.1 组织施工人员熟悉图纸,明确各部位的施工节点做法,及时对现场防水分包单位进行技术交底。认真选择分包、分供单位并对材料及分包单位进行质量考察,保证材料和施工的优良。4.1.2 聚丙乙烯防水卷材,卷材生产厂家必须提供产品的合格证、出厂检验报告、使用说明书,材料进场后必须按照要求进行外观抽检和防水卷材见证取样复试,复试合格后才可使用。4.1.3 参与本工程施工的外包防水施工队必须具有《建筑企业资质证书》、《企业法人营业执照》;施工人员必须具有上岗证。专业资料4.2 作业准备4.2.1 基层表面应达到设计强度,清洁干净,表面无浮土、砂粒等污物,并要求抹平压光,对于残留的砂浆块或突起物应用铲刀削平。4.2.2 防水基面办理文字交接检,执行贯标要求。4.3 施工工具搅拌器、配料容器、刮板、滚刷、毛刷、压辊、剪刀、手提桶、清扫工具、料桶等。五、施工要点卫生间面积小,管道多,大部分形状复杂,施工难度大,当前防水工程中发生渗漏的现象,大多发生在节点部位上,因此卫生间防水工程的关键是做好每处节点部位的防水。5.1 基层要求5.1.1 基层采用 C15 细石混凝土从门口向地漏找 1%坡,最薄处 35 厚,随打随抹平。基层表面要坚实、平整、不起砂,如发现存在突起或者孔洞,对于基层突起物疙瘩等应铲除,并将尘土杂物等清理干净。5.1.2 基层有裂缝小于 0.5mm 时,可用密封材料刮封,其厚度为 2mm,宽度为 30mm,上铺一条隔离条,当裂缝超过 0.5mm 时,应沿裂缝将找平层凿开,形成上口宽 20mm、深 15~20mm 的 V 型缝,清扫干净,逢中填嵌密封材料,再做100mm 宽的涂料层。5.1.3 基层应干燥,—般以含水率小于 9%为宜,其简单测试方法是将 1mx1m的 SBS 防水卷材覆盖在基层表面,覆盖 3~4 ...

1、当您付费下载文档后,您只拥有了使用权限,并不意味着购买了版权,文档只能用于自身使用,不得用于其他商业用途(如 [转卖]进行直接盈利或[编辑后售卖]进行间接盈利)。
2、本站所有内容均由合作方或网友上传,本站不对文档的完整性、权威性及其观点立场正确性做任何保证或承诺!文档内容仅供研究参考,付费前请自行鉴别。
3、如文档内容存在违规,或者侵犯商业秘密、侵犯著作权等,请点击“违规举报”。

碎片内容

卫生间防水方案

您可能关注的文档

确认删除?
VIP
微信客服
  • 扫码咨询
会员Q群
  • 会员专属群点击这里加入QQ群
客服邮箱
回到顶部