电脑桌面
添加小米粒文库到电脑桌面
安装后可以在桌面快捷访问

数控冲床模具说明及相关手册VIP免费

数控冲床模具说明及相关手册_第1页
1/7
数控冲床模具说明及相关手册_第2页
2/7
数控冲床模具说明及相关手册_第3页
3/7
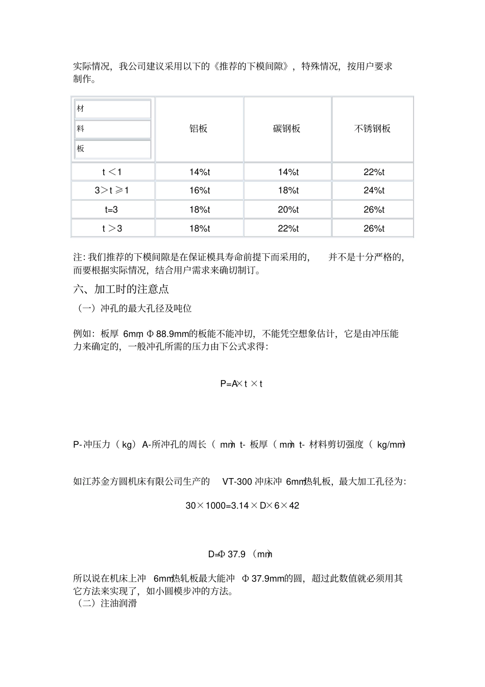
心之所向,所向披靡数控冲床模具说明及相关手册1、模具选用的注意事项(一)标准模具的选用(1)模具的刃口直径应尽量大于加工 板厚的 2 倍,直径一般应大于3mm,否则易折断,寿命极短;但也不是绝对的,3mm直径以下推荐使用进口高速钢作为模具材料。(2)加工厚板的模具尺寸接近工位极限尺寸时请往上选用大一级的工位以保证有足够的退料力。(3)加工厚板的模具刃口不允许有尖角,所有尖角应改为圆角过渡,否则极易磨损或塌角,推荐在一般情况下,尽可能用R>0.25t 的圆角半径来代替清角。(4)当加工的板材为高 Cr 材料(如 1Cr13 等不锈钢)及热轧板材时,由于板材固有的特性而不宜采用国产高Cr 模具,否则极易磨损、拉毛以及带料等一系列弊病,推荐使用进口高速工具钢来作为模具材料。hiconchenping ,如果你要查看本帖隐藏内容请回复b、先空冲一下,如无异常,将板料送入冲压,量一下成型高度,如高度不够则将件 2 松开,件 1 逆时针旋转(旋转一圈一般为2mm,具体看螺纹牙距的大小,请适度调节,以免损坏模具),再拧紧件2,不断地调整、试冲,直到达到要求高度。四、模具的装配及保养1、模具的刃磨定期刃磨模具不仅能提高模具的使用寿命,而且能提高机器的使用寿命, 所以说掌握正确合理的刃磨时间很重要。 模具是否需要刃磨对用户来说很直接的方法就是:冲孔累积到一定次数以后, 检查冲孔质量是否有较大的毛刺产生,再检查上模刃口是否出现圆角(圆角 ≥R0.1),光泽是否消失,如有这种情况发生,说明冲头已钝,此时需要刃磨。模具如果在适当的时候刃磨, 使用寿命可延长3 倍,但不正确的刃磨, 反而会急速加剧模具刃口的破坏, 减少其使用寿命, 模具刃磨有其配套的模具刃磨机,选择合适的刃磨机器会极大的方便用户,提高生产效率, 推荐使用刃磨机, 该机具有占地面积小, 操作方便, 噪声低, 外形美观及刃磨质量优等特点而深受用户青睐。刃磨时每次磨削进给量不应超过0.015mm,磨削量过大会造成模具表面过热及烧伤,相当于退火处理,模具变软,会大大降低模具的使用寿命,刃磨时必须加足冷却液, 应保证冲头和下模固定平稳,刃磨砂轮表面要清理干净, 建议使用中软 46 粒度砂轮,模具刃磨量是一定的,正常为4mm,如果达到该数值冲头就要报废,如果继续使用, 容易造成模具和机器的损坏。最后刃磨应由受过专业培训的人员操作。注意:刃磨完后应及时退磁,并将模具高度调整得和刃磨前一样。2、模具的...

1、当您付费下载文档后,您只拥有了使用权限,并不意味着购买了版权,文档只能用于自身使用,不得用于其他商业用途(如 [转卖]进行直接盈利或[编辑后售卖]进行间接盈利)。
2、本站所有内容均由合作方或网友上传,本站不对文档的完整性、权威性及其观点立场正确性做任何保证或承诺!文档内容仅供研究参考,付费前请自行鉴别。
3、如文档内容存在违规,或者侵犯商业秘密、侵犯著作权等,请点击“违规举报”。

碎片内容

数控冲床模具说明及相关手册

确认删除?
VIP
微信客服
  • 扫码咨询
会员Q群
  • 会员专属群点击这里加入QQ群
客服邮箱
回到顶部