电脑桌面
添加小米粒文库到电脑桌面
安装后可以在桌面快捷访问

新老《特种设备目录》内容对照表VIP免费

新老《特种设备目录》内容对照表_第1页
1/16
新老《特种设备目录》内容对照表_第2页
2/16
新老《特种设备目录》内容对照表_第3页
3/16
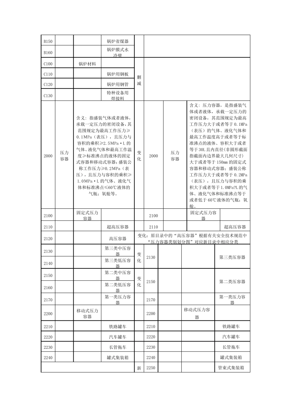
新老《特种设备目录》内容对照表 老《特种设备目录》(含增补) 新《特种设备目录》 代码 种类 类别 品种 对照结果 代码 种类 类别 品种 1000 锅炉类 含义:指利用各种燃料、电或者其他能源,将所盛装的液体加热到一定的参数,并对外输出热能的设备,其范围规定为容积≥30L 的承压蒸汽锅炉;出口水压≥0.1MPa(表压),且额定功率≥0.1MW 的承压热水锅炉;有机热载体锅炉。 变化 1000 锅炉类 含义:锅炉,是指利用各种燃料、电或者其他能源,将所盛装的液体加热到一定的参数,并通过对外输出介质的形式提供热能的设备,其范围规定为设计正常水位容积大于或者等于 30L,且额定蒸汽压力大于或者等于 0.1MPa(表压)的承压蒸汽锅炉;出口水压大于或者等于 0.1MPa(表压),且额定功率大于或者等于 0.1MW 的承压热水锅炉;额定功率大于或者等于 0.1MW 的有机热载体锅炉。 1100 承压蒸汽锅炉 1100 承压蒸汽锅炉 1110 电站锅炉 删减 1120 工业锅炉 1130 生活锅炉 1200 承压热水锅炉 1200 承压热水锅炉 1300 有机热载体锅炉 1300 有机热载体锅炉 1310 有机热载 体气相炉 1310 有机热载 体气相炉 1320 有机热载 体液相炉 1320 有机热载 体液相炉 B100 锅炉部件 删减 B210 封头 B110 锅筒 B120 集箱 B130 锅炉过热器 B140 锅炉再热器 B150 锅炉省煤器 B160 锅炉膜式水 冷壁 C100 锅炉材料 删减 C110 锅炉用钢板 C120 锅炉用钢管 C130 特种设备用 焊接料 2000 压力 容器 含义: 指盛装气体或者液体,承载一定压力的密闭设备,其范围规定为最高工作压力≥0.1MPa(表压),且压力与容积的乘积≥2.5MPa·L 的气体、液化气体和最高工作温度≥标准沸点的液体的固定式容器和移动式容器;盛装公称工作压力≥0.2MPa(表压),且压力与容积的乘积≥1.0MPa·L 的气体、液化气体和标准沸点≤60℃液体的气瓶;氧舱等。 变化 2000 压力 容器 含义: 压力容器,是指盛装气体或者液体,承载一定压力的密闭设备,其范围规定为最高工作压力大于或者等于 0.1MPa(表压)的气体、液化气体和最高工作温度高于或者等于标准沸点的液体、容积大于或者等于30L 且内直径(非圆形截面指截面内边界最大几何尺寸)大于或者等于 150mm 的固定式容器和移动式容器;盛装公称工作压力大于或者等于 0.2MPa(表压),且压力与容积的乘积大于或者等于1.0MPa?L 的气体、液化气体和标准...

1、当您付费下载文档后,您只拥有了使用权限,并不意味着购买了版权,文档只能用于自身使用,不得用于其他商业用途(如 [转卖]进行直接盈利或[编辑后售卖]进行间接盈利)。
2、本站所有内容均由合作方或网友上传,本站不对文档的完整性、权威性及其观点立场正确性做任何保证或承诺!文档内容仅供研究参考,付费前请自行鉴别。
3、如文档内容存在违规,或者侵犯商业秘密、侵犯著作权等,请点击“违规举报”。

碎片内容

新老《特种设备目录》内容对照表

确认删除?
VIP
微信客服
  • 扫码咨询
会员Q群
  • 会员专属群点击这里加入QQ群
客服邮箱
回到顶部