电脑桌面
添加小米粒文库到电脑桌面
安装后可以在桌面快捷访问

施工现场文明施工检查表VIP免费

施工现场文明施工检查表_第1页
1/14
施工现场文明施工检查表_第2页
2/14
施工现场文明施工检查表_第3页
3/14
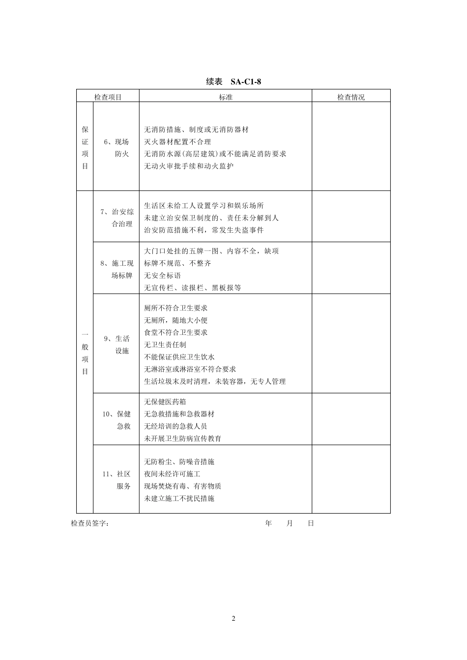
1 一、施工现场文明施工检查表 表SA-C1-8 工程名称: 施工单位: 检查项目 标准 检查情况 保证项目 1、现场 围挡 在市区设双向车道的主要路段的工地周围未设置高于2.5m 的围挡 在市区其他一般路段的工地周围未设置高于 1.8m 的围挡 围挡材料不坚固、不稳定、不整洁、不美观 围挡没有沿工地四周连续设置 2、封闭 管理 施工现场进出口无大门 无门卫、无门卫制度 进入施工现场不佩戴工作卡 门头未设置企业标志 3、施工 场地 工地地面未做硬化处理 道路不畅通 无排水设施、排水不通畅 无防止泥浆、污水、废水外流或堵塞下水道和排水河道措施 工地有积水的几处 工地未设置吸烟处、随意吸烟 温暖季节无绿化布置 4、材料 堆放 建筑材料、构件、料具不按总平面布局堆放 料堆未挂名称、品种、规格等标牌 堆放不整齐 未做到工完场地清 建筑垃圾维放不整齐、未标出名称、品种 易燃易爆物品未分类存放 5、现场 住宿 在建工程兼作住宿 施工作业区与办公、生 活 区不能 明 显 划 分 宿舍 无保暖和防煤 气 中 毒 措施 宿舍 无消 暑 和防蚊 虫 叮 咬 措施 无床 铺 、生 活 用 品放置不整齐 宿舍 周围环 境 不卫生 、不安 全 2 续表 SA-C1-8 检查项目 标准 检查情况 保证项目 6、现场 防火 无消防措施、制度或无消防器材 灭火器材配置不合理 无消防水源(高层建筑)或不能满足消防要求 无动火审批手续和动火监护 一般项目 7、治安综 合治理 生活区未给工人设置学习和娱乐场所 未建立治安保卫制度的、责任未分解到人 治安防范措施不利,常发生失盗事件 8、施工现 场标牌 大门口处挂的五牌一图、内容不全,缺项 标牌不规范、不整齐 无安全标语 无宣传栏、读报栏、黑板报等 9、生活 设施 厕所不符合卫生要求 无厕所,随地大小便 食堂不符合卫生要求 无卫生责任制 不能保证供应卫生饮水 无淋浴室或淋浴室不符合要求 生活垃圾末及时清理,未装容器,无专人管理 10、保健 急救 无保健医药箱 无急救措施和急救器材 无经培训的急救人员 未开展卫生防病宣传教育 11、社区 服务 无防粉尘、防噪音措施 夜间未经许可施工 现场焚烧有毒 、有害 物 质 未建立施工不扰 民 措施 检查员签 字 : 年 月 日 3 二、施工现场落地式脚手架检查表 表SA-C1-9-1 工程名称: 施工单位: 检查项目 标准 检查情况 保证项目 1、 施工方案 脚手...

1、当您付费下载文档后,您只拥有了使用权限,并不意味着购买了版权,文档只能用于自身使用,不得用于其他商业用途(如 [转卖]进行直接盈利或[编辑后售卖]进行间接盈利)。
2、本站所有内容均由合作方或网友上传,本站不对文档的完整性、权威性及其观点立场正确性做任何保证或承诺!文档内容仅供研究参考,付费前请自行鉴别。
3、如文档内容存在违规,或者侵犯商业秘密、侵犯著作权等,请点击“违规举报”。

碎片内容

施工现场文明施工检查表

小辰7+ 关注
实名认证
内容提供者

出售各种资料和文档

确认删除?
VIP
微信客服
  • 扫码咨询
会员Q群
  • 会员专属群点击这里加入QQ群
客服邮箱
回到顶部