电脑桌面
添加小米粒文库到电脑桌面
安装后可以在桌面快捷访问

火灾危险性分类及举例VIP免费

火灾危险性分类及举例_第1页
1/14
火灾危险性分类及举例_第2页
2/14
火灾危险性分类及举例_第3页
3/14
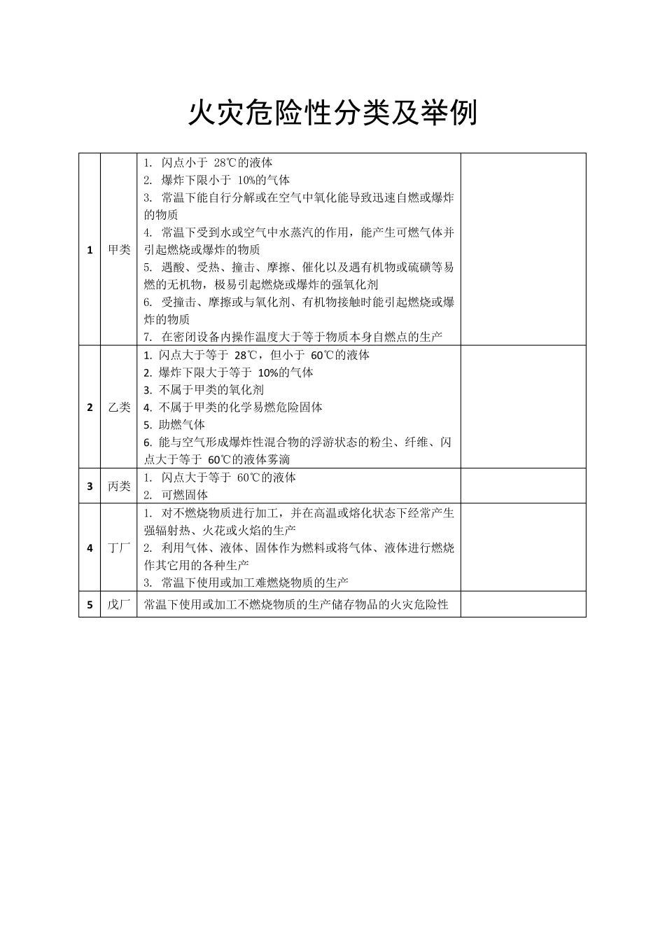
火灾危险性分类及举例 1 甲类 1. 闪点小于 28℃的液体 2. 爆炸下限小于 10%的气体 3. 常温下能自行分解或在空气中氧化能导致迅速自燃或爆炸的物质 4. 常温下受到水或空气中水蒸汽的作用,能产生可燃气体并引起燃烧或爆炸的物质 5. 遇酸、受热、撞击、摩擦、催化以及遇有机物或硫磺等易燃的无机物,极易引起燃烧或爆炸的强氧化剂 6. 受撞击、摩擦或与氧化剂、有机物接触时能引起燃烧或爆炸的物质 7. 在密闭设备内操作温度大于等于物质本身自燃点的生产 2 乙类 1. 闪点大于等于 28℃,但小于 60℃的液体 2. 爆炸下限大于等于 10%的气体 3. 不属于甲类的氧化剂 4. 不属于甲类的化学易燃危险固体 5. 助燃气体 6. 能与空气形成爆炸性混合物的浮游状态的粉尘、纤维、闪点大于等于 60℃的液体雾滴 3 丙类 1. 闪点大于等于 60℃的液体 2. 可燃固体 4 丁厂 1. 对不燃烧物质进行加工,并在高温或熔化状态下经常产生强辐射热、火花或火焰的生产 2. 利用气体、液体、固体作为燃料或将气体、液体进行燃烧作其它用的各种生产 3. 常温下使用或加工难燃烧物质的生产 5 戊厂 常温下使用或加工不燃烧物质的生产储存物品的火灾危险性 表2.1 甲类物品火灾危险性的特征及举例 序号 甲类物品火灾危险性 举例 作报告中新增 1 闪点<28℃的液体 己烷、戊烷、石脑油、环戊烷、二硫化碳、苯、甲苯、甲醇、乙醇、乙醚、蚁酸甲酯、醋酸甲脂、硝酸乙脂、汽油、丙酮、丙烯、乙醛、60 度以上的白酒等易燃液体 2 爆炸下限<10%的气体 乙炔、氢气、甲烷、乙烯、丙烯、丁二烯、环氧乙烷、水煤气、硫化氢、氯乙烯、液化石油气等易燃气体 3 常温下能自行分解或在空气中氧化既能导致迅速自燃或爆炸的物质 硝化棉、硝化纤维胶片、喷漆棉、火胶棉、赛璐珞棉、黄磷等易燃固体 4 常温下受到水或空气中水蒸气的作用能产生爆炸下限<10%的气体并引起着火或爆炸的物质 钾、钠、锂、钙、锶等碱金属和碱土金属;氢化锂、四氢化锂铝、氢化钠等金属的氢化物;电石、碳化铝等固体物质 5 遇酸、受热、撞击、摩擦以及遇有机物或硫磺等易燃的无机物,极易引起着火或爆炸的强氧化剂。 氯酸钾、氯酸钠、过氧化钾、过氧化钠、硝酸铵等强氧化剂 6 受撞击、摩擦或与氧化剂、有机物接触时能引起着火或爆炸的物质 赤磷、五硫化磷、三硫化磷等易燃固体均属此类。 表2.2 甲类生产工艺火灾危险性的特征及举例 序号 甲类生产工...

1、当您付费下载文档后,您只拥有了使用权限,并不意味着购买了版权,文档只能用于自身使用,不得用于其他商业用途(如 [转卖]进行直接盈利或[编辑后售卖]进行间接盈利)。
2、本站所有内容均由合作方或网友上传,本站不对文档的完整性、权威性及其观点立场正确性做任何保证或承诺!文档内容仅供研究参考,付费前请自行鉴别。
3、如文档内容存在违规,或者侵犯商业秘密、侵犯著作权等,请点击“违规举报”。

碎片内容

火灾危险性分类及举例

您可能关注的文档

小辰6+ 关注
实名认证
内容提供者

出售各种资料和文档

确认删除?
VIP
微信客服
  • 扫码咨询
会员Q群
  • 会员专属群点击这里加入QQ群
客服邮箱
回到顶部