电脑桌面
添加小米粒文库到电脑桌面
安装后可以在桌面快捷访问

施工电梯基础及防护架专业技术交底VIP免费

施工电梯基础及防护架专业技术交底_第1页
1/8
施工电梯基础及防护架专业技术交底_第2页
2/8
施工电梯基础及防护架专业技术交底_第3页
3/8
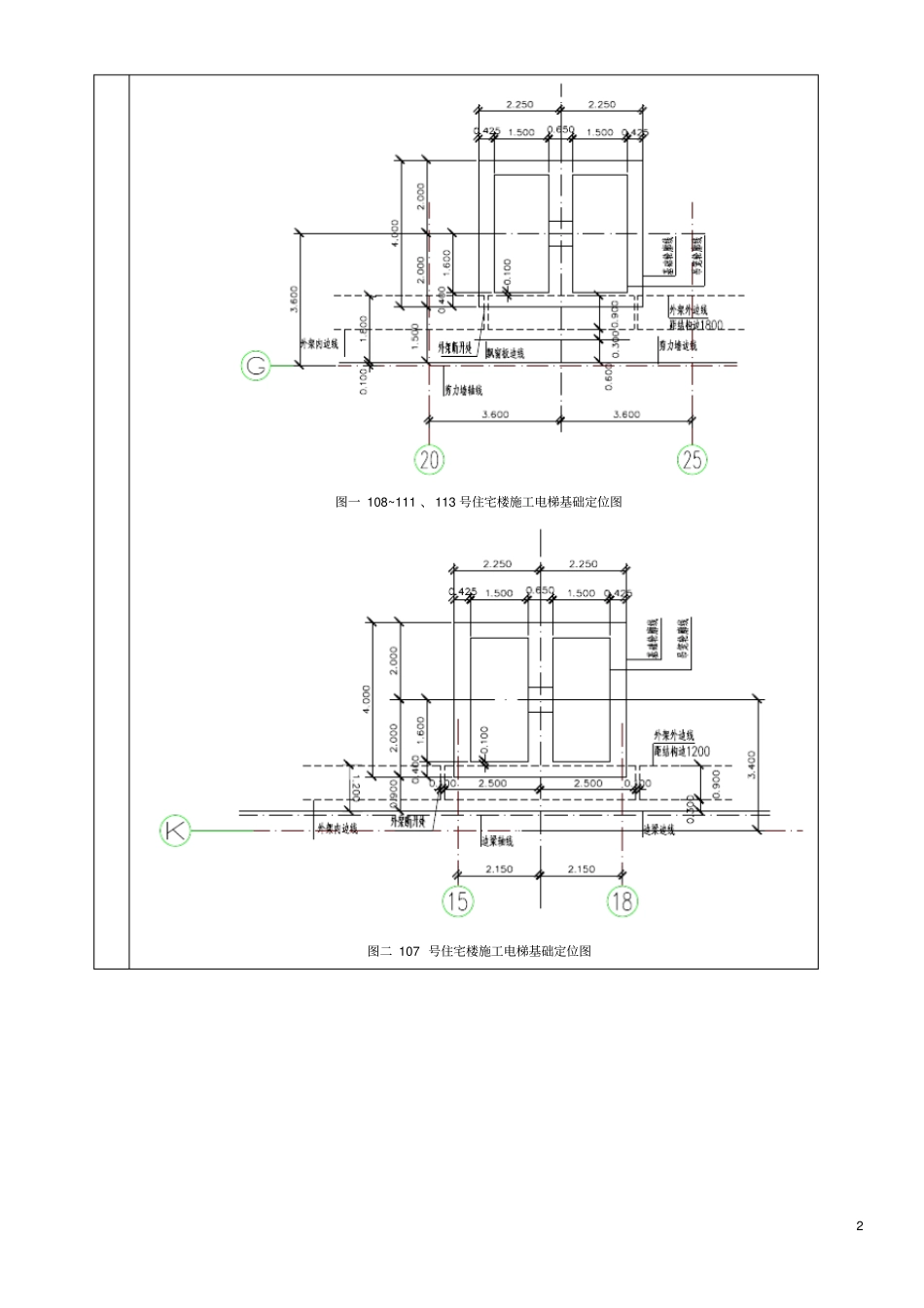
1 施工电梯基础及防护架分项工程质量技术交底卡GD2301003□□总承包施工单位广东腾越建筑工程有限公司单位(子单位)工程名称碧桂园天麓山花园二期工程分部工程施工电梯交底部位施工电梯基础、防护架日期2013 年 7 月 23 日交底内容一、施工准备1、通过全站仪确定施工电梯基础中心及四个角点坐标,确保基础定位准确无误;2、施工电梯坐落在车库顶板、降板等复杂位置时,应提前做好场地准备,车库顶板应提前做好支撑、回顶。3、基础钢筋绑扎完,应通知厂家做好电梯基础预埋件的安装。二、材料准备1、基础回顶材料:立杆、水平杆、剪刀撑:φ 48.3*3.6,间距 500*500 ;扣件;顶托;木枋;模板2、基础支模材料主楞: φ 48.3*3.6双钢管,间距500;次楞: 50mm×100mm木枋,间距250;面板: 1830×915mm×18mm多层木胶合板;张拉螺杆: φ 12 高强对拉螺杆。三、工艺流程施工电梯场地清理→电梯基础定位 →基础侧模安装、固定→基础钢筋绑扎 →电梯预埋件安装、固定 →预埋件位置复合→基础混凝土浇筑、养护→施工电梯安装 →电梯防护架搭设→施工电梯使用、维护→电梯自爬升三、主要施工方法及构造要求 1 、施工电梯定位本工程共7 栋高层,每栋主楼安装一个施工电梯作为垂直运输及人员上下工具,各楼号施工电梯定位如下:2 图一 108~111 、 113 号住宅楼施工电梯基础定位图图二 107 号住宅楼施工电梯基础定位图3 图三 112 号住宅楼施工电梯基础定位图2、施工电梯基础设计本工程所有施工电梯基础坐落在地下车库顶板上,基础顶面标高为36.2m。基础承台尺寸为4.5m*4.0m*0.4m ,混凝土强度等级为C40,承台配筋为C12@200双层双向。施工电梯基础承台部位5.0m*4.5m 范围车库顶板需进行回顶,立杆为φ 48.3*3.6钢管,间距 500*500 ,步距 1.2m,扫地杆距地200,周圈满设封闭剪刀撑。回顶采用顶托承重。基础承台跨越顶降板区时,采用垫梁支撑,垫梁尺寸为500*800 ,配筋详图五,承台与顶板降板 400 高差用钢管脚手架回撑,带施工电梯拆除后再拆除回撑。回撑采用双扣件支撑。4 图四非跨越降板施工电梯基础及回顶布置图5 图五跨降板位置施工电梯基础及回顶图3、施工电梯安装及使用防护围栏:由门、侧墙板等拼装而成的一个地面围栏,以防人或物随意闯入升降机工作区,以防安全。围栏门上还装有机械电气连锁装置,当围栏门关上以后,吊笼才能起动上升,机械联锁一旦锁住,就无法打开,直至吊笼降至地面方可打开。导轨...

1、当您付费下载文档后,您只拥有了使用权限,并不意味着购买了版权,文档只能用于自身使用,不得用于其他商业用途(如 [转卖]进行直接盈利或[编辑后售卖]进行间接盈利)。
2、本站所有内容均由合作方或网友上传,本站不对文档的完整性、权威性及其观点立场正确性做任何保证或承诺!文档内容仅供研究参考,付费前请自行鉴别。
3、如文档内容存在违规,或者侵犯商业秘密、侵犯著作权等,请点击“违规举报”。

碎片内容

施工电梯基础及防护架专业技术交底

您可能关注的文档

确认删除?
VIP
微信客服
  • 扫码咨询
会员Q群
  • 会员专属群点击这里加入QQ群
客服邮箱
回到顶部