电脑桌面
添加小米粒文库到电脑桌面
安装后可以在桌面快捷访问

防火卷帘门维护服务协议VIP免费

防火卷帘门维护服务协议_第1页
1/4
防火卷帘门维护服务协议_第2页
2/4
防火卷帘门维护服务协议_第3页
3/4
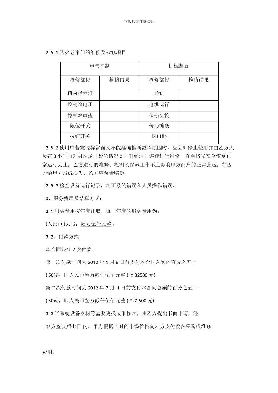
下载后可任意编辑防火卷帘门维护服务协议甲方: 北京北辰嘉权时代名门商业有限公司乙方: 北京巨银环发科技进展有限公司 为保证甲方时代名门百货防火卷帘门的正常运行和使用,经甲乙双方友好协商.特签订此系统维护协议。 1、服务项目名称: 北京北辰嘉权时代名门商场防火卷帘门维护服务。 2、服务范围: 北京北辰嘉权时代名门商场防火卷帘门共计 4 樘。 2. 1 乙方负责巡查服务范围内的防火卷帘门并定期进行调试保养,巡查中一旦发现防火卷帘门发生故障、缺损或存在安全隐患应立即予以维修并及时通知甲方;年终进行年度检测维修保养并出具年度报告;以上报告须在检测维修保养后七天内呈报甲方工程部,其具体措施如下表:按保养周期对卷帘门做全面维护、保养并出具维修保养报告。 2. 2 对因老化或损坏而不能正常工作的设备器材进行返厂维修的更换; 2. 3 根据甲方需要对系统的运行、改造或升级提供技术方案和建议; 2. 4 根据甲方需要,提供对操作人员的指导或培训; 2. 5 定期到现场对系统设备进行检查和维护。检查和维护的内容包括: 保养项目 保养方法 保养周期 导轨 加塞黄油 月,季度检测 左右托板及轴承 加塞黄油月,季度检测 传动链条及链轮 检查、校调加塞黄油 月、季度检测 减速器 检查、校调加塞黄油 月、季度检测 电器 检查元件是否松脱 月、季度检测 应联接紧固件 拉紧紧固件 月、季度检测 卷帘运行 机械及电器是否正常 月、季度检测下载后可任意编辑 2. 5. 1 防火卷帘门的维修及检修项目电气控制机械装置检修部位检修结果检修部位检修结果箱内指示灯导轨控制箱电压电机运行控制箱电流传动齿轮限位开关传动链条按钮开关封口码 2. 5. 2 使用中若发现异常而又不能准确推断故障原因时,应立即停止使用并由乙方人员在 3 小时内赶封现场(紧急情况 2 小时到达)连续进行维修,直至修妥安全恢复正常运行为止,乙方进行的维修、检测及保养工作不应影响甲方商户的正常营运,如因此给甲方造成损失,乙方应负责赔偿。 2. 5. 3 检查设备运行记录,纠正系统错误和人员操作错误。 3、服务费用及结算方式: 3. 1 服务费用按年度计取,每一年度的服务费用为: (人民币 )大写:陆万伍仟元整 ; 3. 2、付款方式 本合同共分 2 次付款。 第一次付款时间为 2012 年 1 月 8 日前支付本合同总额的百分之五十 ( 50%),即人民币叁万贰仟伍佰元整 ( ¥32500 元) 第二次...

1、当您付费下载文档后,您只拥有了使用权限,并不意味着购买了版权,文档只能用于自身使用,不得用于其他商业用途(如 [转卖]进行直接盈利或[编辑后售卖]进行间接盈利)。
2、本站所有内容均由合作方或网友上传,本站不对文档的完整性、权威性及其观点立场正确性做任何保证或承诺!文档内容仅供研究参考,付费前请自行鉴别。
3、如文档内容存在违规,或者侵犯商业秘密、侵犯著作权等,请点击“违规举报”。

碎片内容

防火卷帘门维护服务协议

确认删除?
VIP
微信客服
  • 扫码咨询
会员Q群
  • 会员专属群点击这里加入QQ群
客服邮箱
回到顶部