电脑桌面
添加小米粒文库到电脑桌面
安装后可以在桌面快捷访问

001基坑开挖技术交底VIP免费

001基坑开挖技术交底_第1页
1/9
001基坑开挖技术交底_第2页
2/9
001基坑开挖技术交底_第3页
3/9
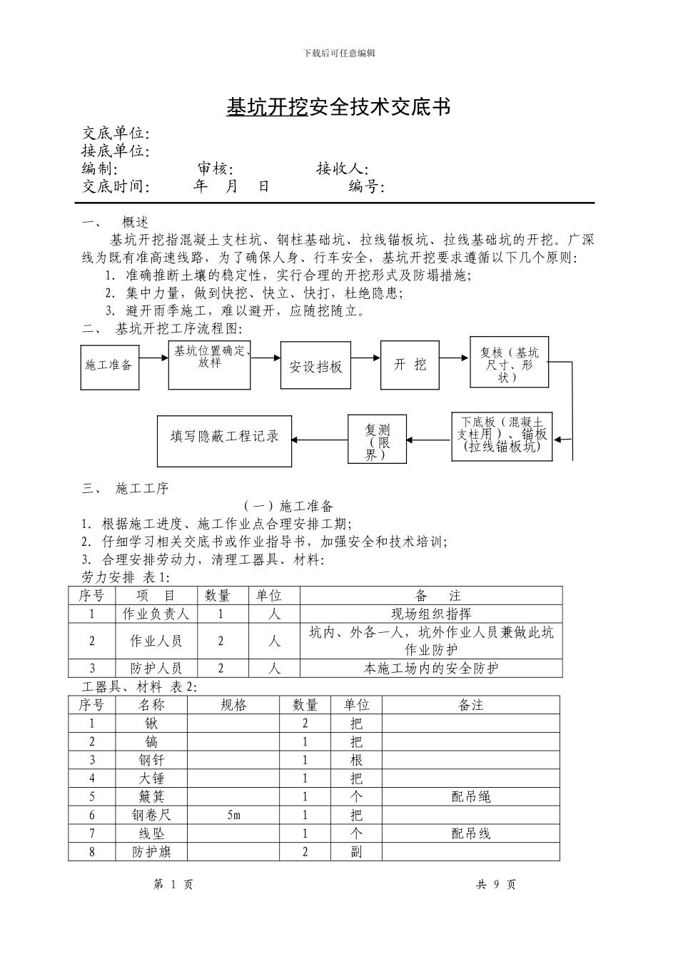
下载后可任意编辑基坑开挖安全技术交底书交底单位: 接底单位: 编制: 审核: 接收人:交底时间: 年 月 日 编号:一、概述 基坑开挖指混凝土支柱坑、钢柱基础坑、拉线锚板坑、拉线基础坑的开挖。广深线为既有准高速线路,为了确保人身、行车安全,基坑开挖要求遵循以下几个原则:1. 准确推断土壤的稳定性,实行合理的开挖形式及防塌措施;2. 集中力量,做到快挖、快立、快打,杜绝隐患;3. 避开雨季施工,难以避开,应随挖随立。二、 基坑开挖工序流程图: 三、 施工工序(一)施工准备1.根据施工进度、施工作业点合理安排工期;2.仔细学习相关交底书或作业指导书,加强安全和技术培训;3.合理安排劳动力,清理工器具、材料:劳力安排 表 1:序号项 目数量单位备 注1作业负责人1人现场组织指挥2作业人员2人坑内、外各一人,坑外作业人员兼做此坑作业防护3防护人员2人本施工场内的安全防护工器具、材料 表 2:序号名称规格数量单位备注1锹2把2镐1把3钢钎1根4大锤1把5簸箕1个配吊绳6钢卷尺5m1把7线坠1个配吊线8防护旗2副第 1 页 共 9 页基坑位置确定、放样安设挡板开 挖施工准备复核(基坑尺寸、形状)填写隐蔽工程记录复测(限界)下底板(混凝土支柱用)、锚板(拉线锚板坑)下载后可任意编辑9对讲机3只10安全帽5只11反光带5条12编织带落干条13木板10~20mm落干块14底板根据设计选型1块只有混凝土支柱坑需要 (二)等径混凝土支柱坑开挖1、基坑位置的确定钢轨上测量标识只能作为参考,现场应根据设计图纸复核钢轨上测量标记,内容包括:支柱侧面限界、支柱类型、横卧板、底板型号和数量以及纵向测量时确定的支柱中心线;下锚支柱的坑位同时要考虑它的拉线锚板或拉线基础坑是否有位置,能不能满足打拉线的要求,此类坑要求同时开挖,能够及时发现问题;临时迁改时,要查看现场基坑位置立杆后,支柱与带电体的绝缘距离、人在上部作业的安全距离;查看基坑的位置与信号机的距离是否满足要求,是否挡到信号机。2、基坑放样广深四线所用混凝土支柱均为等径混凝土圆杆,支柱侧面限界(Cx )就是指轨平面处线路中心到支柱内侧的距离。 Cx 底板 d2 d1 基坑长度 图 2-1 等径混凝土支柱坑放样图表 3 等径混凝土支柱所用底板和横卧板尺寸名称长*宽(mm)厚(mm)孔径 (mm)孔间距(mm)Ⅰ 型底板600*600150Φ420Ⅱ 型底板800*800150Φ420Ⅲ 型底板1000*1000150Φ420Ⅰ 型横卧板900*400130420Ⅱ 型横卧板1200...

1、当您付费下载文档后,您只拥有了使用权限,并不意味着购买了版权,文档只能用于自身使用,不得用于其他商业用途(如 [转卖]进行直接盈利或[编辑后售卖]进行间接盈利)。
2、本站所有内容均由合作方或网友上传,本站不对文档的完整性、权威性及其观点立场正确性做任何保证或承诺!文档内容仅供研究参考,付费前请自行鉴别。
3、如文档内容存在违规,或者侵犯商业秘密、侵犯著作权等,请点击“违规举报”。

碎片内容

001基坑开挖技术交底

您可能关注的文档

确认删除?
VIP
微信客服
  • 扫码咨询
会员Q群
  • 会员专属群点击这里加入QQ群
客服邮箱
回到顶部