电脑桌面
添加小米粒文库到电脑桌面
安装后可以在桌面快捷访问

20工程建设安全文明施工管理规定VIP免费

20工程建设安全文明施工管理规定_第1页
1/19
20工程建设安全文明施工管理规定_第2页
2/19
20工程建设安全文明施工管理规定_第3页
3/19
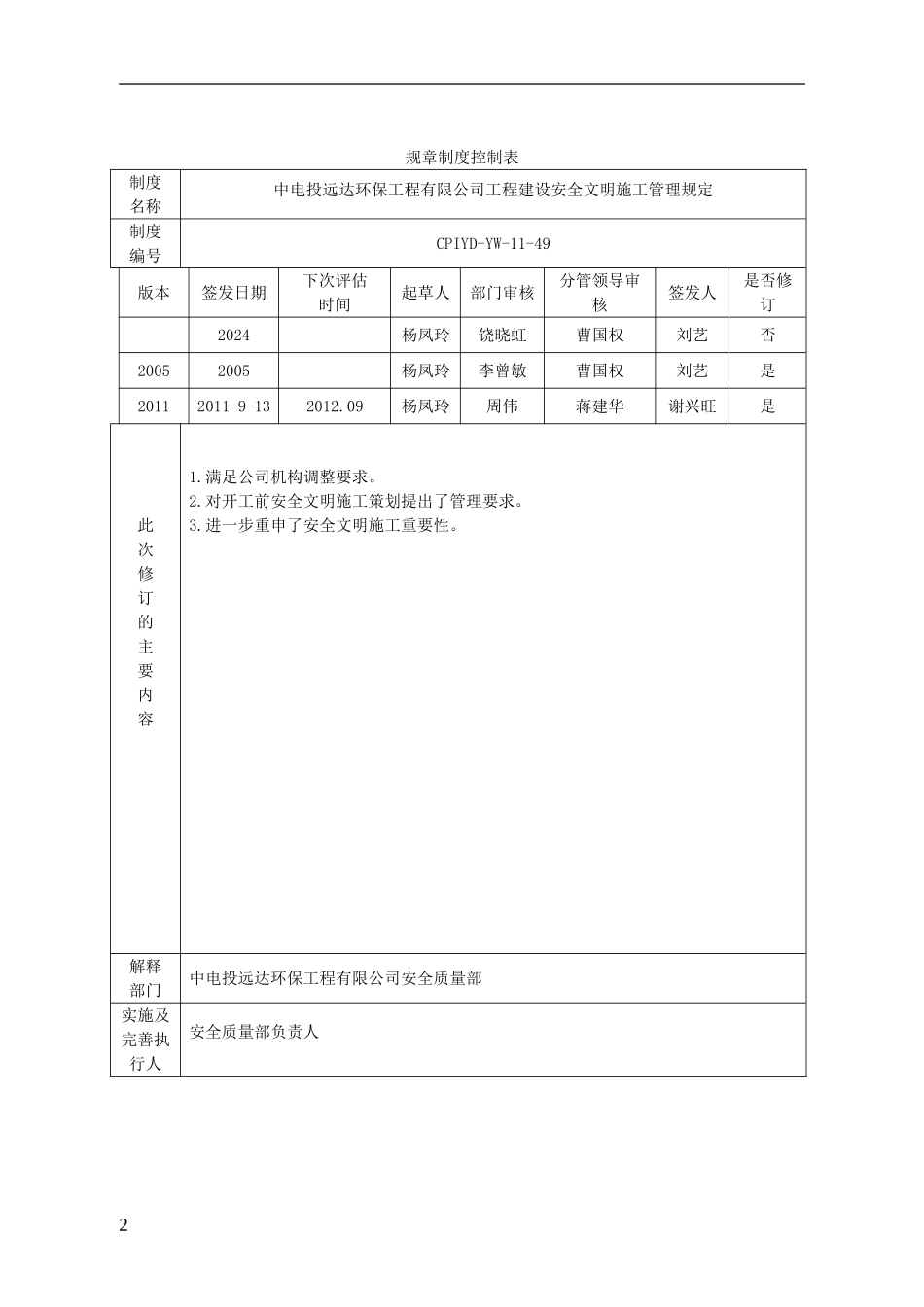
下载后可任意编辑中电投远达环保工程有限公司规章制度发布通知2011 年第 44 号《中电投远达环保工程有限公司工程建设安全文明施工管理规定》已经于 2011 年 9 月 13 日通过,现予发布,自发布之日起施行。 二 O 一一年九月十三日1总经理:规章制度控制表制度名称中电投远达环保工程有限公司工程建设安全文明施工管理规定制度编号CPIYD-YW-11-49版本签发日期下次评估时间起草人部门审核分管领导审核签发人是否修订2024杨凤玲饶晓虹曹国权刘艺否20052005杨凤玲李曾敏曹国权刘艺是20112011-9-132012.09杨凤玲周伟蒋建华谢兴旺是此次修订的主要内容1.满足公司机构调整要求。2.对开工前安全文明施工策划提出了管理要求。3.进一步重申了安全文明施工重要性。解释部门中电投远达环保工程有限公司安全质量部实施及完善执行人安全质量部负责人2下载后可任意编辑中电投远达环保工程有限公司工程建设安全文明施工管理规定1 目的为提高公司工程建设安全文明施工管理水平,改善作业环境,塑造企业良好形象,制定本规定。2 适用范围本规定适用于公司所有在建工程项目,上级管理部门对核电项目有其他要求的,遵从其规定。3 职责3.1 安全质量部是公司安全文明施工监督管理的归口管理部门,负责本规定执行情况的指导、检查和综合考评。3.2 工程建设事业部(筹)是公司工程建设安全文明施工管理的责任部门。负责组织制定工程项目安全文明施工策划方案,负责指导、检查、考核工程项目安全文明施工管理,推广先进管理经验,不断提高安全文明施工管理水平。33.3 设计中心负责在工程项目总平面设计时,充分考虑施工土石方堆放、施工产生“三废”(废物、废水、废气)、噪声排放的处理方案以及竣工后施工区域的绿化方案,并为工程建设全过程的安全文明施工提供技术支持。3.4 工程项目部是安全文明施工的实施责任主体。负责制定本项目安全文明施工管理实施细则、责任制度和奖惩制度,加强安全文明施工宣传教育;负责落实上级主管部门有关安全文明施工管理要求,根据“谁施工谁负责”的原则,划分安全文明施工责任区。4 工作内容、程序及要求4.1 施工准备阶段文明施工管理4.1.1 安全文明施工法律规范化标准化的策划4.1.1.1 工程建设事业部(筹)负责根据国家、电力行业、集团公司、九龙公司和公司有关规定,组织工程项目安全文明施工法律规范化标准化的策划,策划应包括安全设施和文明施工4下载后可任意编辑法律规范化标准化两方面内容:1)安全设施...

1、当您付费下载文档后,您只拥有了使用权限,并不意味着购买了版权,文档只能用于自身使用,不得用于其他商业用途(如 [转卖]进行直接盈利或[编辑后售卖]进行间接盈利)。
2、本站所有内容均由合作方或网友上传,本站不对文档的完整性、权威性及其观点立场正确性做任何保证或承诺!文档内容仅供研究参考,付费前请自行鉴别。
3、如文档内容存在违规,或者侵犯商业秘密、侵犯著作权等,请点击“违规举报”。

碎片内容

20工程建设安全文明施工管理规定

您可能关注的文档

确认删除?
VIP
微信客服
  • 扫码咨询
会员Q群
  • 会员专属群点击这里加入QQ群
客服邮箱
回到顶部