电脑桌面
添加小米粒文库到电脑桌面
安装后可以在桌面快捷访问

线号机使用规范VIP免费

线号机使用规范_第1页
1/9
线号机使用规范_第2页
2/9
线号机使用规范_第3页
3/9
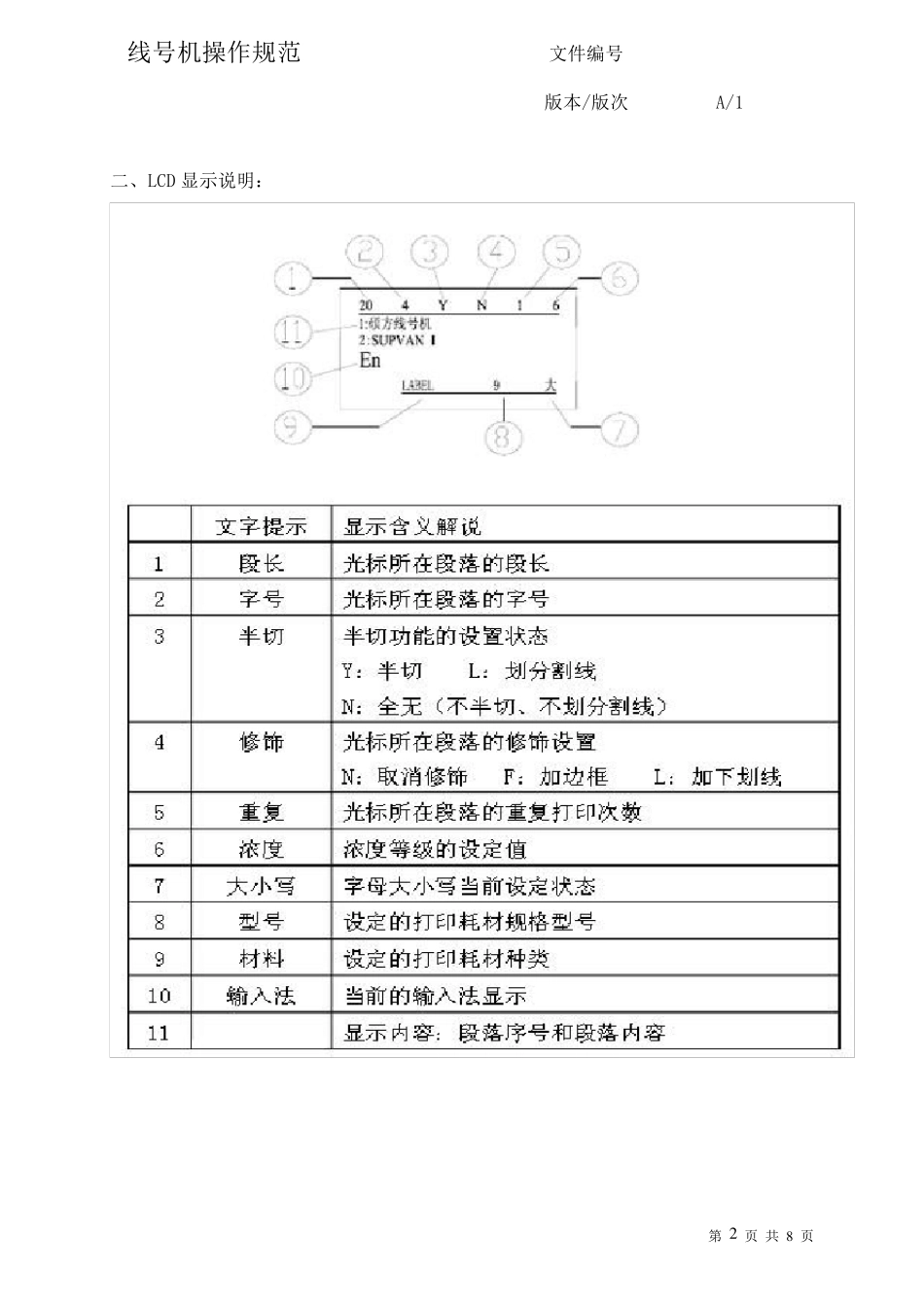
线号机操作规范 文件编号 版本/版次 A/1 欧鹏巴赫科技有限公司 线号机操作规范 文件编号:OPBH-W -SC003-08 版本/版次:VER 1/1 发行日期:2013-11-28 核准: 审核: 编制: 版本/版次 修订内容 修改日期 修改人 线号机操作规范 文件编号 版本/版次 A/1 第 1 页 共 8 页 一、界面说明: 序号 名称 1 全切按钮 2 上盖 3 贴纸、套管观察窗口 4 电源开关(线号机后侧) 5 色带观察窗口 6 开盖按钮 7 下外壳 8 上外壳 9 键盘 10 LCD 显示屏 1 10 5 9 3 8 6 7 2 4 线号机操作规范 文件编号 版本/版次 A/1 第 2 页 共 8 页 二、LCD 显示说明: 线号机操作规范 文件编号 版本/版次 A/1 第 3 页 共 8 页 三、使用说明: 3.1、上电:线号机插上电源,打开电源开关, 3.2、安装:打开上盖安装套管及色带;安装套管前请先确认套管调整器的旋钮处于放松位置,把套管调整器拿出后,再把套管从右侧穿过套管调整器,穿完再把套管调整器放入线号机卡槽内,保证套管穿过半切刀 5 厘米,将套管调整器旋钮左旋至压紧位置,套管安装完毕。安装色带,安装色带前如色带有松弛的,先将色带卷紧再放入卡槽内,将压紧旋钮右旋至压紧位置,色带安装完成。安装完成后把上盖盖上, 注:上盖必须盖好,否则不能正常打印。 3.3、材料选项:进入材料选项,选择 套管后 ,按【Enter】,屏幕显示如下图所示: 说明:  0.52、0.752、1.02套管请选择 Ø 3,可打印 1、2、3 号字;  1.52、2.52套管请选择 Ø 5,可打印 1、2、3、4 号字;  4.02、6.02套管请选择 Ø 6,可打印 1、2、3、4、5、号字。 按照已安装的套管规格用左右键做出正确选择,按【Enter】,进入文档输入界面。 线号机操作规范 文件编号 版本/版次 A/1 第 4 页 共 8 页 3 .4 、打印 3.4.1、单次打印:本机重复默认值为1。输入要打印的文字、字母或符号,如:依次输入OFFNENBACH 屏幕则显示 : ;按【Enter】,下一段自动生成,屏幕将显示: 再输入“欧鹏巴赫”则为 : ; 如需输入其它内容,按上诉方式继续输入,屏幕编号将显示1:、2:、3:、...,直到输完为止。 输完按下【取消】键后,再按【打印】 键,本机将以输入的内容自动打印出来,打印过程中 LCD 将显示: ;打印完毕后,自动返回文档输入界面。按下全切按钮将套管完全切断,本次操作完成。全切按钮如下图:...

1、当您付费下载文档后,您只拥有了使用权限,并不意味着购买了版权,文档只能用于自身使用,不得用于其他商业用途(如 [转卖]进行直接盈利或[编辑后售卖]进行间接盈利)。
2、本站所有内容均由合作方或网友上传,本站不对文档的完整性、权威性及其观点立场正确性做任何保证或承诺!文档内容仅供研究参考,付费前请自行鉴别。
3、如文档内容存在违规,或者侵犯商业秘密、侵犯著作权等,请点击“违规举报”。

碎片内容

线号机使用规范

确认删除?
VIP
微信客服
  • 扫码咨询
会员Q群
  • 会员专属群点击这里加入QQ群
客服邮箱
回到顶部