电脑桌面
添加小米粒文库到电脑桌面
安装后可以在桌面快捷访问

结构钢中碳及合金元素的作用VIP免费

结构钢中碳及合金元素的作用_第1页
1/11
结构钢中碳及合金元素的作用_第2页
2/11
结构钢中碳及合金元素的作用_第3页
3/11
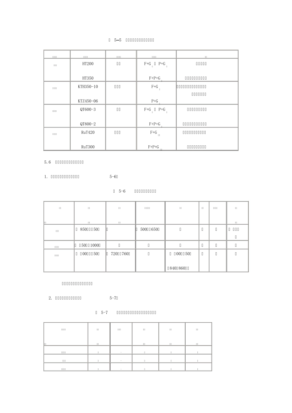
结构钢中碳及合金元素的作用 1. 结构钢中碳及合金元素的作用 ( 1) 碳 其主要作用是保证钢的硬度、强度与韧性。例如,普通低碳钢中的低碳就是为了保证钢的良好韧性、优秀的加工工艺性能(焊接与压力加工工艺性),调质钢中的中碳是为了保证经热处理后该钢具有良好的综合力学性能,渗碳钢中的低碳是 为保证工件心部具有良好的韧性(而表面层的高硬度则由渗碳+相应的热处理工艺来保证),弹簧钢中的中、高碳是 为保证钢的高强度(弹性极限、疲劳强度)。特例:滚动轴承钢中的高碳则是为了保证该钢的高硬度、高耐磨性,这又与工具钢相同。 ( 2) 合金元素 其主要作用可概括为: 主加元素(Cr、 Mn、 Ni、 Si)—— 提高淬透性、强化铁素体; 辅加元素(W、 Mo、 V、 Ti)—— 细化晶粒、进一步提高淬透性。 例如,在调质钢中主加元素的作用就是提高淬透性、强化铁素体(微量的合金元素B 也具有此作用),这样可确保工件在较大截面上均可获得马氏体组织、从而使回火后该钢具有良好的综合力学性能,而辅加元素的作用则起到在淬火加热时可阻止奥氏体晶粒长大(即细化晶粒)、进一步提高钢的淬透性,同时W、Mo 又具有防止第二类回火脆性的作用;弹簧钢中主加元素的作用除具有提高淬透性、强化铁素体外,还可提高钢的弹性极限、屈服强度的作用。[特例:滚动轴承钢中Cr 的主要作用是增加钢的淬透性、同时又起着细化晶粒、提高耐磨性的作用,而对大型轴承而言,还须在该钢中加入Si 、Mn 等以使淬透性进一步提高;低合金结构钢中主加元案为Mn 、 Cr,因为该钢一般不经过淬火处理,故其作用应主要为固溶强化、细化晶粒、降低韧一脆转折温度的作用,而辅加元素V、T i 、 Nb、 A l 等元素也起着细化晶粒.沉淀强化的作用。] 2.工具钢中碳及合金元素的作用 ( 1) 碳 其主要作用是保证高硬度与高耐磨性。〔特例:热作模具钢中含有中碳(0.3%— 0.6%的碳),主要是为了保证较高的韧性及热疲劳抗力〕. ( 2) 合金元素 其主要作用可概括为: 主加元素(Cr、W、Mo、V)—— 使钢具有高硬度和高耐磨性; 辅加元素(Cr 、Mn、 Si 、 Ni)—— 减少工具在热处理时的变形,增加钢的淬透性和回火稳定性。 例如:低合金刃具钢、冷作模具钢中合金元素的作用基本如此;高速钢中合金元素主要作用应分别牢记:W (Mo)——提高红硬性,Cr ——提高淬透性, V——提高耐磨性。 〔特例...

1、当您付费下载文档后,您只拥有了使用权限,并不意味着购买了版权,文档只能用于自身使用,不得用于其他商业用途(如 [转卖]进行直接盈利或[编辑后售卖]进行间接盈利)。
2、本站所有内容均由合作方或网友上传,本站不对文档的完整性、权威性及其观点立场正确性做任何保证或承诺!文档内容仅供研究参考,付费前请自行鉴别。
3、如文档内容存在违规,或者侵犯商业秘密、侵犯著作权等,请点击“违规举报”。

碎片内容

结构钢中碳及合金元素的作用

小辰+ 关注
实名认证
内容提供者

出售各种文档和资料

确认删除?
VIP
微信客服
  • 扫码咨询
会员Q群
  • 会员专属群点击这里加入QQ群
客服邮箱
回到顶部