电脑桌面
添加小米粒文库到电脑桌面
安装后可以在桌面快捷访问

给排水、采暖、通风空调工程施工方案VIP免费

给排水、采暖、通风空调工程施工方案_第1页
1/8
给排水、采暖、通风空调工程施工方案_第2页
2/8
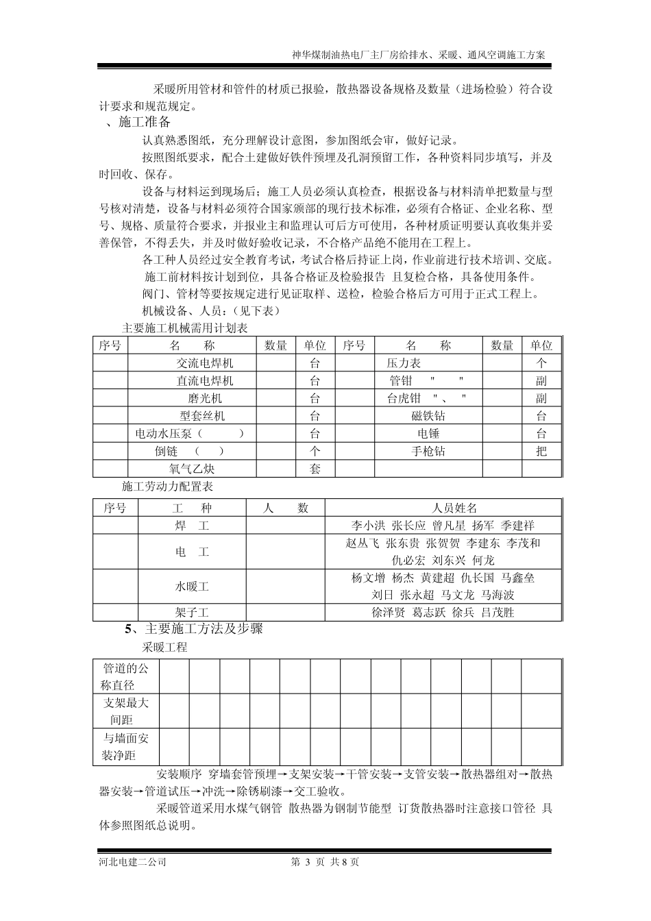
给排水、采暖、通风空调工程施工方案_第3页
3/8
神华煤制油热电厂主厂房给排水、采暖、通风空调施工方案 河北电建二公司 第 1 页 共 8 页 神华 2×100MW煤制油自备电厂 主厂房给排水、采暖、通风空调施工方案 1、编制依据 《主厂房 BC列零米、5.0层通风空调施工图》F569S-N0205 《主厂房 BC列 9.0米层集中控制室、电子设备间集中空调布置图》F569S-N0206 《煤仓间采暖施工图》F569S-N0302 《汽机房室内生产、生活上下水道安装图》F569S-S0501 《煤仓间上下水及冲洗水管道安装图》F569S-SO5O1 《建筑排水硬聚氯乙烯管道工程技术规范》CBJ/T29-98 《设备安装建筑通用图集》91SB、92DQ 《建筑工程质量检验评定标准》GBJ301-88 《建筑工程施工质量验收统一标准》GB50300-2001 《电力建设施工质量验评标准》(安装工程篇) 《电力建设安全工作规程》DL5009.1-92 《电力建设安全健康与环境管理工作规定》 《电力建设施工质量验收及评定规程》(第一部分 土建部分)DL/T5210.1-2006 《建筑采暖卫生与煤气工程质量检验评定标准》GBJ302-88 《通风与空调工程质量验收规程》GB50243-2002 《建筑给排水及采暖工程施工验收规范》GB50242-2002 2、工程概况 神华电厂位于内蒙古上湾镇北侧,主厂房位于煤制油生产厂区内西部 ,±0.000相当于绝对标 H=1177.2高。本方案施工范围为主厂房基础~41.2m层,局部(1)轴~(3)轴为51.3m、(17)轴~(19)轴为43.97m的建筑采暖、通风空调、上下水、消防水管道安装。 2.1采暖 采暖室外设计温度为:采暖室外设计温度为-18°C,室内设计温度为5°C计算维护结构热负荷(计算时不考虑设备、管道散热量),其它个各房间的室内采暖计算温度请分别见各层采暖平面图。采暖热煤为:A~B列间散热器采暖系统和热风采暖系统为0.4MPa的饱和蒸汽,B~C列间散热器采暖系统为110~70°C的高温热水。各系统的采暖热负荷分别为:1号机汽机房蒸汽采暖散热器系统热负荷 597KW,2号机汽机房蒸气采暖散热器系统热负荷699.8KW,1号汽机房和 2号汽机房热风采暖系统的热负荷分别为340KW;B~C列固定端热水采暖系统采暖热负荷 94.27KW,固定端±0.000层楼梯间采暖热负荷 18KW。扩建端热水采暖热负荷 31.7KW。 煤仓间 32.50m及 44.10m层(1)~(6)轴柱、37.0m层(1)~(19)轴柱蒸汽采暖供汽总管接 C8号输煤栈桥蒸汽采暖蒸汽总管,凝结水回水总管接 13.90米层蒸汽采暖凝结水回水总管;采暖热媒为0.4Mpa的饱和蒸汽(1)~(6)轴柱间采暖系统的热负荷为:155KW,(6)~...

1、当您付费下载文档后,您只拥有了使用权限,并不意味着购买了版权,文档只能用于自身使用,不得用于其他商业用途(如 [转卖]进行直接盈利或[编辑后售卖]进行间接盈利)。
2、本站所有内容均由合作方或网友上传,本站不对文档的完整性、权威性及其观点立场正确性做任何保证或承诺!文档内容仅供研究参考,付费前请自行鉴别。
3、如文档内容存在违规,或者侵犯商业秘密、侵犯著作权等,请点击“违规举报”。

碎片内容

给排水、采暖、通风空调工程施工方案

确认删除?
VIP
微信客服
  • 扫码咨询
会员Q群
  • 会员专属群点击这里加入QQ群
客服邮箱
回到顶部