电脑桌面
添加小米粒文库到电脑桌面
安装后可以在桌面快捷访问

绝缘电阻测试记录表6新VIP免费

绝缘电阻测试记录表6新_第1页
1/6
绝缘电阻测试记录表6新_第2页
2/6
绝缘电阻测试记录表6新_第3页
3/6
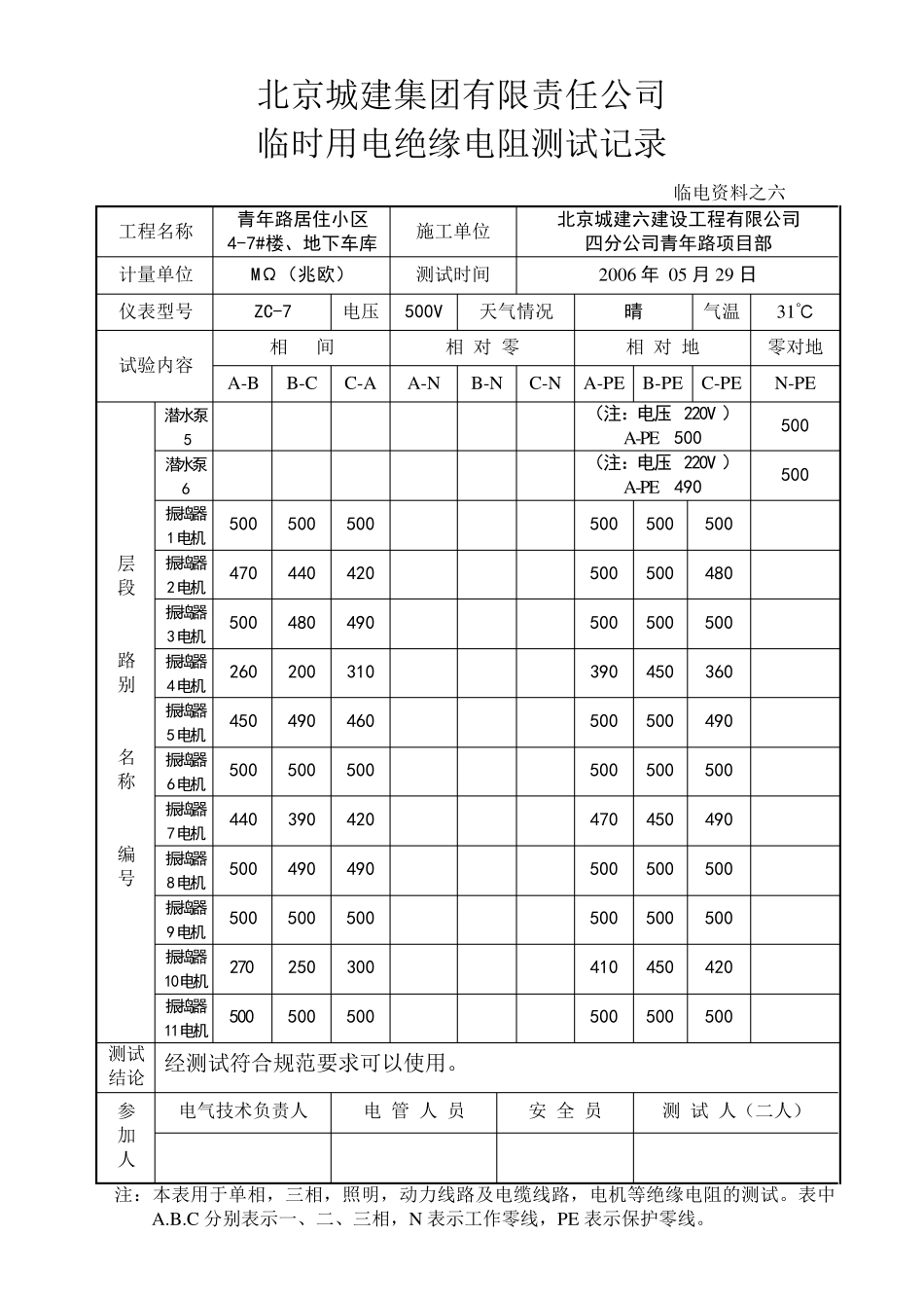
北京城建集团有限责任公司 临时用电绝缘电阻测试记录 临电资料之六 工程名称 青年路居住小区4-7#楼、地下车库 施工单位 北京城建六建设工程有限公司 四分公司青年路项目部 计量单位 MΩ(兆欧) 测试时间 2006 年 05 月 28 日 仪表型号 ZC-7 电压 500V 天气情况 晴 气温 29℃ 试验内容 相 间 相 对 零 相 对 地 零对地 A-B B-C C-A A-N B-N C-N A-PE B-PE C-PE N-PE 层 段 路 别 名 称 编 号 弯曲机1 电机 500 500 490 500 500 500 弯曲机2电机 480 500 480 500 500 500 弯曲机3 电机 500 500 500 500 500 500 弯曲机4 电机 470 420 430 490 500 470 切断机1电机 500 480 490 500 500 500 切断机2电机 260 230 210 450 430 480 切断机3电机 450 490 460 490 500 490 切断机4电机 500 500 500 500 500 500 切断机5电机 380 390 420 450 480 430 调直机1电机 500 490 490 500 500 500 调直机2电机 500 500 500 500 500 500 调直机3电机 270 270 300 470 390 460 无齿锯1电机 500 500 500 500 500 500 测试结论 经测试符合规范要求可以使用。 参 加 人 电气技术负责人 电 管 人 员 安 全 员 测 试 人(二人) 注:本表用于单相,三相,照明,动力线路及电缆线路,电机等绝缘电阻的测试。表中A.B.C 分别表示一、二、三相,N 表示工作零线,PE 表示保护零线。 北京城建集团有限责任公司 临时用电绝缘电阻测试记录 临电资料之六 工程名称 青年路居住小区4-7#楼、地下车库 施工单位 北京城建六建设工程有限公司 四分公司青年路项目部 计量单位 MΩ(兆欧) 测试时间 2006 年 05 月 28 日 仪表型号 ZC-7 电压 500V 天气情况 晴 气温 29℃ 试验内容 相 间 相 对 零 相 对 地 零对地 A-B B-C C-A A-N B-N C-N A-PE B-PE C-PE N-PE 层 段 路 别 名 称 编 号 无齿锯2电机 480 500 490 500 500 500 无齿锯3电机 480 500 480 500 500 500 无齿锯4电机 500 500 500 500 500 500 无齿锯5电机 470 490 420 500 500 500 无齿锯6电机 500 480 490 500 500 500 无齿锯7电机 260 210 210 390 420 430 砼输送 泵1电机 450 490 480 500 500 500 砼输送 泵2电机 500 500 500 500...

1、当您付费下载文档后,您只拥有了使用权限,并不意味着购买了版权,文档只能用于自身使用,不得用于其他商业用途(如 [转卖]进行直接盈利或[编辑后售卖]进行间接盈利)。
2、本站所有内容均由合作方或网友上传,本站不对文档的完整性、权威性及其观点立场正确性做任何保证或承诺!文档内容仅供研究参考,付费前请自行鉴别。
3、如文档内容存在违规,或者侵犯商业秘密、侵犯著作权等,请点击“违规举报”。

碎片内容

绝缘电阻测试记录表6新

小辰7+ 关注
实名认证
内容提供者

出售各种资料和文档

确认删除?
VIP
微信客服
  • 扫码咨询
会员Q群
  • 会员专属群点击这里加入QQ群
客服邮箱
回到顶部