电脑桌面
添加小米粒文库到电脑桌面
安装后可以在桌面快捷访问

绝缘电阻测试记录表VIP免费

绝缘电阻测试记录表_第1页
1/40
绝缘电阻测试记录表_第2页
2/40
绝缘电阻测试记录表_第3页
3/40
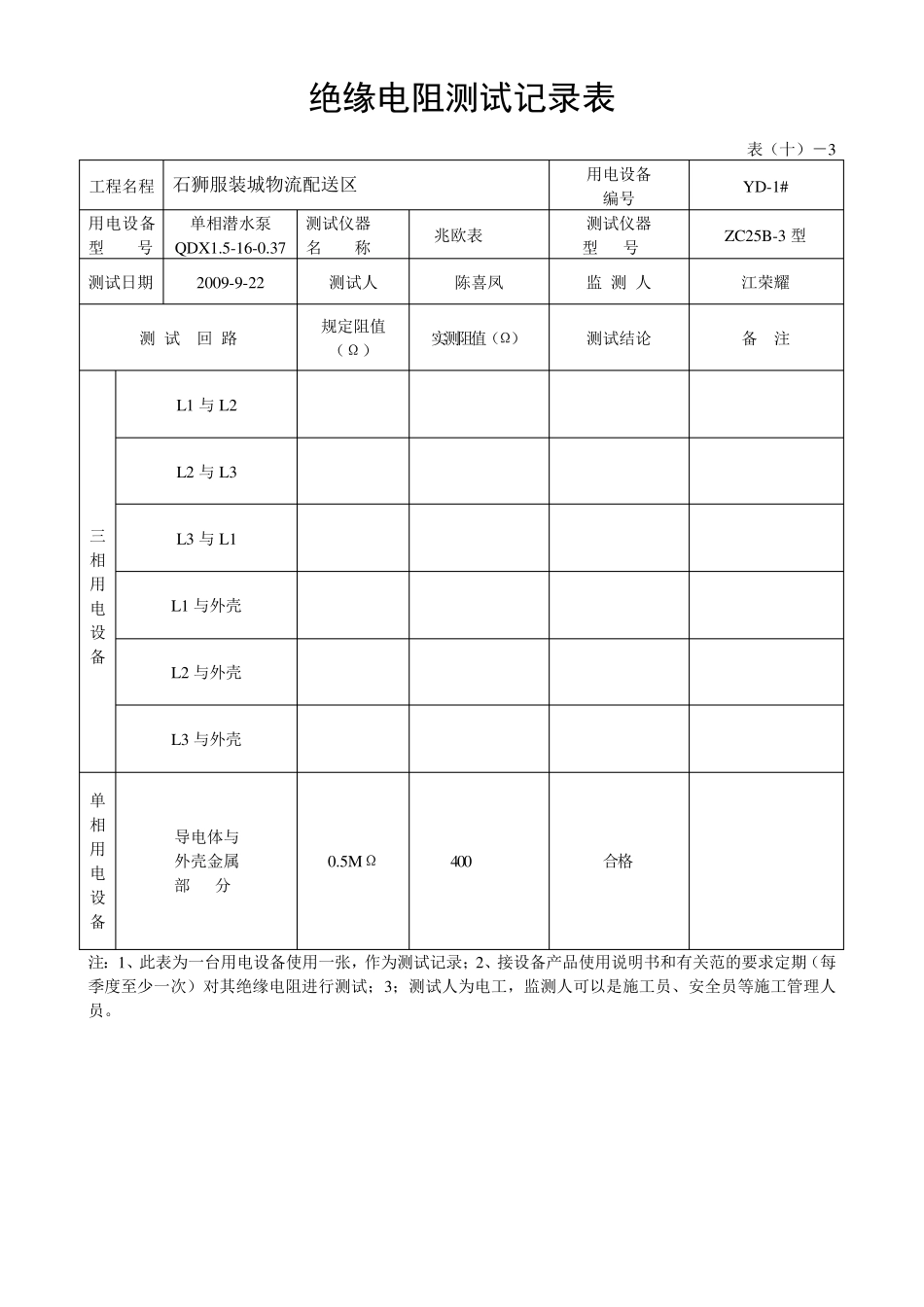
绝缘电阻测试记录表 表(十)-3 工程名程 石狮服装城物流配送区 用电设备 编号 YD-1# 用电设备型 号 单相潜水泵QDX1.5-16-0.37 测试仪器 名 称 兆欧表 测试仪器 型 号 ZC25B-3 型 测试日期 2009-9-22 测试人 陈喜凤 监 测 人 江荣耀 测 试 回 路 规定阻值(Ω) 实测阻值(Ω) 测试结论 备 注 三 相 用 电设备 L1 与 L2 L2 与 L3 L3 与 L1 L1 与外壳 L2 与外壳 L3 与外壳 单相用电设备 导电体与 外壳金属 部 分 0.5MΩ 400 合格 注:1、此表为一台用电设备使用一张,作为测试记录;2、接设备产品使用说明书和有关范的要求定期(每季度至少一次)对其绝缘电阻进行测试;3;测试人为电工,监测人可以是施工员、安全员等施工管理人员。 绝缘电阻测试记录表 表(十)-3 工程名程 石狮服装城物流配送区 用电设备 编号 YD-2# 用电设备型 号 三相潜水泵QDX2.2-16-0.37 测试仪器 名 称 兆欧表 测试仪器 型 号 ZC25B-3 型 测试日期 2009-9-22 测试人 陈喜凤 监 测 人 江荣耀 测 试 回 路 规定阻值(Ω) 实测阻值(Ω) 测试结论 备 注 三 相 用 电设备 L1 与 L2 20MΩ 400 合格 L2 与 L3 20MΩ 300 合格 L3 与 L1 20MΩ 400 合格 L1 与外壳 0.5MΩ 300 合格 L2 与外壳 0.5MΩ 200 合格 L3 与外壳 0.5MΩ 200 合格 单相用电设备 导电体与 外壳金属 部 分 注:1、此表为一台用电设备使用一张,作为测试记录;2、接设备产品使用说明书和有关范的要求定期(每季度至少一次)对其绝缘电阻进行测试;3;测试人为电工,监测人可以是施工员、安全员等施工管理人员。 绝缘电阻测试记录表 表(十)-3 工程名程 石狮服装城物流配送区 用电设备 编号 YD-3# 用电设备型 号 三相潜水泵QDX2.2-16-0.37 测试仪器 名 称 兆欧表 测试仪器 型 号 ZC25B-3 型 测试日期 2009-9-22 测试人 陈喜凤 监 测 人 江荣耀 测 试 回 路 规定阻值(Ω) 实测阻值(Ω) 测试结论 备 注 三 相 用 电设备 L1 与 L2 20MΩ 300 合格 L2 与 L3 20MΩ 300 合格 L3 与 L1 20MΩ 400 合格 L1 与外壳 0.5MΩ 300 合格 L2 与外壳 0.5MΩ 200 合格 L3 与外壳 0.5MΩ 300 合格 单相用电设备 导电体与 外壳金属 部 分 注: 1、此表为一台用电设备使用一张,作为...

1、当您付费下载文档后,您只拥有了使用权限,并不意味着购买了版权,文档只能用于自身使用,不得用于其他商业用途(如 [转卖]进行直接盈利或[编辑后售卖]进行间接盈利)。
2、本站所有内容均由合作方或网友上传,本站不对文档的完整性、权威性及其观点立场正确性做任何保证或承诺!文档内容仅供研究参考,付费前请自行鉴别。
3、如文档内容存在违规,或者侵犯商业秘密、侵犯著作权等,请点击“违规举报”。

碎片内容

绝缘电阻测试记录表

小辰8+ 关注
实名认证
内容提供者

出售各种资料和文档

确认删除?
VIP
微信客服
  • 扫码咨询
会员Q群
  • 会员专属群点击这里加入QQ群
客服邮箱
回到顶部