电脑桌面
添加小米粒文库到电脑桌面
安装后可以在桌面快捷访问

继电保护配置及整定计算VIP免费

继电保护配置及整定计算_第1页
1/32
继电保护配置及整定计算_第2页
2/32
继电保护配置及整定计算_第3页
3/32
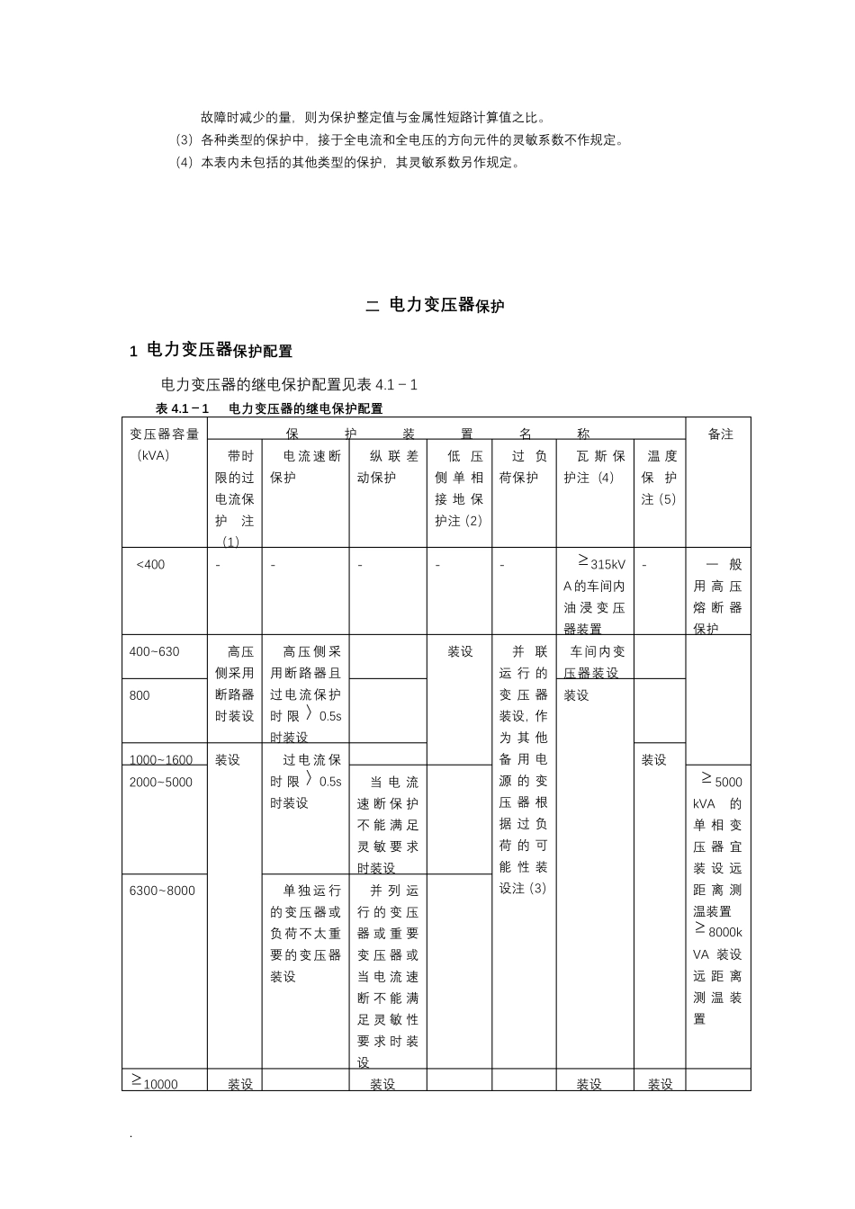
. 一 继 电 保 护 灵 敏 系 数 灵敏性是指在电力设备或线路的被保护范围内发生金属性短路时,保护装置应具有必要的灵敏系数。灵敏系数应根据不利的正常(含正常检修)运行方式和不利的故障类型计算,但可不考虑可能性很小的情况。灵敏系数应满足有关设计规范与技术规程的要求,当不满足要求时,应对保护动作电流甚至保护方案进行调整。 灵敏系数 Km 为保护区发生短路时,流过保护安装处的最小短路电流 Ik·min 与保护装置一 次 动作电流 Idz 的比 值 ,即 : Km= Ik·min/ Idz。 式中 : Ik·min 为流过保护安装处的最小短路电流,对多 相 短路保护,Ik·min 取 两 相 短路电流最小值Ik2·min; 对 66KV、 35KV、 6~10kV 中 性点 不接 地 系统 的单 相 短路保护,取 单 相 接 地 电容 电流最小值Ic·min; 对 110kV 中 性点 接 地 系统 的单 相 短路保护,取 单 相 接 地 电流最小值Ik1·min; Idz 为保护装置一 次 动作电流。 各 类短路保护的最小灵敏系数列 于 表1.1 表 1.1 短 路 保 护 的 最 小 灵 敏 系 数 保护分 类 保 护 类 型 组 成 元 件 灵 敏 系数 备 注 主 保护 带方向和不带方向的电流保护或电压保护 电流元件和电压元件 1.3~1.5 200km 以上线路,不小于1.3;(50~200)km 线路,不小于1.4;50km 以下线路,不小于1.5 零序或负序方向元 件 1.5 线路纵联保护 跳闸元 件 2.0 对高阻接地故障的测量元件 1.5 个别情况下,为 1.3 变压器、电动机纵差保护 差动电流元件的启动电流 1.5 按照保护安装处短路计算 变压器、线路和电动机电流速断保护 电流元件 1.5 后备保护 远后备保护 电流、 电压和阻抗元 件 1.2 按照相 邻电力设备和线路末端短路计算 (短路电流应为阻抗元件 精 确 工 作电流 1.5 倍 以上),可考虑相 继 动作 零序和负序方向元 件 1.5 近 后备保护 电流、 电压和阻抗元 件 1.3 按照线路末端 短路计算 零序和负序方向元 件 2.0 辅 助 保护 电流速断保护 1.2 按照正常运行方式保护安装处短路计算 注: (1)保护的灵敏系数除 表中注明 者 外 ,均 按被保护线路(设备)末端 短路计算。 (2)保护装置如 反 映 故障时增 长 的量,其 灵敏系数为金属性短路计算值与保护整定 值之 比;如 反 映. 故 障 时 减 少 的 量...

1、当您付费下载文档后,您只拥有了使用权限,并不意味着购买了版权,文档只能用于自身使用,不得用于其他商业用途(如 [转卖]进行直接盈利或[编辑后售卖]进行间接盈利)。
2、本站所有内容均由合作方或网友上传,本站不对文档的完整性、权威性及其观点立场正确性做任何保证或承诺!文档内容仅供研究参考,付费前请自行鉴别。
3、如文档内容存在违规,或者侵犯商业秘密、侵犯著作权等,请点击“违规举报”。

碎片内容

继电保护配置及整定计算

小辰7+ 关注
实名认证
内容提供者

出售各种资料和文档

确认删除?
VIP
微信客服
  • 扫码咨询
会员Q群
  • 会员专属群点击这里加入QQ群
客服邮箱
回到顶部