电脑桌面
添加小米粒文库到电脑桌面
安装后可以在桌面快捷访问

无损检测管理程序VIP免费

无损检测管理程序_第1页
1/4
无损检测管理程序_第2页
2/4
无损检测管理程序_第3页
3/4
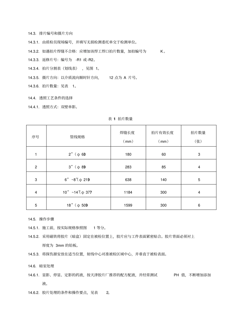
1.目的本程序规定了管道焊接施工中焊缝无损检测的管理要求。10.适用范围本程序适用于本公司所有焊接施工工程中无损检测的管理。11.编制依据11.1. 劳动部 1996 年 4 月 23 日颁布的《压力管道安全管理与监察规定》11.2. 国家质监局锅发[2000]99 号《压力管道安装资格认可实施细则》11.3. 国务院 2003 年 3 月 11 日颁布的《特种设备安全监察条例》11.4. GB3323 — 87 《钢熔化焊对接接头射线照相和质量分级》11.5. 《ASME 锅炉及压力容器规范》第 V 卷第 2 章 《射线照相检验》12.无损检测人员要求12.1. 所有从事探伤的人员均应经过培训,并按照《锅炉压力容器无损检测人员资格考核规则》进行考核,获取相应的初、中或高级资格证书,各技术等级只能从事与该等级相应的无损检测工作。13.探伤质量控制程序探伤质量控制程序见图1。14.检测14.1. 检测时间14.1.1. 焊后 24 小时且表面检验合格后。焊缝内外表面的波痕与不平度与底片缺陷影像混淆时,则应采用适当的方法去除。14.2. 设备及器材的选择14.2.1. 设备:选用TS-100(Ir192 源) 1 台。14.2.2. 胶片: AGFA C4 胶片,用片规格80×180mm。14.2.3. 象质计: ASME 透度计。14.2.4. 增感屏:选用铅箔增感屏,规格80×180×0.1-0.2mm 。14.2.5. 暗袋:人造革暗袋,背后贴附“ B”铅字标记。14.2.6. 标记带及定位标记和识别标记布置规则,见图2。图 1 ××(3) ××(4) ××(5) ××(6) (2)+(1)(2) (1) 中心标记(2) 搭接标记(3) 管线号(4) 焊工号(5) 焊口号(6) 片号注:象质计金属丝横跨焊缝并垂直于焊缝方向,细丝置于外侧。图 2 确定验收标准,填写检测申请单质检员制定检测工艺,实施检测无损检测责任工程师拍片RT I 级人员暗室处理RT I 级人员初评片RT II 级人员复评片RT II 级人员出具检测报告RT II 级人员审查检测报告检测责任工程师拍片质量差,分析原因通知重拍RT II 级拍片质量差,分析原因通知重拍RT II 级检测不符要求或有疑问,重拍RT II 级RT N N N Y Y Y Y N 检测不符要求或有疑问,重拍N 14.3. 排片编号和摄片方向14.3.1. 由质检员现场编号,并填写无损检测委托单交于检测单位。14.3.2. 如遇拍片焊缝不合格:应增加该焊工焊口拍片数量,加拍编号为K 。14.3.3. 返修片号:编号为-R1 或-R2。14.3.4. 拍片分割表(划线表) ,见图 1。14.3.5. 摄片方向:以介质流向顺时针方向,12 点...

1、当您付费下载文档后,您只拥有了使用权限,并不意味着购买了版权,文档只能用于自身使用,不得用于其他商业用途(如 [转卖]进行直接盈利或[编辑后售卖]进行间接盈利)。
2、本站所有内容均由合作方或网友上传,本站不对文档的完整性、权威性及其观点立场正确性做任何保证或承诺!文档内容仅供研究参考,付费前请自行鉴别。
3、如文档内容存在违规,或者侵犯商业秘密、侵犯著作权等,请点击“违规举报”。

碎片内容

无损检测管理程序

爱的疯狂+ 关注
实名认证
内容提供者

该用户很懒,什么也没介绍

确认删除?
VIP
微信客服
  • 扫码咨询
会员Q群
  • 会员专属群点击这里加入QQ群
客服邮箱
回到顶部