电脑桌面
添加小米粒文库到电脑桌面
安装后可以在桌面快捷访问

智能交通实训试验室设备参数要求VIP免费

智能交通实训试验室设备参数要求_第1页
1/3
智能交通实训试验室设备参数要求_第2页
2/3
智能交通实训试验室设备参数要求_第3页
3/3
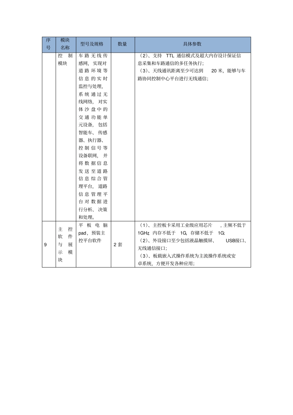
智能交通实训实验室设备参数要求序号模块名称型号及规格数量具体参数1 道路仿真沙盘定 制 , 大 小3m*2m,包括城 市 道 路 主体、建筑物、路灯、信号灯等 所 有 道 路环境。6平 方米(1)、建筑外立面表现:采用工程塑料ABS 板和亚克力板,针对建筑的不同表现形态分别制作,呈现逼真效果;(2)、建筑玻璃表现:采用有机透明玻璃和适当厚度的 ABS板为材料写实制作玻璃窗框;(3)、道路制作:采用ABS 进行制作,严格按指定色彩通过喷漆打点等方法逼真制作;在道路两旁栽种行道树及路灯;在绿地中铺置小路,进行逼真表现。(4)、停车位制作:在车位两段栽种绿色乔木;车位数量和大小根据需求订制。2 交通信号控制器支 持 单 点 与绿 波 控 制 功能3 台(1)、通讯控制处理器:32 位工业级处理器,工作频率不低于72Mhz,SRAM不低于 64k,存储不低于 512K Flash ;(2)、支持至少4 路的弱电信号的微缩信号灯接入;3 RFID检测器检 测 交 通 流量 , 支 持RS232、RS-485 通 信接口6 个(1)、可进行流量监测、车辆定位,支持隐藏安装于沙盘各路段的路面下;(2)、支持将检测的脉冲信号转化为无线信号,可以与车路协同控制中心平台进行实时通讯,实现与信号控制系统、信号控制机、智能微缩车的数据交互4 智能微缩车采 用 模 块 化设计,便于装配、设备扩展和功能扩展。智 能 车 辆 集成 了ZigBee无线通讯、 红外光电传感、霍 尔 编 码 反馈、直流电机伺 服 驱 动 等外 围 应 用 的综 合 机 电 控制系统, 可以实现寻迹、 避障、无线通讯6 辆(1)、通讯控制处理器:32 位工业级处理器,工作频率不低于72Mhz,SRAM不低于 64k,存储不低于 512K Flash ;(2)、直流电机驱动:集成电机驱动芯片,具备至少两路直流电机;巡线壁障传感器:(3)、支持接入至少4 路红外光电传感器,光学反射式模拟输出;(4)、支持接入至少2 路超声波测距传感器;(5)、通讯控制单元:至少支持WiFi 、ZigBee 、UART控制;序号模块名称型号及规格数量具体参数控制等功能。在该平台上,智 能 车 辆 具有 根 据 预 先规划的路径、寻 线 运 行 的能力,即能够在 智 能 交 通沙盘上, 按照道路规划线,自动运行。5 汽车自适应巡航控制模块光 电 感 应 控制6 套(1)、支持多路广电漫反射传感器;(2)、能够识别行车轨迹信号,实现车辆的巡航自适应控制;(3)、...

1、当您付费下载文档后,您只拥有了使用权限,并不意味着购买了版权,文档只能用于自身使用,不得用于其他商业用途(如 [转卖]进行直接盈利或[编辑后售卖]进行间接盈利)。
2、本站所有内容均由合作方或网友上传,本站不对文档的完整性、权威性及其观点立场正确性做任何保证或承诺!文档内容仅供研究参考,付费前请自行鉴别。
3、如文档内容存在违规,或者侵犯商业秘密、侵犯著作权等,请点击“违规举报”。

碎片内容

智能交通实训试验室设备参数要求

您可能关注的文档

确认删除?
VIP
微信客服
  • 扫码咨询
会员Q群
  • 会员专属群点击这里加入QQ群
客服邮箱
回到顶部