电脑桌面
添加小米粒文库到电脑桌面
安装后可以在桌面快捷访问

xx家园7号商住楼工程VIP免费

xx家园7号商住楼工程_第1页
1/53
xx家园7号商住楼工程_第2页
2/53
xx家园7号商住楼工程_第3页
3/53
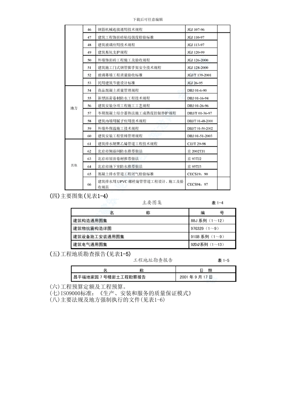
下载后可任意编辑xxx施工组织设计一、编制依据(一)招标文件(见表1-1)(二)施工图(三)主要法律规范、规程(见表1-3)下载后可任意编辑下载后可任意编辑(四)主要图集(见表1-4)(五)工程地质勘查报告(见表1-5)(六)工程预算定额及工程预算。(七)ISO9000标准:《生产、安装和服务的质量保证模式》(八)主要法规及地方强制执行的文件(见表1-6)下载后可任意编辑二、工程概况(一)总体情况(见表2-1)〈2〉建筑设计概况(见表2-2)下载后可任意编辑〈3〉结构设计概况(见表2-3)下载后可任意编辑(四)专业设备概况:1. 给水系统给水系统共分为生活给水系统,室内消火栓系统,地下室、底商自动喷水系统。(1) 生活给水系统分为二区供水,三层以下为市政直接供水,三层以上由泵房内的变频供水设备供水,全楼各卫生间均设卡式水表一块。(2) 消防系统:消防水源为市政自来水供应,室外设300m3 消防水池,水池内储存2h 消火栓,1h 自喷用水量,消防水泵设在地下一层泵房内,楼屋顶水箱间内设有消防水箱及增压设备。室内消火栓给水系统,本楼均由屋顶水箱及消防泵供给。全楼各楼梯间均设消防暗箱及防排烟井。本楼设置80 具MF3 手提式磷酸铵盐干粉灭火器。注:九层每单元电梯间内设置两具,地下室至二层,每个消火栓下设置两具。(3) 本楼地下室库房、底商均设置自动喷水灭火系统。2. 排水系统本工程排水共设12 道排水系统,各卫生间各设一道。生活污水采纳芯层发泡UPVC 排水管。地下室排水管道均采纳机制柔性接口,铸铁排水管。雨水外排水管采纳芯层发泡UPVC 排水管。雨水内排水管采纳镀锌钢管。3. 采暖系统室内采暖由地下室设备间内的板式热交换机组定压控制供给。用户采暖按共用立管的分户独立系统分设,每户采纳中供式(局部采纳埋地敷设)双管异程式系统,散热器采纳钢制频焊翅片管散热器,每组散热器上设温控阀进行室温控制。4. 通风本工程通风设施与采暖系统相互配套,自地下室设置高速防排烟系统,通过混流式通风机、风道,传送到风叶防火排烟口、排烟道通风换气。5. 电气工程概况电气工程为三类负荷设置,其中消防用电为二类负荷,共分为:普通电气照明系统,应急照明系统、消防用电系统、动力运行系统(电梯)及防雷接地系统等。6. 室内电梯工程概况本工程共设三部乘客电梯,每单元楼梯间内各设一部。自地下室至楼顶贯穿,其型号为PW13/10-19 型,载重量为1t。7. 智能电气概况本工程共分为计算机网络系统,电话有线系统,有线电视系统,可视对...

1、当您付费下载文档后,您只拥有了使用权限,并不意味着购买了版权,文档只能用于自身使用,不得用于其他商业用途(如 [转卖]进行直接盈利或[编辑后售卖]进行间接盈利)。
2、本站所有内容均由合作方或网友上传,本站不对文档的完整性、权威性及其观点立场正确性做任何保证或承诺!文档内容仅供研究参考,付费前请自行鉴别。
3、如文档内容存在违规,或者侵犯商业秘密、侵犯著作权等,请点击“违规举报”。

碎片内容

xx家园7号商住楼工程

您可能关注的文档

确认删除?
VIP
微信客服
  • 扫码咨询
会员Q群
  • 会员专属群点击这里加入QQ群
客服邮箱
回到顶部