电脑桌面
添加小米粒文库到电脑桌面
安装后可以在桌面快捷访问

Ⅳ级围岩开挖技术交底VIP免费

Ⅳ级围岩开挖技术交底_第1页
1/4
Ⅳ级围岩开挖技术交底_第2页
2/4
Ⅳ级围岩开挖技术交底_第3页
3/4
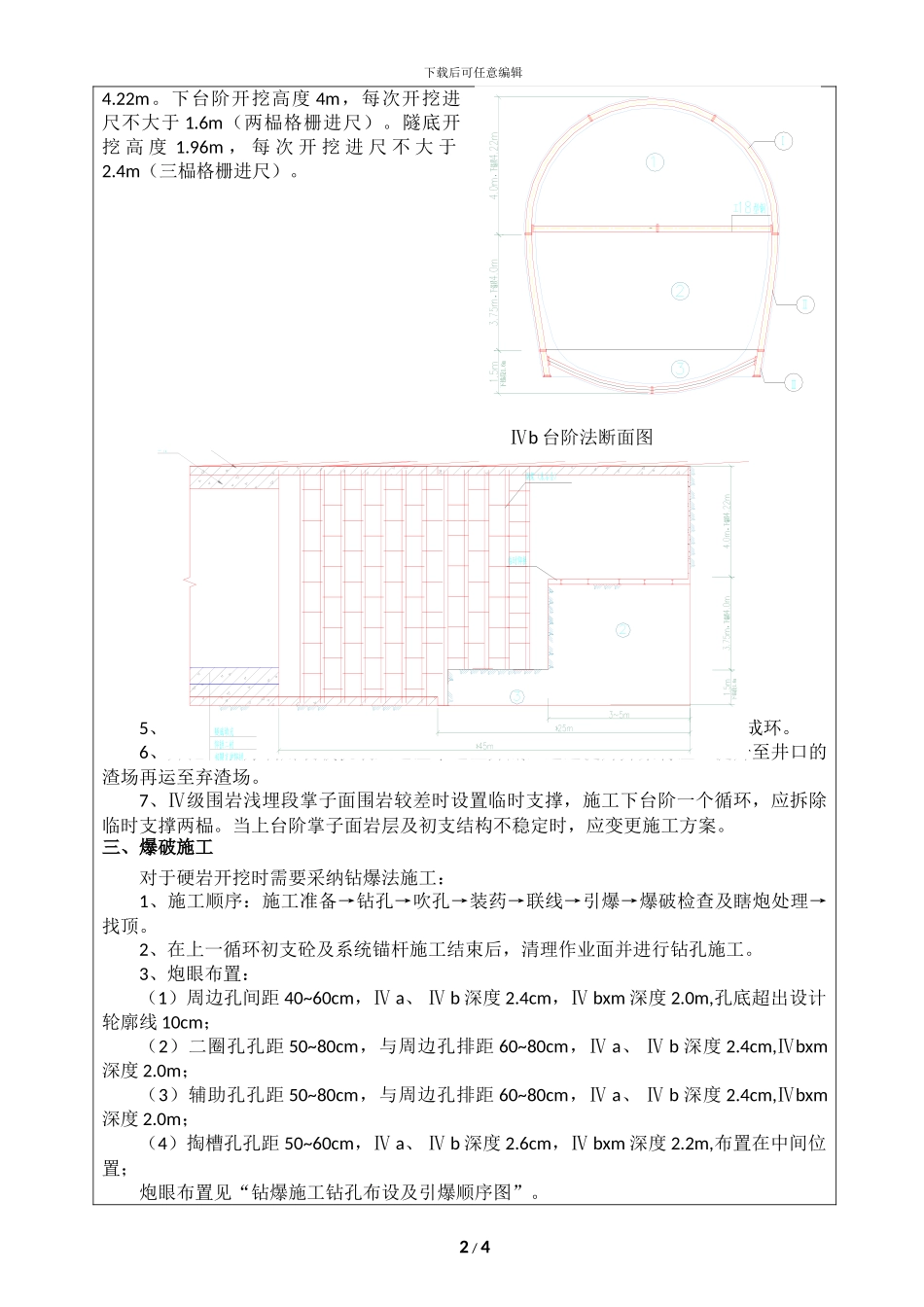
下载后可任意编辑安全 环保 技术 质量交底卡 施工班组:开挖班 编号: 保存期:3 年项目名称广东珠三角轨道交通穗莞深城际铁路 SZH-2 标工程部位太平隧道厚虎暗挖区间工作内容Ⅳ 级围岩洞身开挖交底内容:一、使用范围本交底适用于Ⅳ级围岩浅埋段Ⅳ b、Ⅳ bxm、深埋段Ⅳ a 开挖施工工法交底。二、施工方法1、Ⅳ级围岩开挖以钻爆法为主、机械配合作业,开挖断面时需要测放开挖轮廓线,隧道中线和高程线,确保开挖面合格。2、开挖工法为台阶法。Ⅳ级围岩浅埋段Ⅳ b、Ⅳ bxm 施工时根据地层的具体情况,上台阶必要时架设临时支撑(掌子面位于中风化(W2)或强风化(W3)地层时,不设临时支撑,其余地层必须设置临时支撑)。当上台阶不设置临时支撑时,台阶底部喷射 10cm 混凝土临时封闭。Ⅳ级围岩深埋段(即Ⅳ a)为台阶法施工。3、Ⅳ a 级断面,隧道上台阶开挖循环进尺不大于 2.0m(两榀格栅进尺),上台阶开挖高度为4.0m。下台阶开挖高度 3.65m,每次开挖进尺不大于 2.0m(两榀格栅进尺)。隧底开挖高度1.5m,每次开挖进尺不大于 3m(三榀格栅进尺)。Ⅳa 台阶法断面图 Ⅳa 台阶法工序图4、Ⅳ b 及Ⅳ bxm 段开挖: Ⅳb 段隧道上台阶开挖循环进尺不大于 2.0m(两榀格栅进尺),上台阶开挖高度为4.22m。下台阶开挖高度 3.75m,每次开挖进尺不大于 2.0m(两榀格栅进尺)。隧底开挖高度 1.5m,每次开挖进尺不大于 3m(三榀格栅进尺)。 Ⅳbxm 段隧道上台阶开挖循环进尺不大于 1.6m(两榀格栅进尺),上台阶开挖高度为 1 / 4EJGS/R-QES-4.4.3-105B1 下载后可任意编辑4.22m。下台阶开挖高度 4m,每次开挖进尺不大于 1.6m(两榀格栅进尺)。隧底开挖 高 度 1.96m , 每 次 开 挖 进 尺 不 大 于2.4m(三榀格栅进尺)。Ⅳb 台阶法断面图Ⅳb 台阶法工序图5、施工组织:上台阶进尺两个循环,下台阶跟近两个循环,仰拱及时跟近成环。6、开挖土石方利用装载机装入运渣车运至井底,通过提升井架将渣土提升至井口的渣场再运至弃渣场。7、Ⅳ级围岩浅埋段掌子面围岩较差时设置临时支撑,施工下台阶一个循环,应拆除临时支撑两榀。当上台阶掌子面岩层及初支结构不稳定时,应变更施工方案。三、爆破施工对于硬岩开挖时需要采纳钻爆法施工:1、施工顺序:施工准备→钻孔→吹孔→装药→联线→引爆→爆破检查及瞎炮处理→找顶。2、在上一循环初支砼及系统锚杆施工结束后,清理作业面并进行钻孔施工。3、炮...

1、当您付费下载文档后,您只拥有了使用权限,并不意味着购买了版权,文档只能用于自身使用,不得用于其他商业用途(如 [转卖]进行直接盈利或[编辑后售卖]进行间接盈利)。
2、本站所有内容均由合作方或网友上传,本站不对文档的完整性、权威性及其观点立场正确性做任何保证或承诺!文档内容仅供研究参考,付费前请自行鉴别。
3、如文档内容存在违规,或者侵犯商业秘密、侵犯著作权等,请点击“违规举报”。

碎片内容

Ⅳ级围岩开挖技术交底

确认删除?
VIP
微信客服
  • 扫码咨询
会员Q群
  • 会员专属群点击这里加入QQ群
客服邮箱
回到顶部