电脑桌面
添加小米粒文库到电脑桌面
安装后可以在桌面快捷访问

主要施工方法和施工方案VIP免费

主要施工方法和施工方案_第1页
1/17
主要施工方法和施工方案_第2页
2/17
主要施工方法和施工方案_第3页
3/17
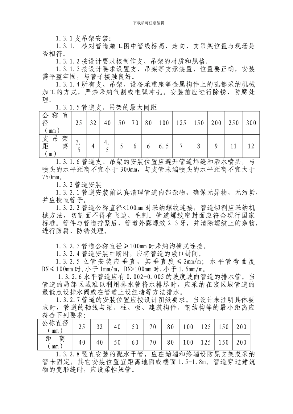
下载后可任意编辑主要施工方法和施工方案一、编制依据1.美都-千岛湖商城施工图纸及图纸会审纪要;2.GB50045-95《高层民用建筑设计防火法律规范》(2001 版);3.GBJ16-87《建筑设计防火法律规范》(2001 版);4.GB50116-98《火灾自动报警系统设计法律规范》; 5.GBJ242-82《采暖与卫生工程施工及验收法律规范》6.GB50084-2001《自动喷水灭火系统设计法律规范》;7.GB50166-92《火灾自动报警系统施工及验收法律规范》;8.GB50261-2024《自动喷水灭火系统施工及验收法律规范》;10.GB50300-2001 施工现场质量管理检查记录二、编制说明根据设计图纸及有关标准法律规范,在分析了各种影响施工的因素及美都-千岛湖商城消防安装工程的特点,并结合我公司在同类工程实际施工中的经验,编制本施工组织设计。在施工过程中,应该发挥我们在消防工程施工的优势,做好施工的前期准备工作,并做好各项施工方案的审定工作,配备最强的管理人员和足够的施工力量,强化计划管理的实施,严格按国家质量标准和市建委有关质量规定施工,保证安装工程质量达到一次性验收合格。施工中,与土建等其他专业施工单位要密切配合,并真心诚意地接受甲方、施工监理、质监部门在施工过程中的热忱指导和帮助,竭诚为本工程项目的顺利完成,尽早投入使用,发挥社会效益做出我们的贡献。三、主要施工方法为了确保工程质量及工期目标的实现,针对本工程的实际,制定下列主要分部分项工程施工方法。(一)水灭火系统1.管道工程施工方案1.1 施工范围:1、2、3、4 号楼、1 号地下车库及综合楼消防喷淋系统、消火栓系统、1.2 施工程序:1.2.1 准备阶段:施工前组织有关人员熟悉施工图纸及有关技术文件内容,调配好施工人员,准备好施工机具及材料,熟悉施工现场工作环境,落实施工用房、用水、用电等,保证施工能正常进行。1.2.2 施工阶段:1.2.2.1 与土建结构施工同步进行安装立管及预留孔洞工作,做到准确、及时。1.2.2.2 安装高峰阶段以各楼层为依次施工的自然段,自下而上进行。每层平面按土建施工分区划分安装施工阶段。1.2.3 调试阶段:对所有安装完的管道进行通水试验,并对试验中出现的问题及不合格项进行整改。1.3 管道安装下载后可任意编辑1.3.1 支吊架安装:1.3.1.1 核对管道施工图中管线标高、走向、支吊架位置与现场是否相符。1.3.1.2 按设计要求核制作支、吊架的材质和规格。1.3.1.3 按设计要求设置支、吊架等支承装置、位置要正确,安装需平整牢固,...

1、当您付费下载文档后,您只拥有了使用权限,并不意味着购买了版权,文档只能用于自身使用,不得用于其他商业用途(如 [转卖]进行直接盈利或[编辑后售卖]进行间接盈利)。
2、本站所有内容均由合作方或网友上传,本站不对文档的完整性、权威性及其观点立场正确性做任何保证或承诺!文档内容仅供研究参考,付费前请自行鉴别。
3、如文档内容存在违规,或者侵犯商业秘密、侵犯著作权等,请点击“违规举报”。

碎片内容

主要施工方法和施工方案

您可能关注的文档

确认删除?
VIP
微信客服
  • 扫码咨询
会员Q群
  • 会员专属群点击这里加入QQ群
客服邮箱
回到顶部