电脑桌面
添加小米粒文库到电脑桌面
安装后可以在桌面快捷访问

冲击成孔施工组织设计VIP免费

冲击成孔施工组织设计_第1页
1/38
冲击成孔施工组织设计_第2页
2/38
冲击成孔施工组织设计_第3页
3/38
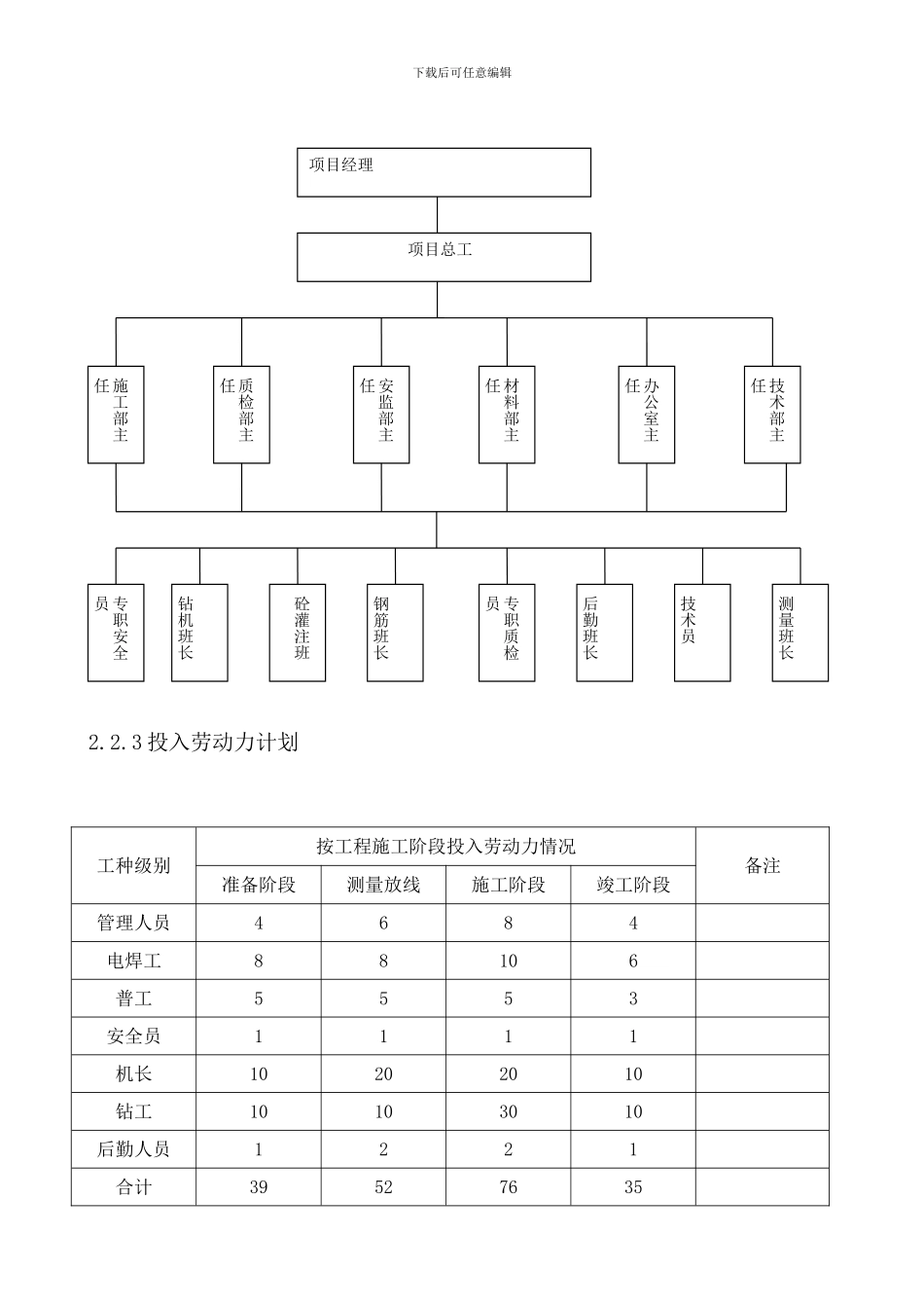
下载后可任意编辑1 工程概况1.1 工程简介某水泥厂 5000t/d 新型干法水泥熟料生产线工程位于某市西郊,交通便利。1.2 综合说明本工程质量目标:基桩合格率 100%。即:符合桩基工程验收法律规范及质量检验标准和设计要求。杜绝质量事故;向业主提供满意的工程产品和优质服务。本工程工期目标:计划施工准备 10 天,工程桩施工 60 天。安全文明施工目标:确保“零违章”管理,实现项目“零事故”。1.3 工程量目前图纸不全,待图纸确定后计算工程量。1.4 编制依据1.4.1《建筑工程施工质量验收统一标准》(GB50300—2001);1.4.2《建筑桩基技术法律规范》(JGJ94—2024);1.4.3《混凝土结构设计法律规范》(GB50010—2024);1.4.4《建筑基桩检测技术法律规范》(JGJ106—2024);1.4.5《建筑地基基础工程施工质量验收法律规范》(GB50202—2024);1.4.6《混凝土结构工程施工质量验收法律规范》(GB50204—2024);1.4.7《混凝土质量控制标准》及条文说明(GB50164—92);1.4.8《预拌混凝土》(GB14902—2024);1.4.9《钢筋焊接及验收规程》(JGJ18—2024)。1.4.10 泰安中联水泥 5000t/d 新型干法水泥熟料生产线工程招标文件1.4.11 泰安中联水泥 5000t/d 新型干法水泥熟料生产线桩基设计图纸2 施工计划安排2.1 施工机械投入计划本工程计划投入 10 台冲击钻机进行钻孔桩的施工。2.1.1 机械设备投入一览表下载后可任意编辑2.1.2 设备进场计划计划投入 10 台冲击钻机,收到监理签发开工令前 5 日内全部进入现场。在施工中假如因为设备不足造成进度滞后,可根据施工情况调整设备。2.2 人员组织计划2.2.1 施工现场组织管理措施(1)本工程实行项目经理负责制,严格根据项目施工法进行组织施工。(2)建立健全每天会议制度、交接班制度、质量互检专检制度、技术交底制度、安全交底制度等制度。(3)人员设备进场后,召开全体人员会议,进行安全培训教育,施工现场设专职安全员负责安全工作,各班组设兼职安全员。(4)明确各部门岗位职责,所有岗位职责和管理制度均制定上岗。2.2.2 组织机构图序号名称数量国别产地型号规格制造年份(年)额定功率(KW)生产能力备 注1冲击钻机10河北20 型2024-202475×10良好自有2值班车1一汽解放客货2024良好自有3电焊机8济南2024-202430良好自有4切割机1济南20247良好自有5卷扬机1济南7.5 KW20247.5良好自有7经纬仪1苏州J22024良好自有8水准仪1苏州S1002024良好自有9全站仪1日本索...

1、当您付费下载文档后,您只拥有了使用权限,并不意味着购买了版权,文档只能用于自身使用,不得用于其他商业用途(如 [转卖]进行直接盈利或[编辑后售卖]进行间接盈利)。
2、本站所有内容均由合作方或网友上传,本站不对文档的完整性、权威性及其观点立场正确性做任何保证或承诺!文档内容仅供研究参考,付费前请自行鉴别。
3、如文档内容存在违规,或者侵犯商业秘密、侵犯著作权等,请点击“违规举报”。

碎片内容

冲击成孔施工组织设计

确认删除?
VIP
微信客服
  • 扫码咨询
会员Q群
  • 会员专属群点击这里加入QQ群
客服邮箱
回到顶部