电脑桌面
添加小米粒文库到电脑桌面
安装后可以在桌面快捷访问

北辰施工组织设计VIP免费

北辰施工组织设计_第1页
1/35
北辰施工组织设计_第2页
2/35
北辰施工组织设计_第3页
3/35
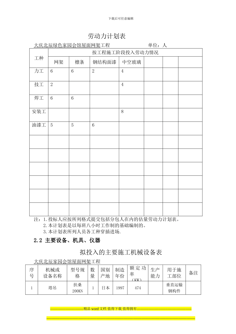
下载后可任意编辑第一章 工程概况1.1 工程简介大庆北辰绿色家园会馆屋面网架施工位于大庆市北辰家园,网架投影面积为623 平方米。整体屋面呈矩形,为正放四角锥网架,周边支撑。跨度 21 米,网架弦杆最大间距 2.6 米。屋面采纳中空夹胶玻璃,中空层为 12A1.2 钢网架材料焊接球:本工程所用钢球材质均为 Q235。杆件及钢板:采纳 Q235 钢。焊接材料:焊接 Q235 钢选用 E43××型焊条。1.3 使用法律规范及文件网架工程施工图纸网架结构设计及施工规程(JGJ7-91)钢网架检验与验收标准(JGJ78-91)钢结构工程施工质量验收法律规范(GB50205-2001)建筑钢结构焊接与验收规程(JGJ81-2024)冷弯薄壁型钢结构技术法律规范〈GB50018-2024〉屋面工程质量验收法律规范(GB50207-2024)建筑防腐蚀工程施工及验收法律规范(GB50212-2024)工程测量法律规范(GBJ50026-93)工程测量测量术语标准(GB/T50123-99)建筑施工安全检查标准(JGJ59-99)建设施工高处作业安全技术规程(JGJ80-91)建筑机械使用安全技术规程(JGJ33-2001)施工现场临时用电安全技术规程(JGJ46-88)建设工程施工现场供用电安全法律规范(GB50194-93)建筑施工扣件式钢管脚手架安全技术法律规范(JGJ130-2001)建筑工程项目管理法律规范(GB/T50326)1.4 施工质量目标严格按设计、业主的要求及施工法律规范进行施工,质量达到合格1.5 安全目标----------------------------精品 word 文档 值得下载 值得拥有---------------------------------------------------------------------------------------------------------------------------------------------------------------------------网架安装组验收组吊装组测量校正组焊接探伤组脚手架组设备维修组安全组下载后可任意编辑工程施工过程中达到:无死亡、无重伤、无火灾、无中毒、无坍塌。1.6 文明施工目标施工现场文明洁净,争创文明施工场地。第二章 施工部署2.1 组织机构与劳动力计划2.1.1 组织机构本工程严格按项目法施工,建立以项目经理为首的项目领导班子。其组织形式为: 2.1.2 劳动力计划根据本工程的特点及施工的具体要求,劳动力实行动态管理。----------------------------精品 word 文档 值得下载 值得拥有---------------------------------------------------------------------------------------------------------------------------------------------------------------------...

1、当您付费下载文档后,您只拥有了使用权限,并不意味着购买了版权,文档只能用于自身使用,不得用于其他商业用途(如 [转卖]进行直接盈利或[编辑后售卖]进行间接盈利)。
2、本站所有内容均由合作方或网友上传,本站不对文档的完整性、权威性及其观点立场正确性做任何保证或承诺!文档内容仅供研究参考,付费前请自行鉴别。
3、如文档内容存在违规,或者侵犯商业秘密、侵犯著作权等,请点击“违规举报”。

碎片内容

北辰施工组织设计

确认删除?
VIP
微信客服
  • 扫码咨询
会员Q群
  • 会员专属群点击这里加入QQ群
客服邮箱
回到顶部