电脑桌面
添加小米粒文库到电脑桌面
安装后可以在桌面快捷访问

单位工程质量竣工验收记录VIP免费

单位工程质量竣工验收记录_第1页
1/12
单位工程质量竣工验收记录_第2页
2/12
单位工程质量竣工验收记录_第3页
3/12
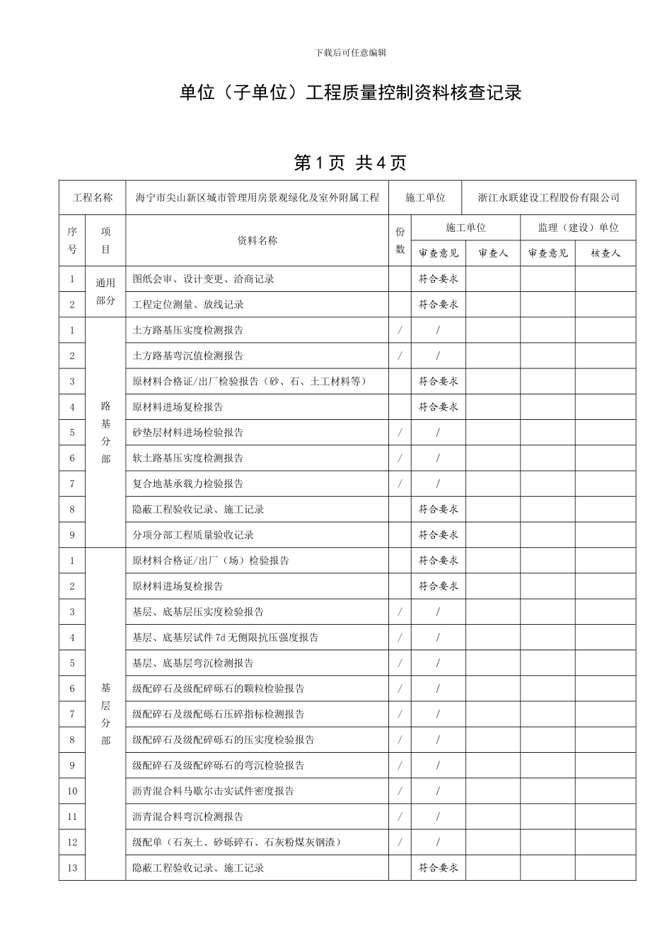
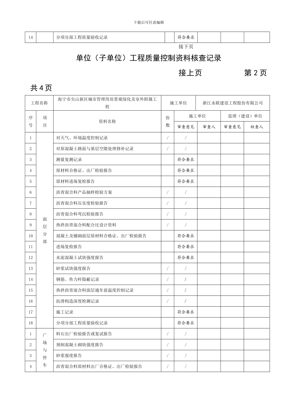
下载后可任意编辑单位(子单位)工程质量竣工验收记录A.0.4 表 编号: 工程名称海宁市尖山新区城市管理用房景观绿化及室外附属工程施工单位浙江永联建设工程股份有限公司道路类型混凝土路面工程造价项目经理王斌项目技术负责人陈李忠制表人陶爱菊开工日期 2024 年 1 月 3 日竣工日期 2024 年 5 月 3 日序号项目验收记录验收结论(监理或建设单位填写)1分部工程共分 5 部,经查 5 部,符合标准及设计要求 5 分部。2质量控制资料核查 共 项,经审查符合要求 项,经核定符合法律规范要求 项。3安全和主要使用功能核查及抽查结果共核查 项,符合要求 项,共抽查 项,符合要求 项,经返工处理符合要求 项。4观感质量检验共抽查 项,符合要求 项,不符合要求 项。5综合验收结论参加验收单位建设单位监理单位施工单位设计单位勘察单位(单位公章)项目负责人:(签字) 年 月 日(单位公章)总 监 理 工 程师:(签字) 年 月 日(单位公章)项目经理:(签字) 年 月 日(单位公章)项目负责人:(签字) 年 月 日(单位公章)项目负责人:(签字) 年 月 日注:本表由施工单位制表人填写,监理工程师(建设单位项目技术负责人)组织施工单位项目经理和有关勘察、设计单位项目负责人进行验收,如有其他单位参加可增设签字盖章栏。下载后可任意编辑单位(子单位)工程质量控制资料核查记录 第 1 页 共 4 页工程名称海宁市尖山新区城市管理用房景观绿化及室外附属工程施工单位浙江永联建设工程股份有限公司序号项目资料名称份数施工单位监理(建设)单位审查意见审查人审查意见核查人1通用部分图纸会审、设计变更、洽商记录符合要求 2工程定位测量、放线记录符合要求 1路基分部土方路基压实度检测报告//2土方路基弯沉值检测报告//3原材料合格证/出厂检验报告(砂、石、土工材料等)符合要求 4原材料进场复检报告符合要求 5砂垫层材料进场检验报告//6软土路基压实度检测报告//7复合地基承载力检验报告//8隐蔽工程验收记录、施工记录符合要求 9分项分部工程质量验收记录符合要求 1基层分部原材料合格证/出厂(场)检验报告符合要求 2原材料进场复检报告符合要求 3基层、底基层压实度检验报告//4基层、底基层试件 7d 无侧限抗压强度报告//5基层、底基层弯沉检测报告//6级配碎石及级配碎砾石的颗粒检验报告//7级配碎石及级配砾石压碎指标检测报告//8级配碎石及级配碎砾石的压实度检验报...

1、当您付费下载文档后,您只拥有了使用权限,并不意味着购买了版权,文档只能用于自身使用,不得用于其他商业用途(如 [转卖]进行直接盈利或[编辑后售卖]进行间接盈利)。
2、本站所有内容均由合作方或网友上传,本站不对文档的完整性、权威性及其观点立场正确性做任何保证或承诺!文档内容仅供研究参考,付费前请自行鉴别。
3、如文档内容存在违规,或者侵犯商业秘密、侵犯著作权等,请点击“违规举报”。

碎片内容

单位工程质量竣工验收记录

您可能关注的文档

确认删除?
VIP
微信客服
  • 扫码咨询
会员Q群
  • 会员专属群点击这里加入QQ群
客服邮箱
回到顶部