电脑桌面
添加小米粒文库到电脑桌面
安装后可以在桌面快捷访问

维修工程管理制度及流程VIP免费

维修工程管理制度及流程_第1页
1/6
维修工程管理制度及流程_第2页
2/6
维修工程管理制度及流程_第3页
3/6
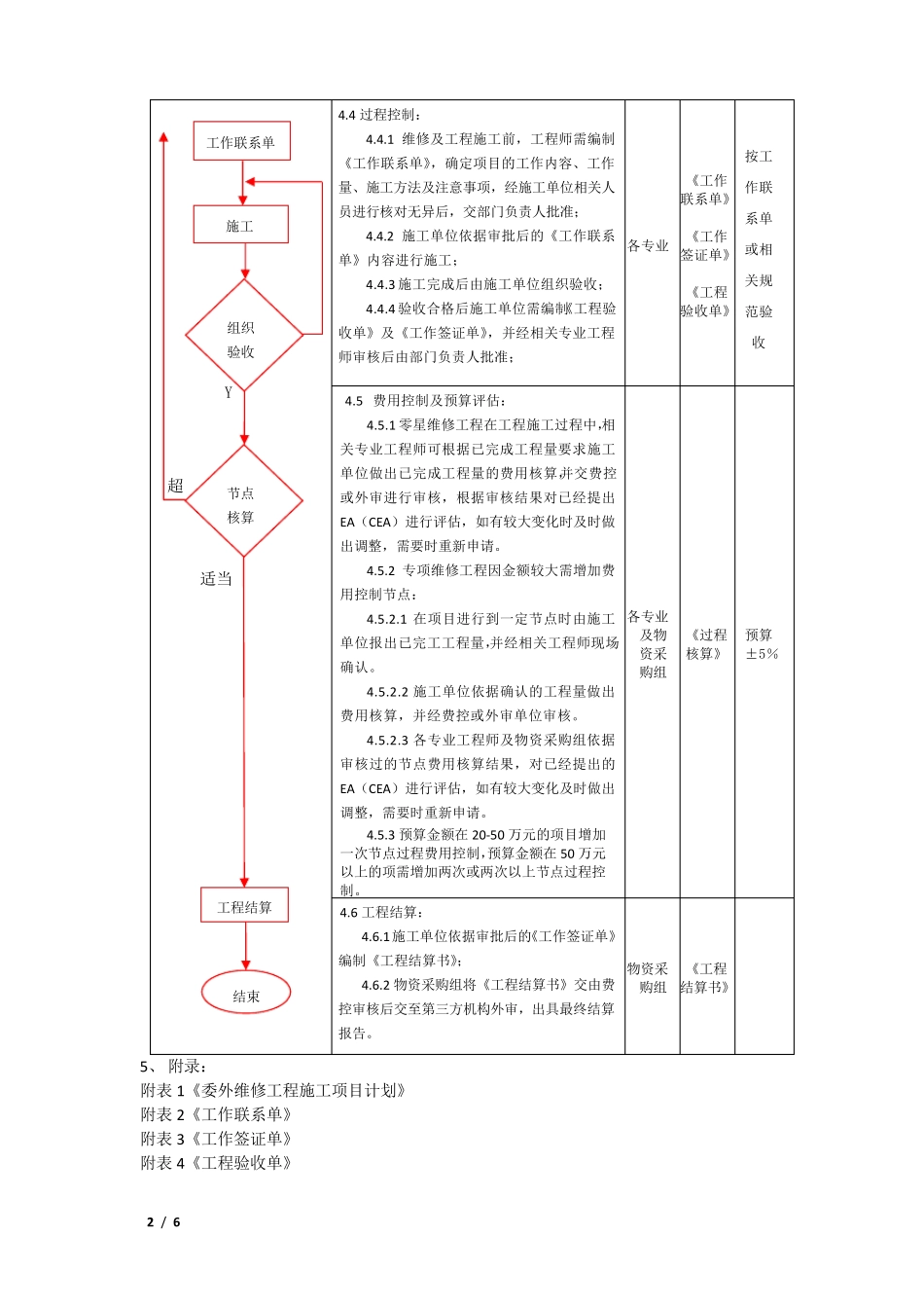
1 / 6 工程施工管理制度及流程 1、 目的: 为加强对生产部委外维修及工程施工费用的管理,避免超支和无预算施工,特制定本管理制度及流程。 2、 范围: 生产部各专业委外维修及工程施工(含零星维修施工及专项施工)期间的各项费用控制均适用本管理制度。 3、 定义: 3.1 零星维修工程:指单项资金预算在 5 万元以内的维修或工程施工; 3.2 专项维修工程:指单项资金预算在 5 万元以上(含)的维修或工程施工。 4、 规定及流程: 流程 说 明 责任 部门 记录 文件 目标 指标 4.1 项目计划: 各专业工程师依据年度检修计划和现场情况,施工前提请委外施工项目计划(本计划含预计工程量及工程做法),并由专业主管审核,提交部门负责人批准。 各专业 《委外维修工程施工项目计划》 4.2 资金预算: 物资采购组依据审批后的委外施工计划,发起询价,落实项目造价费用,如项目批准前,已签订有同类型施工框架协议,可发给已签订框架协议施工单位,如无则发工程项目至比价施工单位进行预算比价,施工单位预算比价后经费控或外审单位审核,依审核后的金额提出 EA(CEA)申请。 临时发生的紧急维修施工可边施工边审批。 物资 采购组 EA(CEA) 4.3 合同签订: 4.3.1 物 资 采 购 组 依 据 提 出 的 EA(CEA)签订年度施工框架协议或专项施工合同。 4.3.2 框架协议以约定定额费率和人工费形式签订。 4.3.3 专项施工合同可按约定定额费率和人工费形式或固定总价形式签订。 物资 采购组 《年度施工合同》 《专项施工合同》 开始 项目计划 资金预算 合同签订 2 / 6 Y 超 适 当 4.4 过 程 控 制 : 4.4.1 维 修 及 工 程 施 工 前 , 工 程 师 需 编 制《 工 作 联 系 单 》, 确 定 项 目 的 工 作 内 容 、 工 作量 、 施 工 方 法 及 注 意 事 项 , 经 施 工 单 位 相 关 人员 进 行 核 对 无 异 后 , 交 部 门 负 责 人 批 准 ; 4.4.2 施 工 单 位 依 据 审 批 后 的 《 工 作 联 系单 》 内 容 进 行 施 工 ; 4.4.3 施 工 完 成 后 由 施 工 单 位 组 织 验 收 ; 4.4.4 验 收 合 格 后 施 工 单 位 需 编 制《 工 程 验收 单 》 及 《 工 作 签 证 单 》, 并 经 相 关 专 业 工 程师 审 核 后 由 部 门...

1、当您付费下载文档后,您只拥有了使用权限,并不意味着购买了版权,文档只能用于自身使用,不得用于其他商业用途(如 [转卖]进行直接盈利或[编辑后售卖]进行间接盈利)。
2、本站所有内容均由合作方或网友上传,本站不对文档的完整性、权威性及其观点立场正确性做任何保证或承诺!文档内容仅供研究参考,付费前请自行鉴别。
3、如文档内容存在违规,或者侵犯商业秘密、侵犯著作权等,请点击“违规举报”。

碎片内容

维修工程管理制度及流程

您可能关注的文档

确认删除?
VIP
微信客服
  • 扫码咨询
会员Q群
  • 会员专属群点击这里加入QQ群
客服邮箱
回到顶部