电脑桌面
添加小米粒文库到电脑桌面
安装后可以在桌面快捷访问

维修电工等级鉴定电工高级技师实操试题VIP免费

维修电工等级鉴定电工高级技师实操试题_第1页
1/13
维修电工等级鉴定电工高级技师实操试题_第2页
2/13
维修电工等级鉴定电工高级技师实操试题_第3页
3/13
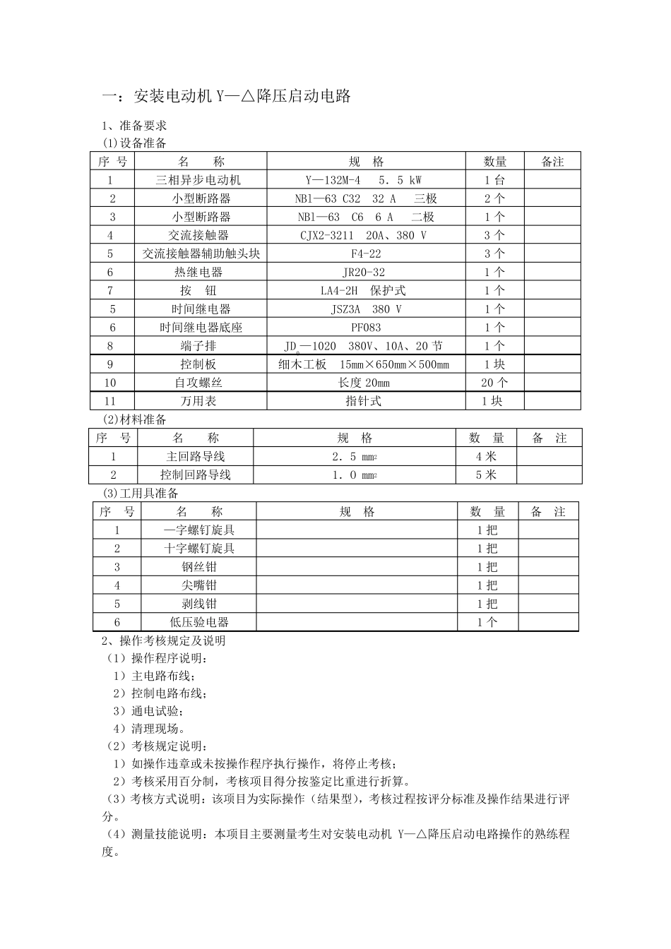
电工高级技师实操试题 一、安装电动机Y—△降压启动电路 二、Y-△降压启动线路故障处理 三、新电动机使用前的检查 四、检查小型三相变压器绕组绝缘故障 五:用 PLC 控制电机的运行系统(模拟考试,需相关仿真模拟设备) 一:安装电动机Y—△降压启动电路 1、准备要求 (1)设备准备 序 号 名 称 规 格 数量 备注 1 三相异步电动机 Y—132M-4 5.5 kW 1 台 2 小型断路器 NBl—63 C32 32 A 三极 2 个 3 小型断路器 NBl—63 C6 6 A 二极 1 个 4 交流接触器 CJX2-3211 20A、380 V 3 个 5 交流接触器辅助触头块 F4-22 3 个 6 热继电器 JR20-32 1 个 7 按 钮 LA4-2H 保护式 1 个 5 时间继电器 JSZ3A 380 V 1 个 6 时间继电器底座 PF083 1 个 8 端子排 JD0—1020 380V、10A、20 节 1 个 9 控制板 细木工板 15mm×650mm×500mm 1 块 10 自攻螺丝 长度 20mm 20 个 11 万用表 指针式 1 块 (2)材料准备 序 号 名 称 规 格 数 量 备 注 1 主回路导线 2.5 mm2 4 米 2 控制回路导线 1.O mm2 5 米 (3)工用具准备 序 号 名 称 规 格 数 量 备 注 1 —字螺钉旋具 1 把 2 十字螺钉旋具 1 把 3 钢丝钳 1 把 4 尖嘴钳 1 把 5 剥线钳 1 把 6 低压验电器 1 个 2、操作考核规定及说明 (1)操作程序说明: 1)主电路布线; 2)控制电路布线; 3)通电试验; 4)清理现场。 (2)考核规定说明: 1)如操作违章或未按操作程序执行操作,将停止考核; 2)考核采用百分制,考核项目得分按鉴定比重进行折算。 (3)考核方式说明:该项目为实际操作(结果型),考核过程按评分标准及操作结果进行评分。 (4)测量技能说明:本项目主要测量考生对 安装电动机Y—△降压启动电路操作的 熟 练 程度。 3、考核时限 (1)准备时间:1min(不计入考核时间)。 (2)正式操作时间:40min (3)提前完成操作不加分,到时停止操作考核。 4、评分记录表 附图 电动机Y—△降压启动控制电路 试题名称:安装电动机Y—△降压启动电路 考核时间:40min 序号 考核 内容 评 分 要 素 配分 评 分 标 准 检测 结果 扣分 得 分 备 注 1 主电路布线 布线符合要求;采用板前配线,各方向上要互相垂直或平行,弯角成90°,导线排列平整、美观,接点牢固,不损伤导线 30 主电路未按...

1、当您付费下载文档后,您只拥有了使用权限,并不意味着购买了版权,文档只能用于自身使用,不得用于其他商业用途(如 [转卖]进行直接盈利或[编辑后售卖]进行间接盈利)。
2、本站所有内容均由合作方或网友上传,本站不对文档的完整性、权威性及其观点立场正确性做任何保证或承诺!文档内容仅供研究参考,付费前请自行鉴别。
3、如文档内容存在违规,或者侵犯商业秘密、侵犯著作权等,请点击“违规举报”。

碎片内容

维修电工等级鉴定电工高级技师实操试题

确认删除?
VIP
微信客服
  • 扫码咨询
会员Q群
  • 会员专属群点击这里加入QQ群
客服邮箱
回到顶部