电脑桌面
添加小米粒文库到电脑桌面
安装后可以在桌面快捷访问

路基检验申请批复单VIP免费

路基检验申请批复单_第1页
1/6
路基检验申请批复单_第2页
2/6
路基检验申请批复单_第3页
3/6
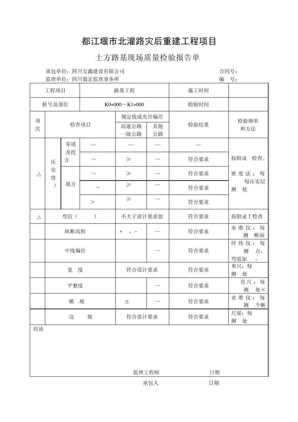
都江堰市北灌路灾后重建工程项目 检 验 申 请 批 复 单 承包单位: 四川宝鑫建设有限公司 合同号: 监理单位: 四川省蜀宏监理事务所 编 号: 工 程 项 目 路基工程 工程地点及桩号 K0+000~K1+000 具 体 部 位 路基 完 成 情 况 完成 要求检验内容 压实度、弯沉、轴线、平整度、纵段高程等 要求到现场检验时间 年 月 日 时 承包人 递 交 时 间 年 月 日 时 签 字: 监理组 收 到 时 间 年 月 日 时 签 字: 质量证明附件: 1、土工试验检测报告单 2、土石方现场质量检验报告单 现场监理评论: 签 名: 日 期: 评论本项目可否继续进行: 监理工程师: 日 期: 承包人收到时间 : 年 月 日 时 签 字: Yes No 都江堰市北灌路灾后重建工程项目 土方路基现场质量检验报告单 承包单位:四川宝鑫建设有限公司 合同号: 监理单位:四川蜀宏监理事务所 编 号: 工程项目 路基工程 施工时间 桩号及部位 K 0+000~K 1+000 检验时间 项 次 检查项目 规定值或允许偏差 检验结果 检验频率 和方法 高速公路一级公路 其他 公路 1△ 压 实 度 (%) 零填及挖方(m) 0~0.30 — — — 按附录 B检查。 密 度 法 : 每200m每压实层测 4处 0~0.80 ≥96 — 符合要求 填方 (m) 0~0.80 ≥96 — 符合要求 0.80~1.50 ≥94 — 符合要求 >1.50 ≥93 — 符合要求 2△ 弯沉(0.01mm) 不大于设计要求值 符合要求 按附录Ⅰ检查 3 纵断高程(mm) ﹢10,﹣15 — 符合要求 水 准 仪 : 每200m测 4断面 4 中线偏位(mm) 50 — 符合要求 经 纬 仪 : 每200m测 4点,弯道加 HY、YH5 宽 度(mm) 符合设计要求 符合要求 米尺:每 200m测 4处 6 平整度(mm) 15 — 符合要求 3m直 尺 : 每200m测 2处×7 横 坡(%) ±0.3 — 符合要求 水 准 仪 : 每200m测 4个断8 边 坡 符合设计要求 符合要求 尺量:每 200m测 4处 结论: 监理工程师: 日期: 承包人: 日期: 都江堰市北灌路灾后重建工程项目 石方路基现场质量检验报告单 承包单位:四川宝鑫建设有限公司 合同号: 监理单位:四川蜀宏监理事务所 编 号: 工程项目 路基工程 施工时间 桩号及部位 K 0+000~K 1+000 检验时间 项 次 检查项目 规定值或允许偏差 检验结果 检验频率和方法 高速公路 ...

1、当您付费下载文档后,您只拥有了使用权限,并不意味着购买了版权,文档只能用于自身使用,不得用于其他商业用途(如 [转卖]进行直接盈利或[编辑后售卖]进行间接盈利)。
2、本站所有内容均由合作方或网友上传,本站不对文档的完整性、权威性及其观点立场正确性做任何保证或承诺!文档内容仅供研究参考,付费前请自行鉴别。
3、如文档内容存在违规,或者侵犯商业秘密、侵犯著作权等,请点击“违规举报”。

碎片内容

路基检验申请批复单

确认删除?
VIP
微信客服
  • 扫码咨询
会员Q群
  • 会员专属群点击这里加入QQ群
客服邮箱
回到顶部