电脑桌面
添加小米粒文库到电脑桌面
安装后可以在桌面快捷访问

轴承常用量具VIP免费

轴承常用量具_第1页
1/14
轴承常用量具_第2页
2/14
轴承常用量具_第3页
3/14
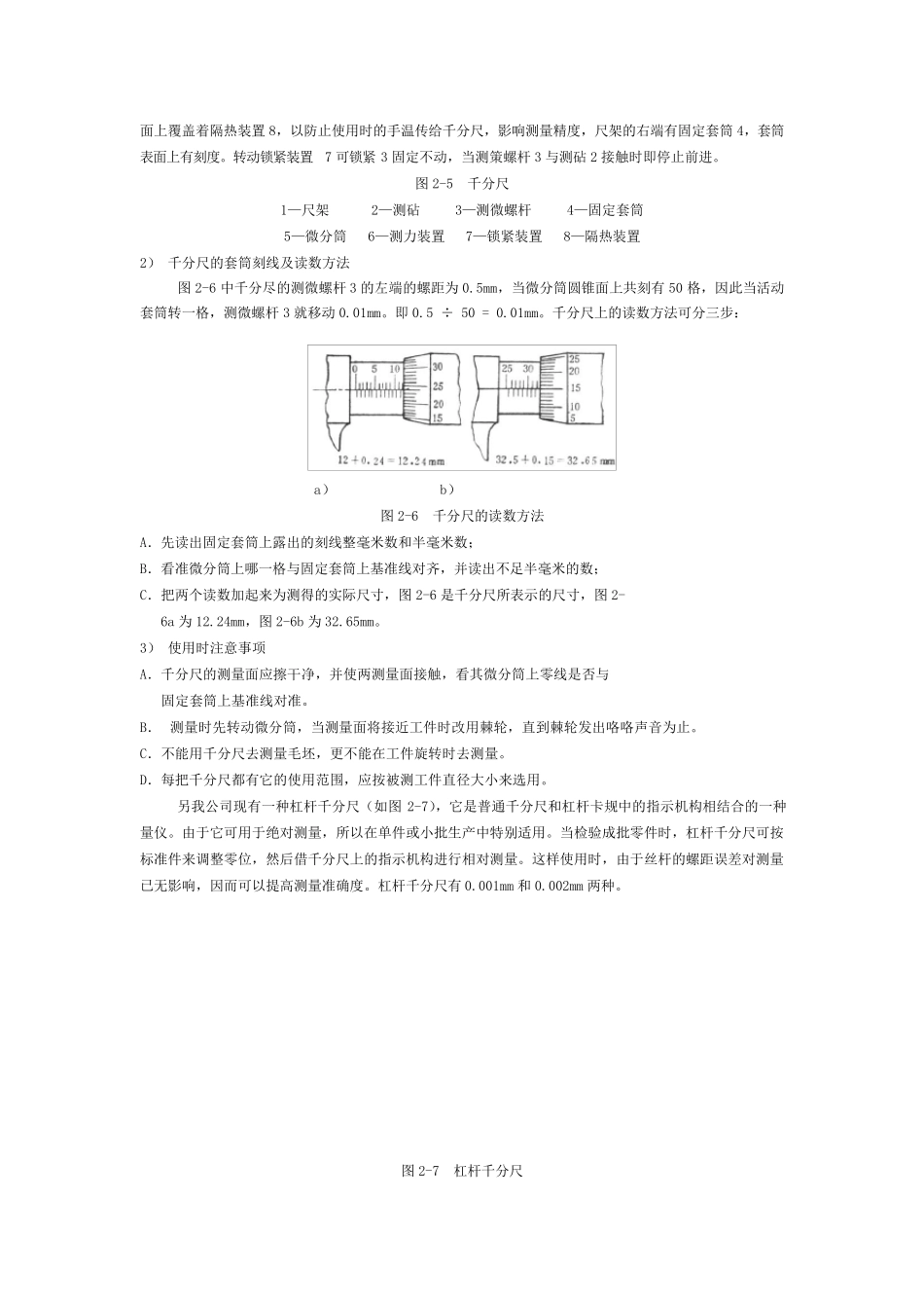
第 二 章 轴 承 检 查 常 用 量 仪 滚 动 轴 承 属 于 精 密 机 械 产 品 基 础 件 , 要 求 有 互 换 性 。 为 了 确 保 其 精 度 , 除 了 靠 合 理 的 工 艺 和 正 确 的机 械 加 工 方 法 之 外 , 还 须 有 严 格 的 质 量 检 查 。 为 了 使 检 查 技 术 适 应 于 轴 承 行 业 生 产 专 业 化 、 成 批 大 量 生 产特 点 的 需 要 , 广 泛 采 用 了 轴 承 专 用 量 仪 。 但 有 时 根 据 需 要 , 中 等 精 度 要 求 的 轴 承 也 使 用 通 用 量 具 检 查 。 一 . 常 用 通 用 量 具 的 使 用 方 法 1. 游 标 卡 尺 当 使 用 简 单 的 刻 线 量 具 ( 如 刻 度 尺 ) 进 行 测 量 时 , 要 求 准 确 到 1/10 刻 度 是 相 当 困 难 的 , 主 要 是 因 为人 眼 的 分 辨 能 力 所 限 。 为 增 加 读 数 的 准 确 度 , 可 以 利 用 机 械 细 分 的 办 法 解 决 。 游 标 卡 尺 的 原理 实际上就是游 标 刻 线 细 分 原理 , 通 常 在测 量 准 确 度 要 求 不高的 生 产 车间使 用 , 如 在轴 承 生 产 中 , 锻件 、 热处理 件 及外购保 持架、 车工 件 的 检 验可 用 游 标 卡 尺 , 直接量 出工 件 的 内径、 外 径、 宽度 等 尺 寸。 1) 外 形结构 游 标 卡 尺 的 外 形结构, 见图2-1。 它由主 尺 ( 尺 身) 1、 带游 标 的 尺 框2、 活 动 量 爪3、 固定量 爪4、 内量 爪5、 6 和 固定螺丝7 组成 。 在使 用 时 , 先将固定螺丝7 松开, 尺 框2 连同3、6 一 起在主 尺 上移动 。 测 量 准 确 后, 通 过螺丝7 紧固, 以 保 持读 数 。 由于 卡 尺 均无测 力 装置, 所 以 在使 用时 要 防止用 力 过大 , 否则会影响测 量 准 确 度 。 一 般以 量 爪的 测 量 面紧密 接触被测 件 同时 活动 量 爪又无视力可 见的 偏转为 宜, 有 经验者多以 手感掌握。 图2-1 游 标 卡 尺 1— 主 尺 2—尺 框 3—活动 量 爪 4—固定量 爪 5、 6—内量 爪 7—固定螺丝 2) 游 标 卡 尺 读 数...

1、当您付费下载文档后,您只拥有了使用权限,并不意味着购买了版权,文档只能用于自身使用,不得用于其他商业用途(如 [转卖]进行直接盈利或[编辑后售卖]进行间接盈利)。
2、本站所有内容均由合作方或网友上传,本站不对文档的完整性、权威性及其观点立场正确性做任何保证或承诺!文档内容仅供研究参考,付费前请自行鉴别。
3、如文档内容存在违规,或者侵犯商业秘密、侵犯著作权等,请点击“违规举报”。

碎片内容

轴承常用量具

您可能关注的文档

确认删除?
VIP
微信客服
  • 扫码咨询
会员Q群
  • 会员专属群点击这里加入QQ群
客服邮箱
回到顶部