电脑桌面
添加小米粒文库到电脑桌面
安装后可以在桌面快捷访问

边沟砌筑工程施工监理实施细则VIP免费

边沟砌筑工程施工监理实施细则_第1页
1/11
边沟砌筑工程施工监理实施细则_第2页
2/11
边沟砌筑工程施工监理实施细则_第3页
3/11
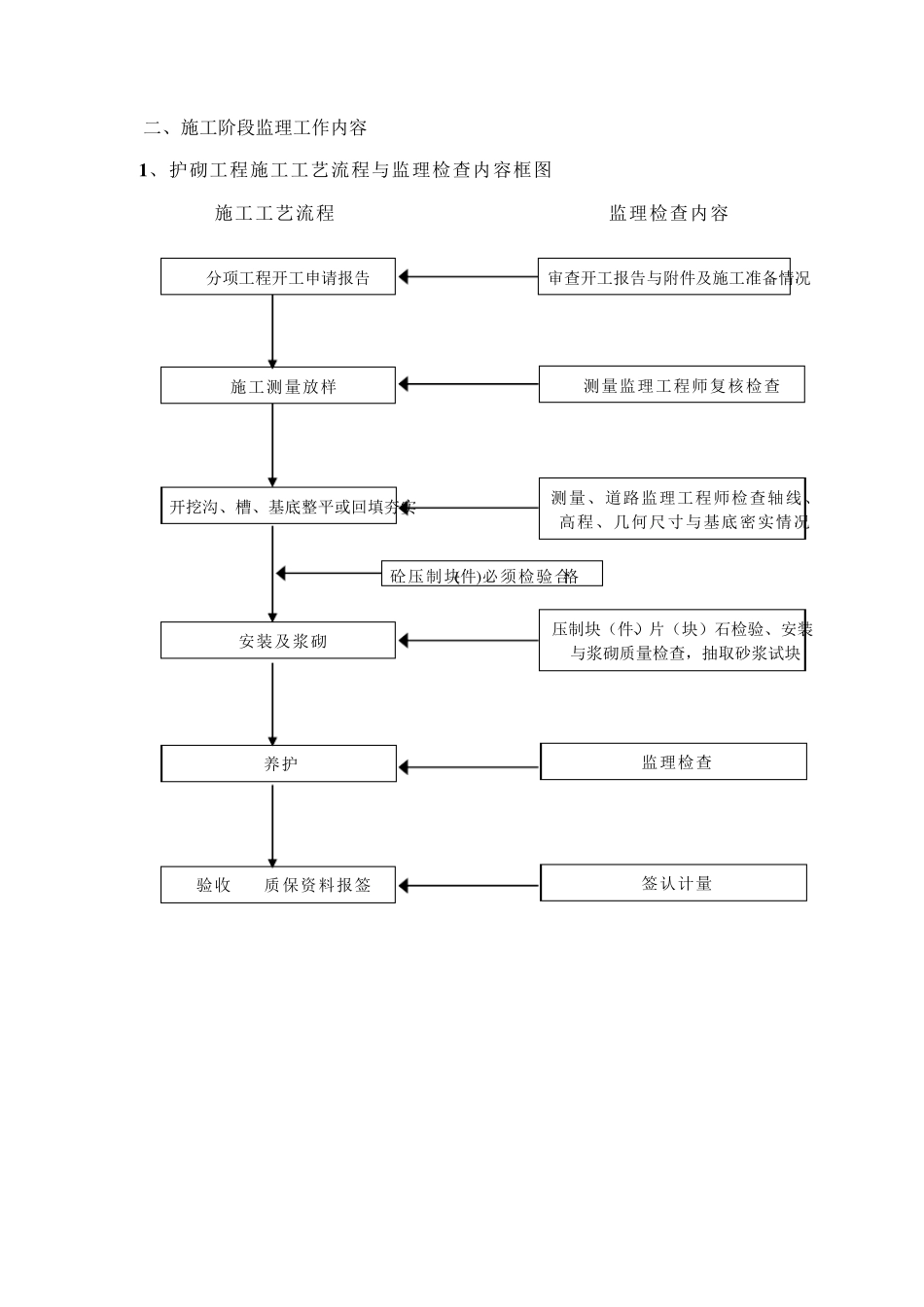
边沟、边坡、挡墙、锥坡护砌工程施工监理细则 一、施工准备阶段监理工作内容 1 、审批施工队伍进场 审查承包人所使用的护砌施工队伍资质、经历和人员素质,应能满足边沟、边坡、锥坡护砌工程合同工期和质量标准的要求,符合要求经同意后批准进场。 2 、审查施工技术方案 审查承包人报审的施工技术方案和施工工序工艺方案,提出审查意见,抄报指挥部。 3 、检查承包人的施工机械设备 进场的机械设备型号、性能、数量必须满足合同工期和质量要求。安装要牢固,操作安全、方便、可靠。 4 、检查承包人的质保体系 施工队伍必须具有小型砼压制块(件)、边沟、边坡与锥坡防护工程浆砌施工实践经验和管理经验,施工人员和技术人员数量、素质应满足现场施工和管理工作的需要。质保体系必须健全,分工明确,责任落实。施工和管理人员必须服从监理的监督与指导,严格执行监理程序,认真做好工序质量自检,做到规范施工。 5 、审查原材料试验和配合比试验,并做验证试验 水泥必须有出厂的证明和产品合格证,每批进场水泥应进行抽样试验,检测项目包括:安定性、胶砂强度、凝结时间及细度;砂、碎石等原材料按砼用料要求做常规检测;砼、砂浆按不同水灰比进行试验,以选定最佳的砼配合比;如添加掺合料,则应做掺合料试验和掺配比试验,均应符合相应规范要求;如施工用钢筋,应做焊接、拉伸试验;片、块石应符合技术规范要求。 6 、检查场地清理情况 砼压制块(件)场地应清理平整、硬化,原材料分类、标识、规范堆放,应做好临时排水。 7 、复核承包人的测量放样 承包人必须按施工图纸正确地进行施工测量放样,放出边沟的中线、顶底、边线等开挖边界、深度;边坡护砌放样必须控制好坡度,锥坡放样必须正确。 二、施工阶段监理工作内容 1 、护砌工程施工工艺流程与监理检查内容框图 施工工艺流程 监理检查内容 分项工程开工申请报告 审查开工报告与附件及施工准备情况 施工测量放样 开挖沟、槽、基底整平或回填夯实 测量、道路监理工程师检查轴线、 高程、几何尺寸与基底密实情况 安装及浆砌 压制块(件)、片(块)石检验、安装 与浆砌质量检查,抽取砂浆试块 养护 监理检查 验收 质保资料报签 签认计量 测量监理工程师复核检查 砼压制块(件)必须检验合格 2 、砼压制块(件)施工工艺流程与监理检查内容框图 施工工艺流程 监理检查内容 预制场地整平、硬化 满足预制要求,有排水措施 设备安装 原材料自检...

1、当您付费下载文档后,您只拥有了使用权限,并不意味着购买了版权,文档只能用于自身使用,不得用于其他商业用途(如 [转卖]进行直接盈利或[编辑后售卖]进行间接盈利)。
2、本站所有内容均由合作方或网友上传,本站不对文档的完整性、权威性及其观点立场正确性做任何保证或承诺!文档内容仅供研究参考,付费前请自行鉴别。
3、如文档内容存在违规,或者侵犯商业秘密、侵犯著作权等,请点击“违规举报”。

碎片内容

边沟砌筑工程施工监理实施细则

确认删除?
VIP
微信客服
  • 扫码咨询
会员Q群
  • 会员专属群点击这里加入QQ群
客服邮箱
回到顶部