电脑桌面
添加小米粒文库到电脑桌面
安装后可以在桌面快捷访问

最新工程建设强制性条文VIP免费

最新工程建设强制性条文_第1页
1/27
最新工程建设强制性条文_第2页
2/27
最新工程建设强制性条文_第3页
3/27
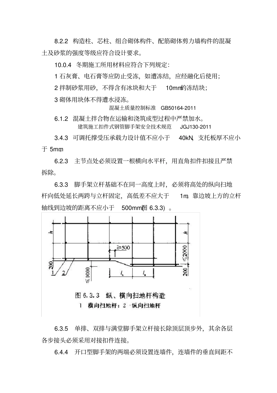
砌体结构工程施工质量验收规范GB50203-2011 4.0.1 水泥使用应符合下列规定:1 水泥进场时应对其品种、等级、包装或散装仓号、出厂日期等进行检查,并应对其强度、安定性进行复验,其质量必须符合现行国家标准《通用硅酸盐水泥》 GB 175的有关规定。2 当在使用中对水泥质量有怀疑或水泥出厂超过三个月(快硬硅酸盐水泥超过一个月 )时,应复查试验,并按复验结果使用。5.2.1 砖和砂浆的强度等级必须符合设计要求。5.2.3 砖砌体的转角处和交接处应同时砌筑,严禁无可靠措施的内外墙分砌施工。在抗震设防烈度为8 度及 8 度以上地区,对不能同时砌筑而又必须留置的临时间断处应砌成斜槎,普通砖砌体斜槎水平投影长度不应小于高度的2/3,多孔砖砌体的斜槎长高比不应小于1/2。斜槎高度不得超过一步脚手架的高度。6.1.8 承重墙体使用的小砌块应完整、无破损、无裂缝。6.1.10 小砌块应将生产时的底面朝上反砌于墙上. 6.2.1 小砌块和芯柱混凝土、砌筑砂浆的强度等级必须符合设计要求。6.2.3 墙体转角处和纵横交接处应同时砌筑。临时间断处应砌成斜槎,斜槎水平投影长度不应小于斜槎高度。施工洞口可预留直槎,但在洞口砌筑和补砌时,应在直槎上下搭砌的小砌块孔洞内用强度等级不低于 C20(或 Cb20)的混凝土灌实。7.1.10 挡土墙的泄水孔当设计无规定时,施工应符合下列规定:1 泄水孔应均匀设置,在每米高度上间隔2m左右设置一个泄水孔 ; 2 泄水孔与土体间铺设长宽各为300mm、厚 200mm的卵石或碎石作疏水层。7.2.1 石材及砂浆强度等级必须符合设计要求。8.2.1 钢筋的品种、规格、数量和设置部位应符合设计要求。8.2.2 构造柱、芯柱、组合砌体构件、配筋砌体剪力墙构件的混凝土及砂浆的强度等级应符合设计要求。10.0.4 冬期施工所用材料应符合下列规定:1 石灰膏、电石膏等应防止受冻,如遭冻结,应经融化后使用;2 拌制砂浆用砂,不得含有冰块和大于10mm的冻结块;3 砌体用块体不得遭水浸冻。混凝土质量控制标准GB50164-2011 6.1.2 混凝土拌合物在运输和浇筑成型过程中严禁加水。建筑施工扣件式钢管脚手架安全技术规范JGJ130-2011 3.4.3 可调托撑受压承载力设计值不应小于40kN,支托板厚不应小于 5mm。6.2.3主节点处必须设置一根横向水平杆,用直角扣件扣接且严禁拆除。6.3.3脚手架立杆基础不在同一高度上时,必须将高处的纵向扫地杆向低处延长两跨与立杆固定,高低差不应大于1m。靠边坡上方的立杆轴线到边坡的距离不应...

1、当您付费下载文档后,您只拥有了使用权限,并不意味着购买了版权,文档只能用于自身使用,不得用于其他商业用途(如 [转卖]进行直接盈利或[编辑后售卖]进行间接盈利)。
2、本站所有内容均由合作方或网友上传,本站不对文档的完整性、权威性及其观点立场正确性做任何保证或承诺!文档内容仅供研究参考,付费前请自行鉴别。
3、如文档内容存在违规,或者侵犯商业秘密、侵犯著作权等,请点击“违规举报”。

碎片内容

最新工程建设强制性条文

确认删除?
VIP
微信客服
  • 扫码咨询
会员Q群
  • 会员专属群点击这里加入QQ群
客服邮箱
回到顶部