电脑桌面
添加小米粒文库到电脑桌面
安装后可以在桌面快捷访问

工程施工安全环保健康措施VIP免费

工程施工安全环保健康措施_第1页
1/10
工程施工安全环保健康措施_第2页
2/10
工程施工安全环保健康措施_第3页
3/10
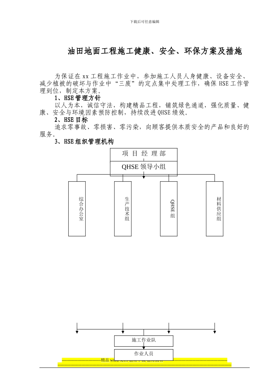
下载后可任意编辑油田地面工程施工健康、安全、环保方案及措施为保证在 xx 工程施工作业中,参加施工人员人身健康、设备安全、减少植被的破坏与作业中“三废”的定点集中处理工作,确保 HSE 工作管理到位,制定本方案。1、HSE 管理方针以人为本,诚信守法,构建精品工程,铺筑绿色通道,强化质量、健康、安全与环境因素预防控制,持续改进 QHSE 绩效。2、HSE 目标追求零事故、零损害、零污染,向顾客提供本质安全的产品和良好的服务。3、HSE 组织管理机构 ----------------------------精品 word 文档 值得下载 值得拥有---------------------------------------------------------------------------------------------------------------------------------------------------------------------------综合办公室生产技术组QHSE组材料供应组施工作业队项 目 经 理 部QHSE 领导小组作业人员下载后可任意编辑4、HSE 责任制4.1 项目经理(副经理职责)1、仔细按《公司 QHSE 管理体系文件》中,“承诺、方针、战略目标”抓健康、安全与环境标准化管理,做好对人员的劳动卫生、环境保护安全方面法律、法规学习教育。负责组织对参加施工的人员和投入的设备以及施工区域内的环境进行评价。落实作业过程中人员劳保护具、防护设施的上岗到位、设备操作、机具完整性、安全制度、环保措施执行情况并实施监督检查。2、建立 HSE 管理网络组织,健全各岗位 HSE 工作责任制,确定工作目标,将责任落实到人,仔细履行职责,接受业主对 HSE 工作的监督和指导。3、落实项目部所有活动均以《公司 QHSE 管理体系文件》开展程序化、法律规范化工作,针对施工中的特种作业性质、作业环境、自然环境做好HSE 策划和风险削减措施制定工作。4、对发生的 QHSE 事故严格按“四不放过”的原则,进行调查、分析、上报、处理。5、成立应急(抢险)小组,编制《应急(抢险)预案》,明确分工,制定职责,并配备一定数量的应急物资及医疗急救药品、器械。4.2 综合办公室职责 1、负责工程施工合同、HSE 合同及其他合同条款的落实,并监督合同履行情况;2、负责 QHSE 体系运行、设备修理所需的资金计划的编制、上报及落实;3、负责建设计划和经营计划的编制和经营业绩指标的考核;4、根据《企业会计准则—建造合同》的要求,进行单项工程成本核算;5、负责对体系运行绩效的监测和考核,组织对工程 QHSE 业绩的评价;6、收集顾客、相关方意...

1、当您付费下载文档后,您只拥有了使用权限,并不意味着购买了版权,文档只能用于自身使用,不得用于其他商业用途(如 [转卖]进行直接盈利或[编辑后售卖]进行间接盈利)。
2、本站所有内容均由合作方或网友上传,本站不对文档的完整性、权威性及其观点立场正确性做任何保证或承诺!文档内容仅供研究参考,付费前请自行鉴别。
3、如文档内容存在违规,或者侵犯商业秘密、侵犯著作权等,请点击“违规举报”。

碎片内容

工程施工安全环保健康措施

您可能关注的文档

确认删除?
VIP
微信客服
  • 扫码咨询
会员Q群
  • 会员专属群点击这里加入QQ群
客服邮箱
回到顶部