电脑桌面
添加小米粒文库到电脑桌面
安装后可以在桌面快捷访问

广陵区建筑施工企业安全生产检查表VIP免费

广陵区建筑施工企业安全生产检查表_第1页
1/4
广陵区建筑施工企业安全生产检查表_第2页
2/4
广陵区建筑施工企业安全生产检查表_第3页
3/4
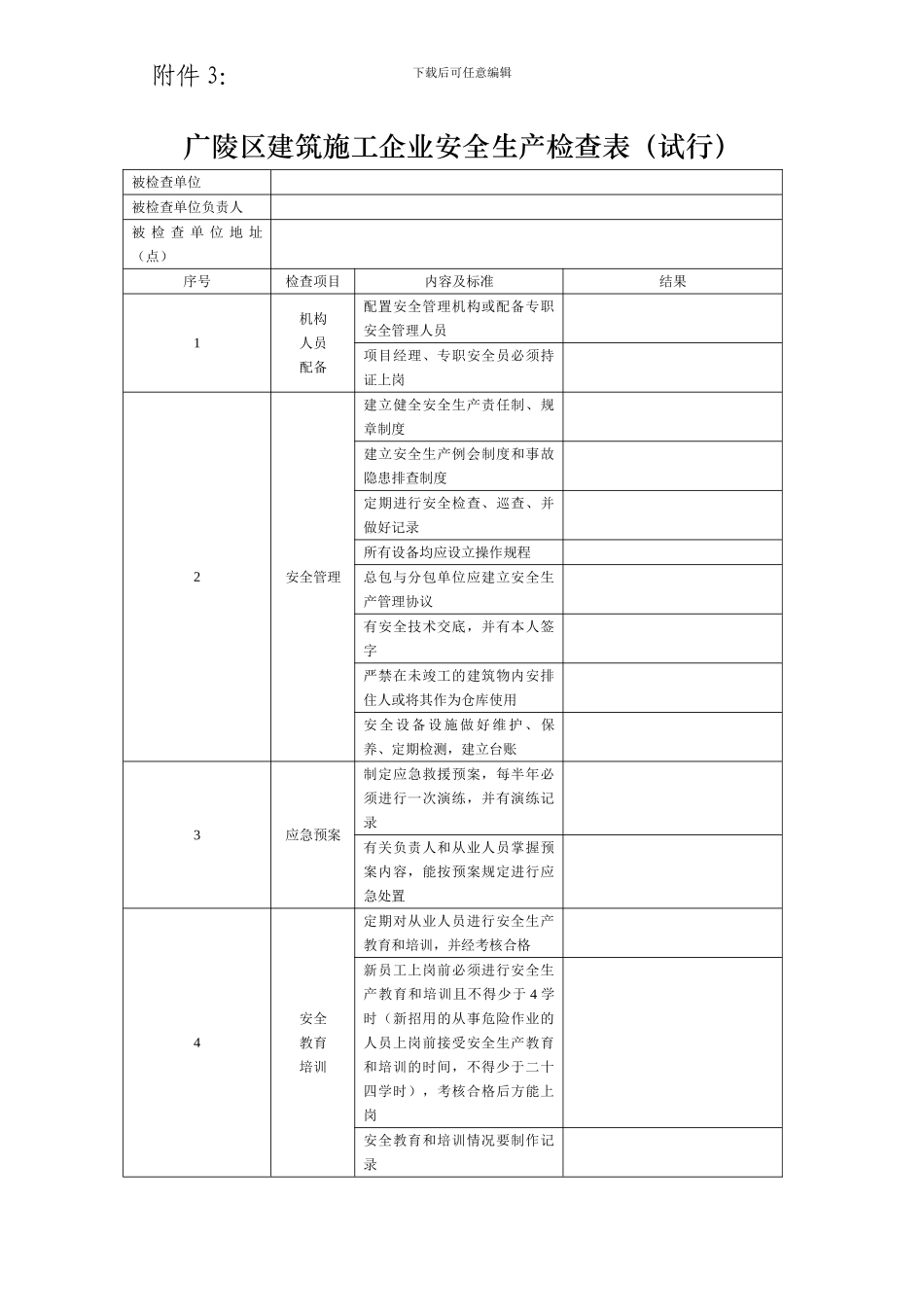
下载后可任意编辑广陵区建筑施工企业安全生产检查表(试行)被检查单位被检查单位负责人被 检 查 单 位 地 址(点)序号检查项目内容及标准结果1机构人员配备配置安全管理机构或配备专职安全管理人员项目经理、专职安全员必须持证上岗2安全管理建立健全安全生产责任制、规章制度建立安全生产例会制度和事故隐患排查制度定期进行安全检查、巡查、并做好记录所有设备均应设立操作规程总包与分包单位应建立安全生产管理协议有安全技术交底,并有本人签字严禁在未竣工的建筑物内安排住人或将其作为仓库使用安 全 设 备 设 施 做 好 维 护 、 保养、定期检测,建立台账3应急预案制定应急救援预案,每半年必须进行一次演练,并有演练记录有关负责人和从业人员掌握预案内容,能按预案规定进行应急处置4安全教育培训定期对从业人员进行安全生产教育和培训,并经考核合格新员工上岗前必须进行安全生产教育和培训且不得少于 4 学时(新招用的从事危险作业的人员上岗前接受安全生产教育和培训的时间,不得少于二十四学时),考核合格后方能上岗安全教育和培训情况要制作记录附件 3:下载后可任意编辑5脚手架20 米以上脚手架搭设必须有审批手续基础平整坚实,有排水措施脚手板必须按规定铺设,外侧应设一道护身栏和挡脚板水平安全网按规定设置,架体外侧用密目安全网封闭人行马道宽度不小于 1 米,坡度不大于 1:3,运料马道宽度不小于 1.5 米,坡度不大于 1:6高度 24 米以上或悬挑架应满剪悬挑架应用型钢做支座作业层脚手板与建筑物之间空隙大于 15cm 时应全封闭,主节点处应设一根横向水平杆6特种作业人员管理依法取得作业资质,持证上岗7土方基坑土方施工及支护符合法律规范和施工方案要求坑、沟、槽邻边防护符合标准7土方基坑坑、沟上、下人设马道或梯子坑边堆放物、料及机具符合安全距离基坑施工有排水设施孔下作业设专人监护8模板工程施工方案经审批后方可实施模板存放应符合规定要求9“三宝”、“四口”、临边安全管理进入施工现场,必须正确佩戴安全帽,高空作业人员必须正确使用安全带1.5×1.5 米以上孔洞必须盖实盖严,对其以上的孔洞,四周应设两道防护栏杆,中间支挂水平安全网楼 外 沿 、 电 梯 井 口 有 防 护 措施,预留洞口、后浇带、坑井防护严密防护棚搭设符合要求阳台、楼层、屋层、卸料平台等临边防护符合标准10临时用电应制定临时用电方案严 格 执 行 “ 一 机 、 一 箱 、 一下...

1、当您付费下载文档后,您只拥有了使用权限,并不意味着购买了版权,文档只能用于自身使用,不得用于其他商业用途(如 [转卖]进行直接盈利或[编辑后售卖]进行间接盈利)。
2、本站所有内容均由合作方或网友上传,本站不对文档的完整性、权威性及其观点立场正确性做任何保证或承诺!文档内容仅供研究参考,付费前请自行鉴别。
3、如文档内容存在违规,或者侵犯商业秘密、侵犯著作权等,请点击“违规举报”。

碎片内容

广陵区建筑施工企业安全生产检查表

您可能关注的文档

确认删除?
VIP
微信客服
  • 扫码咨询
会员Q群
  • 会员专属群点击这里加入QQ群
客服邮箱
回到顶部