电脑桌面
添加小米粒文库到电脑桌面
安装后可以在桌面快捷访问

建筑工程资料管理规定1VIP免费

建筑工程资料管理规定1_第1页
1/15
建筑工程资料管理规定1_第2页
2/15
建筑工程资料管理规定1_第3页
3/15
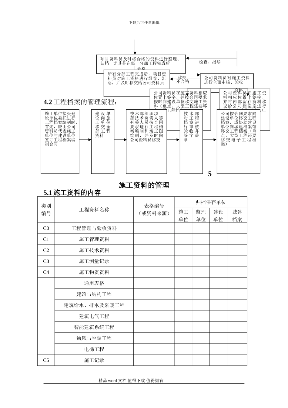
下载后可任意编辑1 总则1.1 为了加强技术资料的统一管理,提高技术管理水平,根据北京市建设委员会、北京市规划委员会所发京建科教〔2024〕10 号关于发布北京市标准《建筑工程资料管理规程》、《北京市市政公用工程施工技术资料管理规定》。特制定本规定。1.2 本规定适用于工业与民用建筑工程,市政公用工程,凡在北京市行政区域内施工时执行本规定。外埠工程及有特别要求的工程,除应满足本规定的基本要求外,还应满足所在地区的相应规定及要求。1.3 工程资料实行总工程师、主任工程师(技术负责人)负责制。1.4 工程资料必须真实的反映工程的实际情况且随施工进度及时整理。应按系统、专业归档整理,保证完整、准确,必须由各级技术负责人审核。资料成果应由技术负责人和企业法人代表签字并加盖单位公章,对涂改、伪造、随意抽撤或损毁、丢失资料等玩忽职守,并由此造成资料不合格的,对责任者给予处罚。1.5 工程资料应在竣工前整理、汇总完毕,负责编制的资料如无特别规定不少于 2 套,其中一套交建设单位,一套交公司技术部。2 管理职责2.1 技术部职责2.1.1 加强对施工资料的管理和领导,建立健全施工资料管理制度,2.1.2 设档案管理和技术资料管理岗位,配备技术人员专职从事资料管理工作。担任本岗位的人员必须具有助理工程师以上职称,并持有“城建档案管理员”证书和“资料员上岗证书”。2.1.3 每季度对在施工程进行一次施工资料检查,发现问题限期整改。对限期内整改未达标的单位,将给予一定处罚。2.1.4 工程竣工前一个月,对工程项目的竣工资料进行预检,预检通过后方可进行竣工验收。2.1.5 参加评优工程项目的资料检查与报审工作。2.1.6 负责与建设单位在签订工程档案合同,合同中应对工程竣工档案的编制责任、编制份数、移交期限及编制费用做出明确的规定。2.2 项目经理部职责2.2.1 项目经理部设专职资料员,负责技术资料的收集、整理、归档、保管工作。担任该岗位人员须具有技术员以上职称,取得上岗证后方可从事该项管理工作。2.2.2 工程施工前应编制施工资料目标设计,由主任工程师审批后报技术部备案。主任工程师要向所有分包单位及相关业务人员进行资料目标设计交底。2.2.3 主任工程师应每月组织技术、生产、材料等有关部门召开一次资料管理例会,对资料工作进行总结2.2.4 与资料有关的业务人员应定期向资料员移交施工资料,并建立台帐。要明确移交时间,以便及时归档(包括总包单位与分包单位)2.2.5 技...

1、当您付费下载文档后,您只拥有了使用权限,并不意味着购买了版权,文档只能用于自身使用,不得用于其他商业用途(如 [转卖]进行直接盈利或[编辑后售卖]进行间接盈利)。
2、本站所有内容均由合作方或网友上传,本站不对文档的完整性、权威性及其观点立场正确性做任何保证或承诺!文档内容仅供研究参考,付费前请自行鉴别。
3、如文档内容存在违规,或者侵犯商业秘密、侵犯著作权等,请点击“违规举报”。

碎片内容

建筑工程资料管理规定1

您可能关注的文档

确认删除?
VIP
微信客服
  • 扫码咨询
会员Q群
  • 会员专属群点击这里加入QQ群
客服邮箱
回到顶部