电脑桌面
添加小米粒文库到电脑桌面
安装后可以在桌面快捷访问

建筑施工企业安全生产主体责任级别评定标准VIP免费

建筑施工企业安全生产主体责任级别评定标准_第1页
1/3
建筑施工企业安全生产主体责任级别评定标准_第2页
2/3
建筑施工企业安全生产主体责任级别评定标准_第3页
3/3
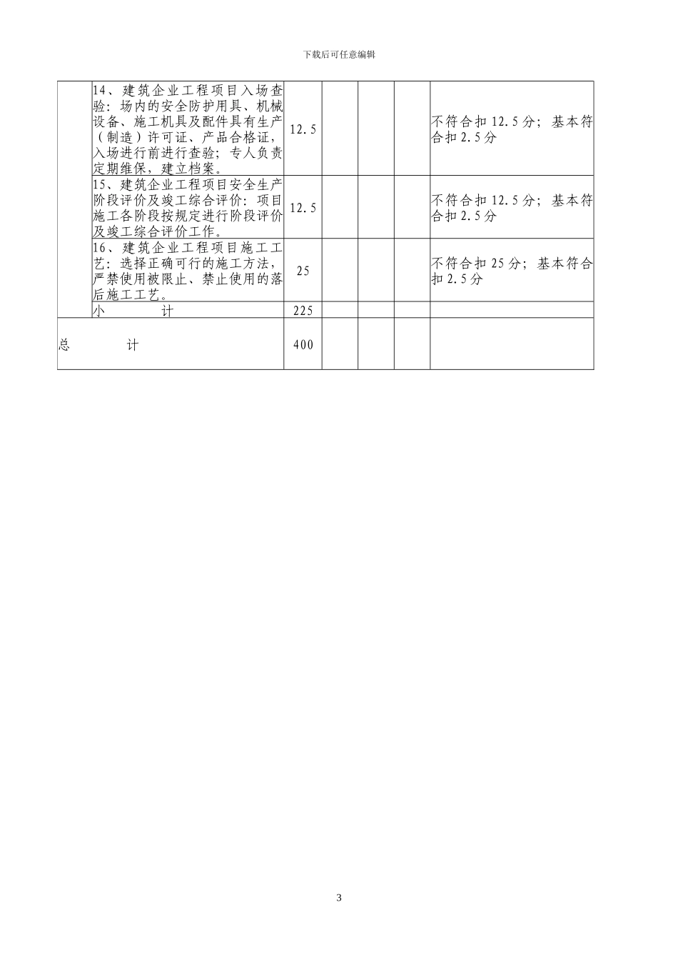
附件:建筑施工企业安全生产主体责任级别评定标准(400 分) 类别级别评定项目评定分值企业自评 初审 评定评分标准一建筑企业安全保障体系建立情况(175分)1、建筑企业建立完善各项安全生产规章制度,安全管理台帐资料齐全及时,符合实际。25不符合扣 25 分;基本符合扣 2.5 分2、建筑企业建立重大危险源管理制度,施工现场重大危险源和污染源依规公示。25不符合扣 25 分;基本符合扣 2.5 分3、建筑企业针对危险性较大分部分项工程专项技术方案按相关规定进行审查审批和专家论证。25不符合扣 25 分;基本符合扣 2.5 分4、建筑企业建立安全检查和隐患排查制度,安全员每日全面安全检查,项目部每月全面安全巡查,做好检查记录,发出整改通知并跟踪落实。按时完成监管、建设、监理单位和项目经理、安全员的安全文明整改要求。25不符合扣 25 分;基本符合扣 2.5 分5、建筑企业建立安全管理机构,项目经理、技术负责人和安全员具备从业资格,持有效的三类人员证书并按足够数量配置且是否到位。25不符合扣 25 分;基本符合扣 2.5 分6、建筑企业建立完善事故报告和安全生产事故应急预案救援体系,并组织演练。12.5不符合扣 12.5 分;基本符合扣 2.5 分7、建筑企业在施工工期在 2 年以上且面积在 5 万以上的工程㎡项目依规定设置农民工学校,设置安全文化牌和宣传指示栏,落实工人三级教育。12.5不符合扣 12.5 分;基本符合扣 2.5 分8、建筑企业推行现场操作工人持有平安卡(抽查持卡率)上岗作业。12.5不足 85%扣 12.5 分;高于85%不足 100%扣 2.5 分9、建筑企业的特种作业人员持有效证件上岗。 12.5不符合扣 12.5 分 小 计1751、建筑企业工程项目文明施工情况:现场围挡、封闭管理、施工场地、材料堆放、现场住宿等符合法律规范。25不符合扣 25 分;基本符合扣 2.5 分下载后可任意编辑二建筑企业建筑企业安全文明施工实体情况(225分)2、建筑企业工程项目落地式脚手架:立杆基础、架体与建筑拉接、剪刀撑、防护栏杆、杆件设置等符合法律规范。12.5不符合扣 12.5 分;基本符合扣 2.5 分3、建筑企业工程项目悬挑式脚手架:悬挑梁及架体稳定、荷载、杆间距、架体防护、层间防护等符合法律规范。12.5不符合扣 12.5 分;基本符合扣 2.5 分4、建筑企业工程项目门型脚手架:架体基础、架体稳定、杆件与锁件、架体防护、荷载等符合法律规范。12.5不符合扣 12.5 分;基本符合扣 2.5 分5、建...

1、当您付费下载文档后,您只拥有了使用权限,并不意味着购买了版权,文档只能用于自身使用,不得用于其他商业用途(如 [转卖]进行直接盈利或[编辑后售卖]进行间接盈利)。
2、本站所有内容均由合作方或网友上传,本站不对文档的完整性、权威性及其观点立场正确性做任何保证或承诺!文档内容仅供研究参考,付费前请自行鉴别。
3、如文档内容存在违规,或者侵犯商业秘密、侵犯著作权等,请点击“违规举报”。

碎片内容

建筑施工企业安全生产主体责任级别评定标准

确认删除?
VIP
微信客服
  • 扫码咨询
会员Q群
  • 会员专属群点击这里加入QQ群
客服邮箱
回到顶部