电脑桌面
添加小米粒文库到电脑桌面
安装后可以在桌面快捷访问

建筑施工企业安全生产责任目标考评细则VIP免费

建筑施工企业安全生产责任目标考评细则_第1页
1/8
建筑施工企业安全生产责任目标考评细则_第2页
2/8
建筑施工企业安全生产责任目标考评细则_第3页
3/8
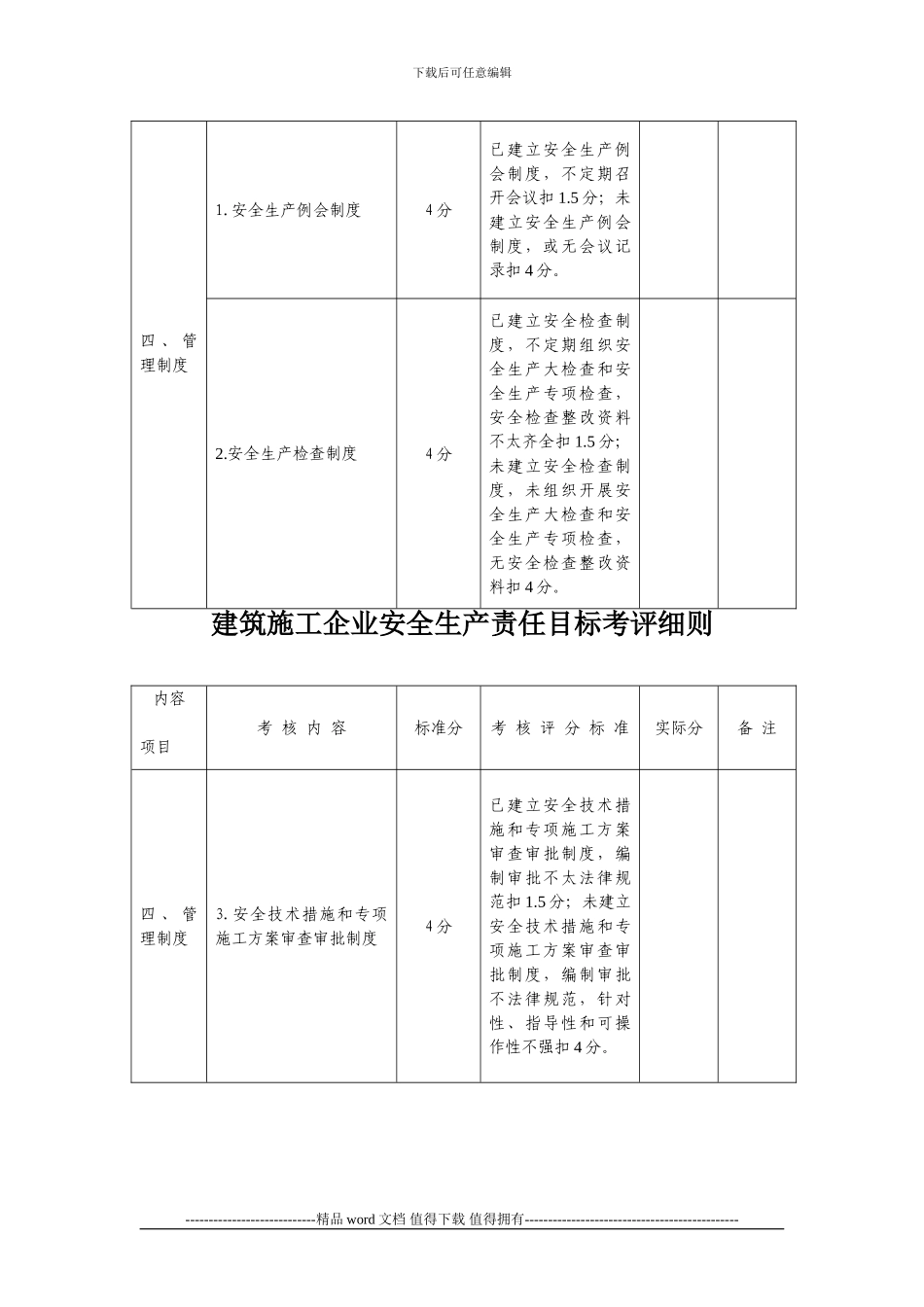
下载后可任意编辑建筑施工企业安全生产责任目标考评细则内容项目考 核 内 容标准分考 核 评 分 标 准实际分备 注一 、 安全 责 任体系1.安全生产领导小组建立情况4 分已经建立安全生产领导小组,但未发文公布扣 1.5 分;尚未建立安全生产领导小组扣 4 分。2. 安全生产管理机构设置及专职安全生产管理人员配备情况4 分基本按要求设置安全生产管理机构,但配备的专职安全生产管理人员的数量较少扣 1.5 分;没有按要求设置安全生产管理机构或未配备专职安全生产 管 理 人 员 扣 4分。3. 安全生产责任制建立及落实情况4 分已经建立安全生产责任制,并层层签定目标责任书,但内 容 不 齐 全 扣 1.5分;尚未制定安全生产责任制,或已经建立安全生产责任制,但未层层分解落实扣 4 分。二 、 两项 许 可1.安全生产许可证办理情况4 分尚未办理安全生产许可证扣 4 分。----------------------------精品 word 文档 值得下载 值得拥有----------------------------------------------下载后可任意编辑办理2.三类人员安全生产考核情况4 分绝大部分三类人员已办理安全生产考核合格证书,经抽查,三类人员持证上岗率达到 80%(含80%)以上,未达到100% 的 扣 1.5 分 ;所有人员或大部分三类人员未办理安全生产考核合格证书,经抽查,三类人员持证上岗率低于 80%扣 4 分。建筑施工企业安全生产责任目标考评细则内容项目考 核 内 容标准分考 核 评 分 标 准实际分备 注三 、 宣传贯彻1.贯彻落实国家及省有关安全生产精神情况4 分能宣传贯彻国家和省有关安全生产文件精神,但未组织开 展 相 应 工 作 1.5分;未及时宣传贯彻国家和省有关安全生产文件精神,也未组织开展相应工作扣 4 分。2.贯彻全省中央驻豫和省管建筑施工企业安全生产工作会议精神情况4 分能传达会议精神,组 织 开 展 相 应 工作,但未及时上报有关资料扣 1.5 分;未及时传达会议精神,未及时上报有关资料扣 4 分。----------------------------精品 word 文档 值得下载 值得拥有----------------------------------------------下载后可任意编辑四 、 管理制度1.安全生产例会制度4 分已建立安全生产例会制度,不定期召开会议扣 1.5 分;未建立安全生产例会制度,或无会议记录扣 4 分。2.安全生产检查制度4 分已建立安全检查制度,不定期组织安全生产大检查和安全生产专项检查,安全检查整...

1、当您付费下载文档后,您只拥有了使用权限,并不意味着购买了版权,文档只能用于自身使用,不得用于其他商业用途(如 [转卖]进行直接盈利或[编辑后售卖]进行间接盈利)。
2、本站所有内容均由合作方或网友上传,本站不对文档的完整性、权威性及其观点立场正确性做任何保证或承诺!文档内容仅供研究参考,付费前请自行鉴别。
3、如文档内容存在违规,或者侵犯商业秘密、侵犯著作权等,请点击“违规举报”。

碎片内容

建筑施工企业安全生产责任目标考评细则

您可能关注的文档

领读文化+ 关注
实名认证
内容提供者

传播文化,铸就未来

确认删除?
VIP
微信客服
  • 扫码咨询
会员Q群
  • 会员专属群点击这里加入QQ群
客服邮箱
回到顶部