电脑桌面
添加小米粒文库到电脑桌面
安装后可以在桌面快捷访问

建筑施工安全检查评分汇总表2024新版VIP免费

建筑施工安全检查评分汇总表2024新版_第1页
1/35
建筑施工安全检查评分汇总表2024新版_第2页
2/35
建筑施工安全检查评分汇总表2024新版_第3页
3/35
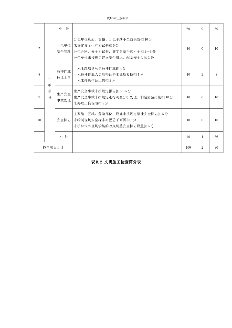
下载后可任意编辑附录 A 建筑施工安全检查评分汇总表 表A 建筑施工安全检查评分汇总表企业名称: 德清乾溪建筑工程有限公司 资质等级: 三级 2024年9月 15日单位工程(施工现场)名 称建筑面积(m2)结构类型总计得分(满分分值100 分)项 目 名 称 及 分 值安全管理(满分 10分)文明施工(满分 15分)脚手架(满分 10分) 基坑工程(满分10 分)模板支架(满分 10分)高处作业(满分 10分)施工用电(满分10分)物料提升机与施工升降机(满分 10分)塔式起重机与起重吊装(满分 10 分)施工机具(满分 5分)浙江东立绿源科技股份有限公司新建厂房1138.31㎡单层门式钢架结构93.79.614.1/9.4//9.1//4.65评语: 该项目基础100%阶段的安全生产状况较好,基本能按《建筑施工安全检查标准》(JGJ59-2024)实施意见、《施工现场临时用电安全技术法律规范》、《建筑机械使用安全技术规程》及各种安全生产操作规程等组织施工管理,核评结果为优良。检查单位德清乾溪建筑工程有限公司安全科负责人受检项目基础100%阶段项目经理下载后可任意编辑附录 B 建筑施工安全分项检查评分表表 B.1 安全管理检查评分表序号检查项目扣 分 标 准应得分数扣减分数实得分数1保 证 项 目安全生产责任制未建立安全生产责任制扣 10 分安全生产责任制未经责任人签字确认扣 3 分未制定各工种安全技术操作规程扣 10 分未按规定配备专职安全员扣 10 分工程项目部承包合同中未明确安全生产考核指标扣 8 分未制定安全资金保障制度扣 5 分未编制安全资金使用计划及实施扣 2~5 分未制定安全生产管理目标(伤亡控制、安全达标、文明施工)扣 5 分未进行安全责任目标分解的扣 5 分未建立安全生产责任制、责任目标考核制度扣 5 分未按考核制度对管理人员定期考核扣 2~5 分100102施 工 组织 设 计施工组织设计中未制定安全措施扣 10 分危险性较大的分部分项工程未编制安全专项施工方案,扣 3~8 分未按规定对专项方案进行专家论证扣 10 分施工组织设计、专项方案未经审批扣 10 分安全措施、专项方案无针对性或缺少设计计算扣 6~8 分未按方案组织实施扣 5~10 分100103安全技术交 底未实行书面安全技术交底扣 10 分交底未做到分部分项扣 5 分交底内容针对性不强扣 3~5 分交底内容不全面扣 4 分交底未履行签字手续扣 2~4 分100104安全检查未建立安全检查(定期、季节性)制度扣 5 分未留有...

1、当您付费下载文档后,您只拥有了使用权限,并不意味着购买了版权,文档只能用于自身使用,不得用于其他商业用途(如 [转卖]进行直接盈利或[编辑后售卖]进行间接盈利)。
2、本站所有内容均由合作方或网友上传,本站不对文档的完整性、权威性及其观点立场正确性做任何保证或承诺!文档内容仅供研究参考,付费前请自行鉴别。
3、如文档内容存在违规,或者侵犯商业秘密、侵犯著作权等,请点击“违规举报”。

碎片内容

建筑施工安全检查评分汇总表2024新版

您可能关注的文档

确认删除?
VIP
微信客服
  • 扫码咨询
会员Q群
  • 会员专属群点击这里加入QQ群
客服邮箱
回到顶部