电脑桌面
添加小米粒文库到电脑桌面
安装后可以在桌面快捷访问

建筑施工安全生产检查表-Microsoft-Office-Word-文档VIP免费

建筑施工安全生产检查表-Microsoft-Office-Word-文档_第1页
1/14
建筑施工安全生产检查表-Microsoft-Office-Word-文档_第2页
2/14
建筑施工安全生产检查表-Microsoft-Office-Word-文档_第3页
3/14
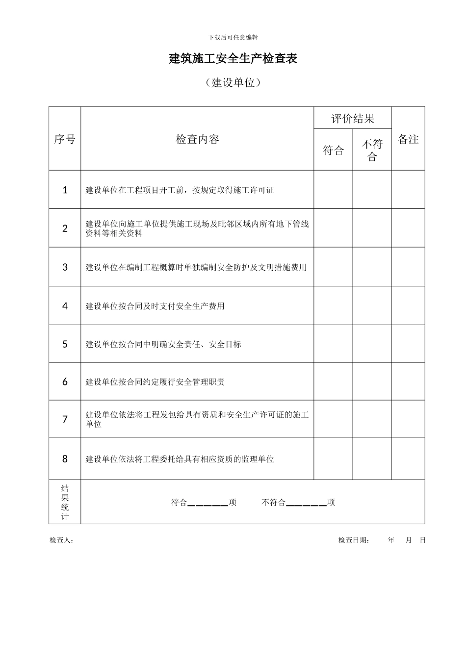
下载后可任意编辑综合表一:建筑施工安全生产检查表(项目基本情况)工程所在省(市、县) 检查人: 检查日期: 年 月 日综合表二:工程名称:工程地址:施工许可证号:建筑面积:合同造价:形象进度:结构形式: 建筑层数:开工日期:计划竣工日期:建设单位单位名称:项目负责人:监理单位单位名称: 资质等级:总监理工程师:执业资格:总包单位单位名称:企业资质:资质等级:项目经理:执业资格:专业分包单位架体工程施工单位单位名称:资质等级: 负责人:基坑工程施工单位单位名称:资质等级: 负责人:起重机械安拆单位单位名称:资质等级: 负责人:起重机械租凭单位单位名称:资质等级: 负责人:劳务分包单位1 负责人:2 负责人:下载后可任意编辑建筑施工安全生产检查表(建设单位) 检查人: 检查日期: 年 月 日序号检查内容评价结果备注符合不符合1建设单位在工程项目开工前,按规定取得施工许可证2建设单位向施工单位提供施工现场及毗邻区域内所有地下管线资料等相关资料3建设单位在编制工程概算时单独编制安全防护及文明措施费用4建设单位按合同及时支付安全生产费用5建设单位按合同中明确安全责任、安全目标6建设单位按合同约定履行安全管理职责7建设单位依法将工程发包给具有资质和安全生产许可证的施工单位8建设单位依法将工程委托给具有相应资质的监理单位结果统计符合▁▁▁▁▁项 不符合▁▁▁▁▁项下载后可任意编辑综合表三:建筑施工安全生产检查表(监理单位)序号检查内容评价结果备注符合不符合1监理单位根据监理法律规范要求,编制含有安全监理内容的监理规划和监理实施细则,需要专家论证的分项工程及旁站、节能、见证取样、安全等要编制单独的监理细则。 2施工单位要按要求对安全文明、临时用电、外架、模板(高大)、边坡支护等专项方案进行报审,项目总监按规定审查施工组织设计(方案)中的安全技术措施并签字,项目总监参加专家论证,施工单位应完善论证补充内容。 3监理单位按规定审核施工单位资质、安全生产许可证、“三类人员”和特种作业人员资格证书并有记录,包括营业执照、安全生产许可证、人员资格、安全培训等年审是否过期,过期的需要补报。 4监理单位按规定对材料设备进场进行查验并有记录,如安全帽、安全带报验,钢管、扣件报验和检测报告,施工电梯、塔吊方案、检测、验收及备案记录,产权备案等;在使用过程中的试验、防坠器使用日期、检修(月)记录等。 5监理各类记录...

1、当您付费下载文档后,您只拥有了使用权限,并不意味着购买了版权,文档只能用于自身使用,不得用于其他商业用途(如 [转卖]进行直接盈利或[编辑后售卖]进行间接盈利)。
2、本站所有内容均由合作方或网友上传,本站不对文档的完整性、权威性及其观点立场正确性做任何保证或承诺!文档内容仅供研究参考,付费前请自行鉴别。
3、如文档内容存在违规,或者侵犯商业秘密、侵犯著作权等,请点击“违规举报”。

碎片内容

建筑施工安全生产检查表-Microsoft-Office-Word-文档

阳光书坊+ 关注
实名认证
内容提供者

阳光书坊,传播未来

确认删除?
VIP
微信客服
  • 扫码咨询
会员Q群
  • 会员专属群点击这里加入QQ群
客服邮箱
回到顶部