电脑桌面
添加小米粒文库到电脑桌面
安装后可以在桌面快捷访问

建筑施工组织与管理课程设计任务书与指导1VIP免费

建筑施工组织与管理课程设计任务书与指导1_第1页
1/3
建筑施工组织与管理课程设计任务书与指导1_第2页
2/3
建筑施工组织与管理课程设计任务书与指导1_第3页
3/3
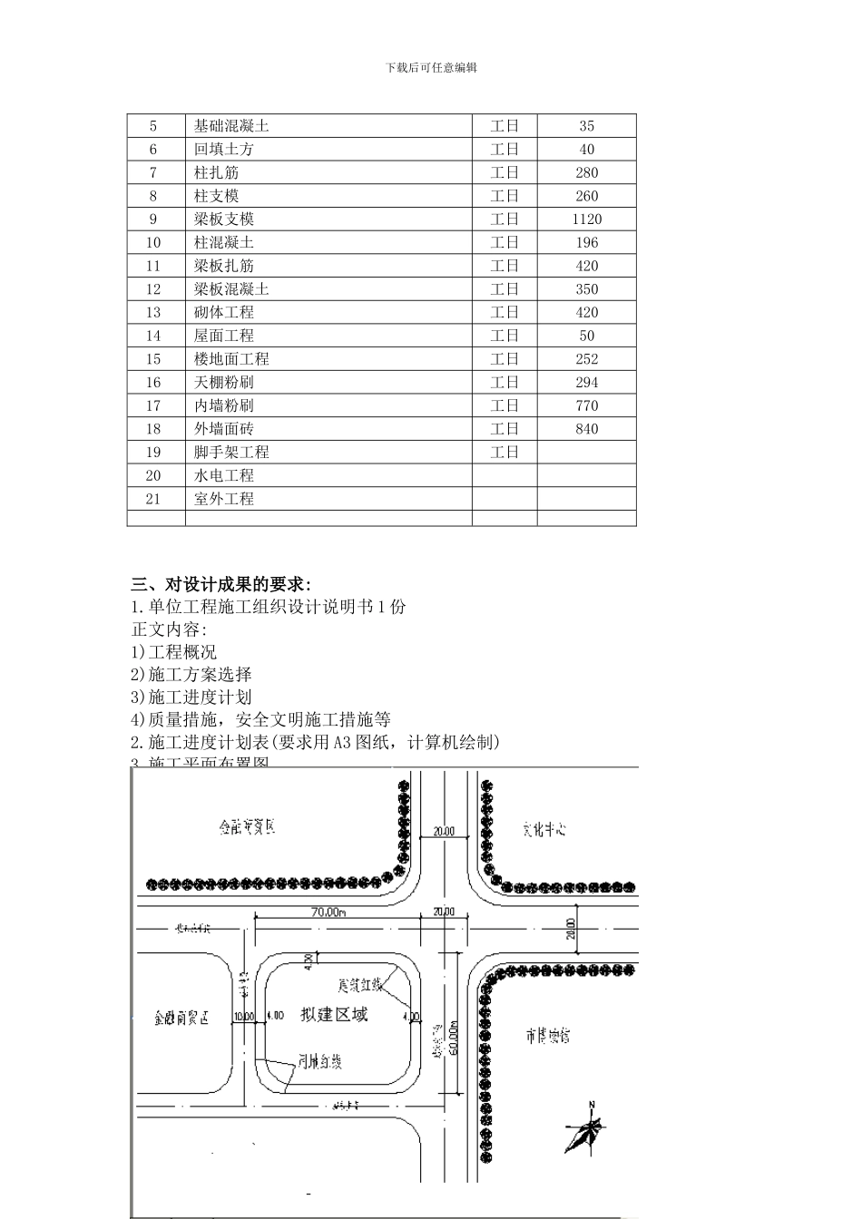
下载后可任意编辑建筑施工组织与管理课程设计任务书与指导书课程设计的目的施工组织课程设计是验证课堂理论,巩固和深化课堂所学知识的重要环节。通过课程设计,要求学生掌握建筑施工的基本知识,了解建筑施工组织设计编制的程序和依据,掌握编制方法、步骤。 课程设计的要求充分运用所学知识,独立完成某住宅楼的施工组织设计。课程设计应包括以下内容:(1)工程概况(2)施工方案的选择:主要工种工艺的施工顺序,施工方法,技术要求和质量控制措施,要求阐述清楚,有针对性。(3)施工进度计划的编制:确定各项工作的持续时间,明确各施工过程之间的工艺逻辑关系和组织逻辑关系。(4)质量、安全和节约等技术组织保证措施。(5)绘制施工现场平面布置图。某建筑施工组织设计任务书一、设计说明 本工程是某小区拟建的住宅楼,总建筑面积 3018.46m2。建筑物长33.84m,(从平面位置可分为两段)宽 12.24m,建筑占地面积 414.2 m2,其中地面以上 7 层,建筑高度自室外地面到女儿墙顶高 23.1m。层高为 3m。该工程采纳柱下独立基础,钢筋砼框架结构。抗震设防烈度为 8 度,建筑耐久年限为 50 年。填充墙体用加气混凝土砌块砌筑,墙厚 200mm。屋面为平屋面,有女儿墙,防水采纳 SBS 改性沥青卷材防水。内墙面、顶棚为混合砂浆抹灰,外墙面砖饰面。楼地面水泥砂浆加浆收光。门为夹板门、窗为塑钢窗。本工程位于市区,交通便利,水源由城市管网引入,电源由附近变电室引入,场地平整。本工程估计 2024 年 3 月初开工,2024 年 8 月初竣工。二、主要施工项目工程量一览表序号施工项目单位劳动量1开挖土方工日1202基础垫层工日223基础扎筋工日404基础支模工日98下载后可任意编辑5基础混凝土工日356回填土方工日407柱扎筋工日2808柱支模工日2609梁板支模工日112010柱混凝土工日19611梁板扎筋工日42012梁板混凝土工日35013砌体工程工日42014屋面工程工日5015楼地面工程工日25216天棚粉刷工日29417内墙粉刷工日77018外墙面砖工日84019脚手架工程工日20水电工程21室外工程三、对设计成果的要求:1.单位工程施工组织设计说明书 1 份正文内容:1)工程概况2)施工方案选择3)施工进度计划4)质量措施,安全文明施工措施等2.施工进度计划表(要求用 A3 图纸,计算机绘制)3.施工平面布置图四、参考文献:1.《建筑施工手册》(第四版),中国建筑工业出版社,20242.《建筑工程质量验收法律规范》GB50210—20243. 相关书籍下载后可任意编辑

1、当您付费下载文档后,您只拥有了使用权限,并不意味着购买了版权,文档只能用于自身使用,不得用于其他商业用途(如 [转卖]进行直接盈利或[编辑后售卖]进行间接盈利)。
2、本站所有内容均由合作方或网友上传,本站不对文档的完整性、权威性及其观点立场正确性做任何保证或承诺!文档内容仅供研究参考,付费前请自行鉴别。
3、如文档内容存在违规,或者侵犯商业秘密、侵犯著作权等,请点击“违规举报”。

碎片内容

建筑施工组织与管理课程设计任务书与指导1

您可能关注的文档

确认删除?
VIP
微信客服
  • 扫码咨询
会员Q群
  • 会员专属群点击这里加入QQ群
客服邮箱
回到顶部