电脑桌面
添加小米粒文库到电脑桌面
安装后可以在桌面快捷访问

建筑防火材料的等级VIP专享VIP免费

建筑防火材料的等级_第1页
1/10
建筑防火材料的等级_第2页
2/10
建筑防火材料的等级_第3页
3/10
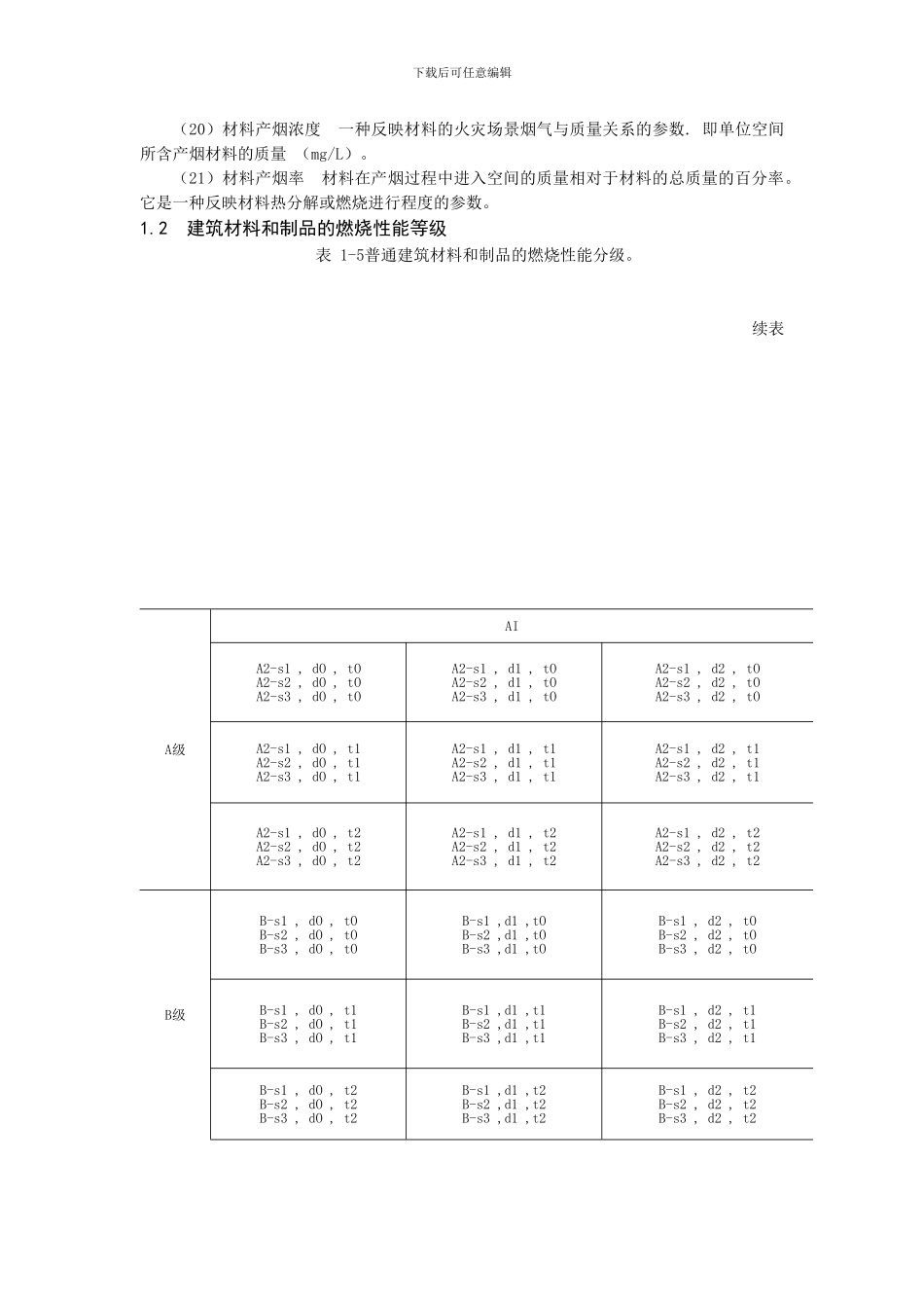
下载后可任意编辑我国建筑材料燃烧性能的分级标准 GB 8624 于 1988 年首次发布。 并分别于 1997 年和 2024 年进行了两次修订。GB 8624一1997 是参照原联邦德国标准 DIN 4102-1:1981《建筑材料和构件的火灾特性第1部分:建筑材料分级的要求和试验》进行的修订。在标准实施的十多年中。作为我国建筑材料及建筑物内部使用的部分特定用途材料的燃烧性能分级准则。 在评价材料的防火性能、指导防火安全设计、实施消防安全监督、执行防火设计法律规范等方面发挥了重要的作用,产生了显著的社会经济效益。1 建筑材料及制品燃烧性能分级建筑材料及制品燃烧性能按 GB 8624一2024 进行划分。1.1 有关建筑材料和制品的相关术语(1)建筑制品 要求给出包括安装、构造、组成等相关信息的建筑材料、构件或其组件。(2)建筑材料 单一物质或若干物质均匀散布的混合物,例如金属、石材、木材、混凝土、含均匀散布胶黏剂或聚合物的矿物棉等。(3)均质制品 由单一材料组成的制品或整个制品内部具有均匀的密度和组分。(4)非均质制品 不满足均质制品定义的制品。由一种或多种主要和/或次要组分组成。(5)主要组分 构成非均质制品一个显著部分的材料,单层面密度≥1.0kg/m2 或厚度≥1.0mm的一层材料可视作主要组分。(6)次要组分 未构成非均质制品的一个显著部分,单层面密度<1.0kg/m2 且单层厚度<1.0mm的材料可视作次要组分。两层或多层次要组分直接相邻 (即它们之间没有主要组分)时,可视作一个次要组分,只要它们集合在一起符合一层次要组分的要求。(7)内部次要组分 其两面分别至少覆盖一种主要组分的次要组分。(8)外部次要组分 有一面未覆盖主要组分的次要组分。(9)铺地材料 由包含或不包含背衬的表面装饰层、基材、夹层和胶黏剂组成的地板上层材料。(10)基材 紧贴在要了解其信息的制品下面的材料。对于铺地材料,基材是指放置铺地材料的地板或代表该地板的材料。(11)标准基材 代表实际最终应用基材的制品。(12)最终应用 制品的实际应用. 它与不同火灾情景下影响该制品燃烧性能的各个方面相关。它包括制品的数量、方位、与其他邻近制品的相对位置和固定方法。(13)热值 单位质量物质燃烧所产生的热能量,以 J/kg表示。(14)总热值 当燃烧结束且所产生的全部水分都已凝聚时材料的热值。(15)燃烧滴落物/微粒 在燃烧试验中从试样上分离且燃烧持续达该试验方法规定的最短时间的材料。(16)FIGRA 用于...

1、当您付费下载文档后,您只拥有了使用权限,并不意味着购买了版权,文档只能用于自身使用,不得用于其他商业用途(如 [转卖]进行直接盈利或[编辑后售卖]进行间接盈利)。
2、本站所有内容均由合作方或网友上传,本站不对文档的完整性、权威性及其观点立场正确性做任何保证或承诺!文档内容仅供研究参考,付费前请自行鉴别。
3、如文档内容存在违规,或者侵犯商业秘密、侵犯著作权等,请点击“违规举报”。

碎片内容

建筑防火材料的等级

确认删除?
VIP
微信客服
  • 扫码咨询
会员Q群
  • 会员专属群点击这里加入QQ群
客服邮箱
回到顶部