电脑桌面
添加小米粒文库到电脑桌面
安装后可以在桌面快捷访问

建设工程文件管理规定VIP免费

建设工程文件管理规定_第1页
1/3
建设工程文件管理规定_第2页
2/3
建设工程文件管理规定_第3页
3/3
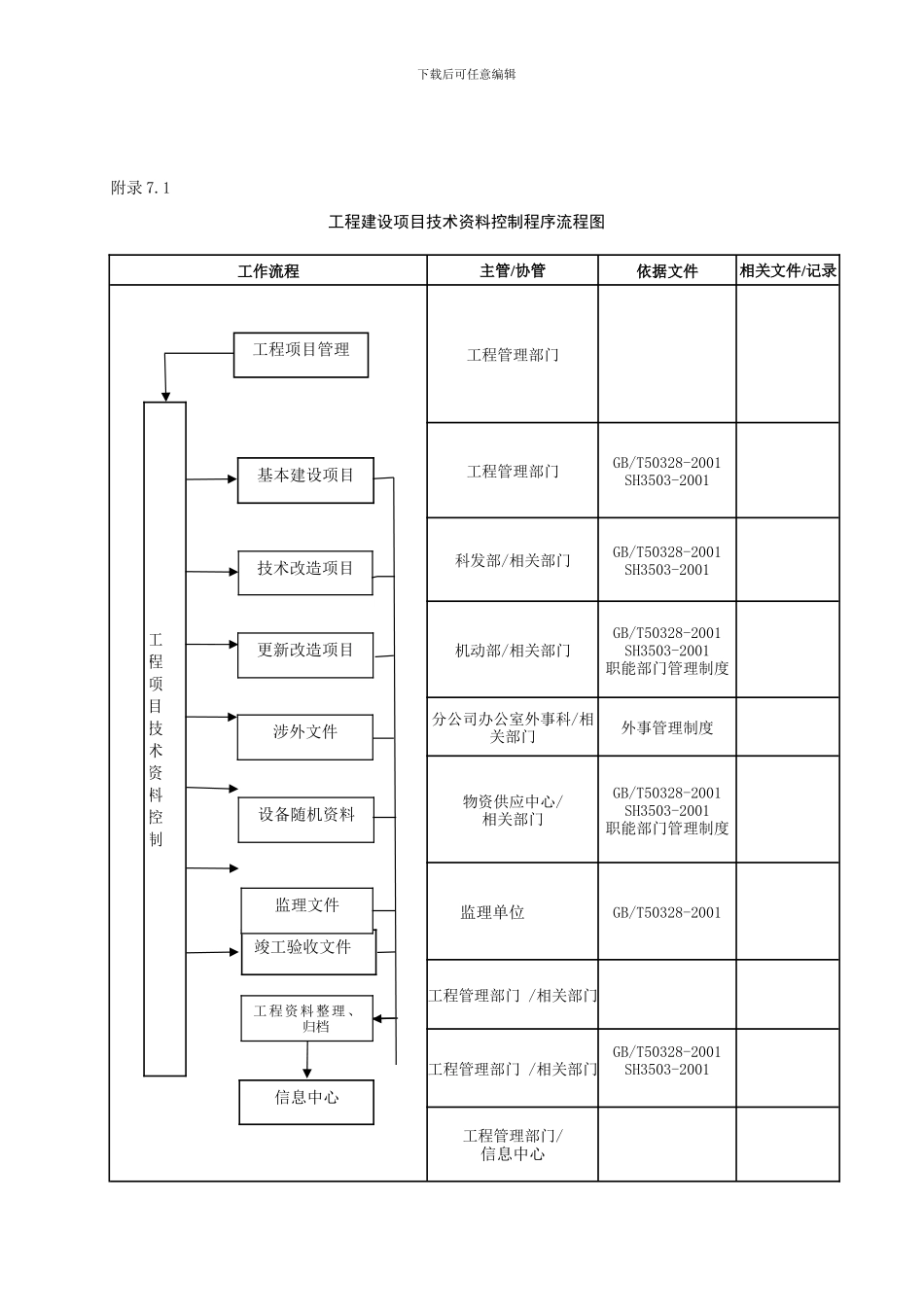
下载后可任意编辑安庆石化内部管理体系文件工程建设项目建设工程文件管理规定文件编号AQSH-3-46.006-2024版本/修改A/0共 11 页 1 目的 为法律规范本企业工程建设项目技术资料的管理行为,确保工程技术资料齐全、完整、准确,特制定本规定。2 适用范围本规定适用于本企业范围内的工程建设项目技术资料管理。3 职责3.1 科技进展部负责将工程项目从立项到基础设计结束之前技术资料的收集、整理和归档工作。3.2 工程管理部负责本部门所管的从工程项目详细设计至工程中交所形成的技术资料收集、整理、归档工作。3.3 属机动部委托项目设计的,应负责从工程项目详细设计至工程中交所形成的技术资料收集、整理、归档工作;属机动部负责施工管理的应负责施工阶段至竣工方面的技术资料收集。业务交叉处由相关部门协调解决。3.4 信息中心做好建设工程文件全过程跟踪指导工作,负责工程项目竣工验收中档案专项验收工作。3.5 科技进展部、工程管理部、机动部将各自形成的技术资料组卷成册后,按规定的时间向信息中心移交。4 管理内容与方法4.1 基本建设项目,由工程管理部门负责工程技术资料的收集、汇总、编制,向分公司信息中心、生产(使用)单位移交。4.2 技术改造项目由分公司科技进展部负责工程技术资料的收集、汇总、编制,向分公司信息中心、生产(使用)单位移交。4.3 更新改造项目由分公司机动部负责工程技术资料的收集、汇总、编制,向分公司信息中心、生产(使用)单位移交。4.4 在工程建设实施过程中,各工程管理部门以及与工程建设有关的单位(部门)应在各自的职责范围内搞好工程技术资料的收集、整理、分类和保管工作。4.5 工程管理部门指派专人负责管理工程技术资料。4.6 涉外文件由分公司外事部门管理,负责向各有关单位提供与工程建设有关的必备资料二十八套,以满足施工与归档的需要。4.7 分公司物资供应中心在签订我方不提供制造图的设备制造合同时,应将设备随机的技术资料(包括说明书)、设备制造图纸份数(其中竣工图不少于六套)订入合同。4.8 进口设备外文随机资料由分公司物资供应中心向外事部门提交,外事部门在翻译、印刷成册后交工程管理部门,以满足施工、生产与归档需要。4.9 工程技术资料在各单位(部门)之间的收发均应以收发单为依据。4.10 施工图的发放4.10.1 施工图的发放必须以施工委托书为依据。4.10.2 施工单位发九套施工图,其中两套以满足编制竣工图需要。4.10.3 工程管理部门根据需要发...

1、当您付费下载文档后,您只拥有了使用权限,并不意味着购买了版权,文档只能用于自身使用,不得用于其他商业用途(如 [转卖]进行直接盈利或[编辑后售卖]进行间接盈利)。
2、本站所有内容均由合作方或网友上传,本站不对文档的完整性、权威性及其观点立场正确性做任何保证或承诺!文档内容仅供研究参考,付费前请自行鉴别。
3、如文档内容存在违规,或者侵犯商业秘密、侵犯著作权等,请点击“违规举报”。

碎片内容

建设工程文件管理规定

您可能关注的文档

确认删除?
VIP
微信客服
  • 扫码咨询
会员Q群
  • 会员专属群点击这里加入QQ群
客服邮箱
回到顶部