电脑桌面
添加小米粒文库到电脑桌面
安装后可以在桌面快捷访问

恒和酒店工程脚手架施工方案VIP免费

恒和酒店工程脚手架施工方案_第1页
1/20
恒和酒店工程脚手架施工方案_第2页
2/20
恒和酒店工程脚手架施工方案_第3页
3/20
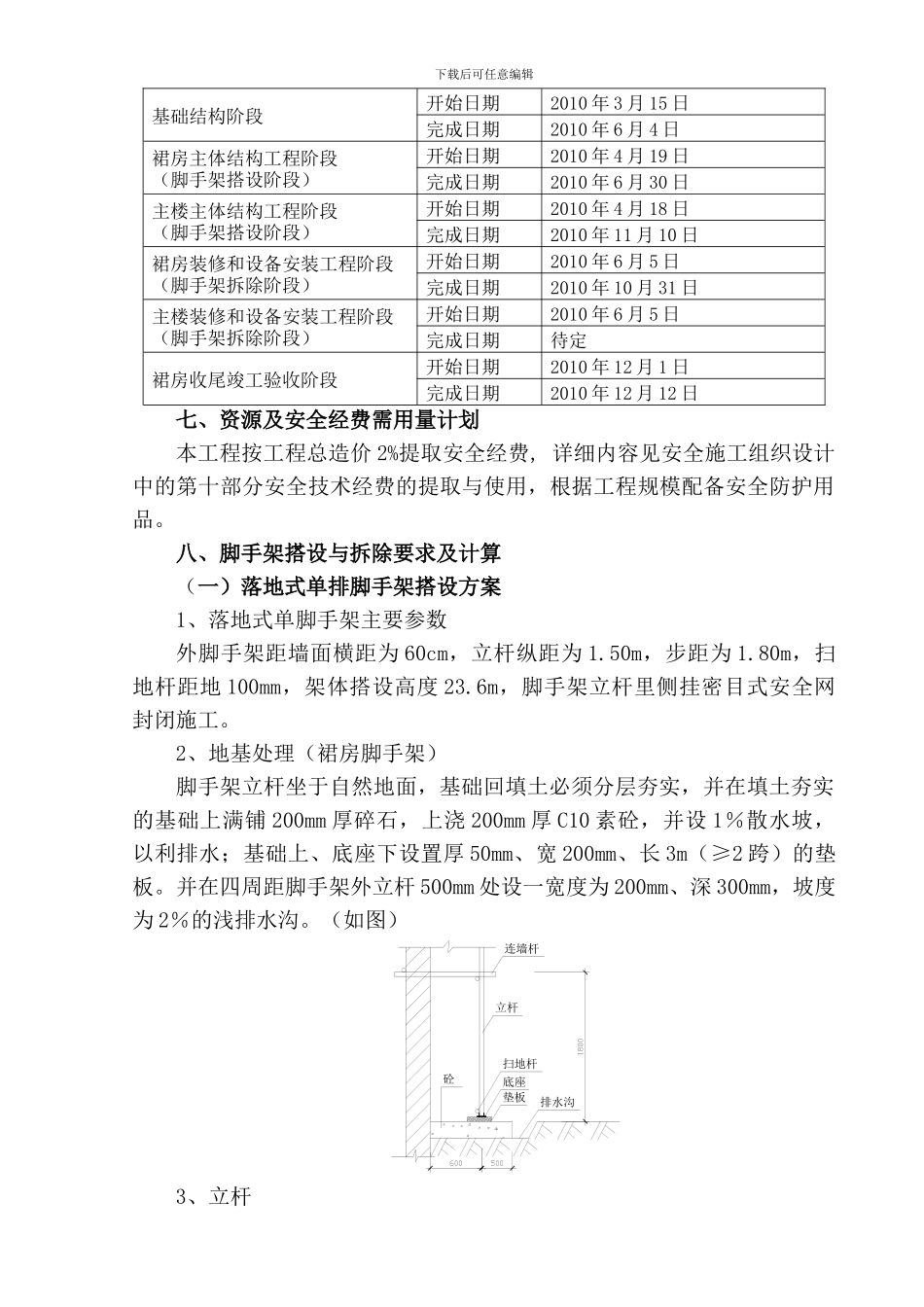
下载后可任意编辑目 录一、本工程施工方案的选择及概况二、对应于重大危险源的目标三、各岗位人员的职责和权限四、施工准备及作业条件五、安全技术措施六、完成各项工作任务的进度七、资源及安全经费需用量计划八、脚手架搭设要求及计算 一、本工程施工方案的选择及概况本工程由主楼和裙房两部分组成,其中主楼结构类型为框架——剪力墙结构,地下一层、地上二十四层,其中一~四层层高为 5.4m,五层以上除第九、二十二、二十三层层高为 3.9m 外,其余层层高为 3.5m,建筑总下载后可任意编辑高度为 99.80m,属高层建筑;裙房为地下一层、地上四层,一~四层层高为 5.4m,建筑总高度 23.60m;主楼及裙房框架柱柱距均以 8.4m 为主。根据施工部署及施工方案选择,本工程主楼施工时,一至四层采纳落地式单排脚手架(局部为双排)进行施工与防护,五至二十四层采纳型钢悬挑单排脚手架;裙房采纳落地式单排脚手架施工与防护。主体施工各段脚手架在其楼层外围护墙施工完毕后,拆除此脚手架。内庭院外墙装饰脚手架采纳吊篮脚手架,其余外墙装修脚手架详见外装修施工阶段相应的专项施工方案。二、对应于重大危险源的目标1、杜绝重伤、死亡及多人损害事故,杜绝火灾事故及机械设备损害。2、一般事故频率控制在 5‰。3、现场安全管理依据 JGJ59-99《建筑施工安全检查标准》中评分标准的要求,达到文明施工场地标准 85 分以上。4、现场脚手架与临边防护分项评分达到 85 分。三、各岗位人员的职责和权限见安全施工组织设计的第三部分安全管理组织机构体系及各层次的职责和权限 四、施工准备及作业条件本工程主体及后期外墙装修根据施工方案进行施工与防护,工程外围挡土墙分段施工完毕具备施工条件施工后即组织开始基础回填,回填土分层夯实保证足够的承载力,基础要平整夯实排水畅通,外脚手架搭设前先将必备材料准备充足(立杆底部加垫钢板底座及 5cm 厚 300cm 宽 3m 长的垫木,)砌体采纳内脚手架施工。五、安全技术措施1、脚手架搭设前必须进行详细的技术交底,交底履行签字手续。2、脚手架搭设前要先对施工现场作业条件进行勘察,看现场是否有高压线、障碍物、坑洞等危险因素及施工作业条件。3、工人操作时必须戴好安全帽系好安全带,安全带用法高挂低用。4、高空作业时严禁向上向下抛掷材料,防止发生物体打击、防触电及高空坠物事故发生。5、架子工严禁酒后进行作业,严禁穿带钉易滑的鞋,架子工的身体素养应符合高空作业条件。六...

1、当您付费下载文档后,您只拥有了使用权限,并不意味着购买了版权,文档只能用于自身使用,不得用于其他商业用途(如 [转卖]进行直接盈利或[编辑后售卖]进行间接盈利)。
2、本站所有内容均由合作方或网友上传,本站不对文档的完整性、权威性及其观点立场正确性做任何保证或承诺!文档内容仅供研究参考,付费前请自行鉴别。
3、如文档内容存在违规,或者侵犯商业秘密、侵犯著作权等,请点击“违规举报”。

碎片内容

恒和酒店工程脚手架施工方案

津创媒+ 关注
实名认证
内容提供者

欢迎交流文创,小店资料希望满足您的需要。

确认删除?
VIP
微信客服
  • 扫码咨询
会员Q群
  • 会员专属群点击这里加入QQ群
客服邮箱
回到顶部